AD698百度名片
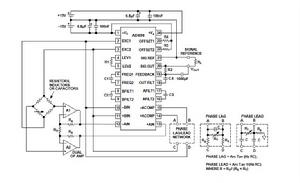
AD698是一款完整的單晶片線性可變差分變壓器(LVDT)信號調理子系統,結合LVDT使用,能夠以較高精度和可重複性將感測器機械位置轉換為單極性或雙極性直流電壓。所有電路功能均集成於片內。只要增加幾個外部無源元件以設定頻率和增益,AD698就能將原始LVDT輸出轉換為一個比例直流信號。該器件可以採用半橋LVDT、以串聯相對配置(4線)連線的LVDT和RVDT工作。
描述:
AD698是一款完整的單晶片線性可變差分變壓器(LVDT)信號調理子系統,結合LVDT使用,能夠以較高精度和可重複性將感測器機械位置轉換為單極性或雙極性直流電壓。所有電路功能均集成於片內。只要增加幾個外部無源元件以設定頻率和增益,AD698就能將原始LVDT輸出轉換為一個比例直流信號。該器件可以採用半橋LVDT、以串聯相對配置(4線)連線的LVDT和RVDT工作。
AD698內置一個低失真正弦波振盪器,用來驅動LVDT原邊。兩個同步解調通道用於檢測原邊和副邊幅度。該器件將副邊的輸出除以原邊的幅度,然後乘以一個比例係數。這樣可以消除原邊驅動的幅度漂移所導致的比例係數誤差,改善溫度性能和穩定性。
AD698利用獨特的比率架構來消除傳統LVDT接口方法的多個弊端。這種新電路的優勢包括:無需調整;溫度穩定性提高;感測器互換性得以改善。
特性:
單晶片解決方案,內置振盪器和基準電壓源
無需調整
與半橋、4線LVDT接口
直流輸出與位置成比例
工作頻率範圍:20 Hz至20 kHz
單極性或雙極性輸出
也可以解碼交流電橋信號
出色的性能
線性度: 0.05%
輸出電壓: ±11 V
增益漂移: 20 ppm/°C (典型值)
失調漂移:5 ppm/°C (典型值)
AD698套用電路