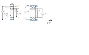
內徑:130mm 外徑:280mm 厚度:58mm
型號:6326M品牌:SKF系列:深溝球軸承,單列,無密封件內徑:130mm外徑:280mm厚度:58mm
mm動載:228000 mm靜載:216000 mm限制速度(油潤滑):3500
SKF SKF