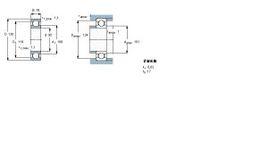
61919軸承
內徑:95mm 外徑:130mm 厚度:18mm
61919軸承尺寸參數
型號:61919軸承
品牌:SKF
系列:深溝球軸承,單列,無密封件
內徑:95mm
外徑:130mm
厚度:18mm
相關詞條
SKF
61919軸承
SKF SKF
SKF 61919軸承尺寸參數
熱門詞條
facesbook
itis
vagina
你最珍貴
免籤
同學兩億歲
天才狂妃
天鵝堡
奇美電子股份有限公司
小樹苗
小熊貓
快眼看書
快走
新莊文昌祠
晶元光電股份有限公司
歡樂喜劇人第一季
深度訪談法
神祕果
納瑟斯
莊園物語
足少陽膽經
金蟾捕魚
青青子衿
馬兜鈴
Board
Family Guy
Foxit Reader
Framework
Major League Baseball
VW
加油站打工
土豪
天才碰麻瓜
尼康 D80
張若昀
惡魔篇章
我的第三帝國
指南針
汽車喇叭
田壘
畫眉
美麗新世界
請比我愛她
諾頓防毒軟體
親子天下
地藏菩薩
常夜燈
潘威倫
老司機
防水
陸專
駱駝