61812軸承[SKF]
61812軸承[SKF]
更多義項 ▼
收起列表 ▲
61812軸承[SKF]
61812軸承[機械零件]
相關詞條
SKF
61812軸承
"單列
SKF 61812軸承尺寸參數 SKF 61812軸承樣本圖片
61812軸承
61812軸承是一種深溝球軸承,機械零件。
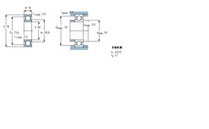
SKF61812軸承尺寸參數 SKF61812軸承樣本圖片
61812軸承
[機械零件]
61812軸承是一種深溝球軸承,機械零件。
SKF61812軸承尺寸參數 SKF61812軸承樣本圖片
相關搜尋
軸承型號
周成鋼
軸承鋼
周成林[中國書畫家協會理事]
周成海
軸承
KOYO NJ205軸承
SNR 3213軸承
周成林[安徽蚌埠市食品藥品監督管理局局長]
周澄華
熱門詞條
Adobe After Effects
APTT
embed
Gore
highlight
《發條橘子》
不卡的動漫網
全能星戰
呂方
夏威夷航空
守護之星
手越增田
旅行家
海洋深層水
澳大利亞留學
祝你聖誕快樂
立體書的異想世界
約翰尼斯堡
美食家
臥龍吟
鄭熙嶽
陳子強
電話禮儀
鴉片
del
uniq
上古卷軸:傳奇
初衷
吞食天地3
大地震
奇門遁甲
小老鼠
放屁遊戲
斬仙
楊皓如
洛洛歷險記
火箭人
無限之銀眼劍神
網際網路
美食冤大頭
鄔兆邦
高麗菜飯
鼻中隔彎曲
龍舌蘭酒
一條
台灣觀光學院
性夥伴
積極
移箱達人
管理顧問公司
萌戰
起訴書