定義
與非門是 與門和 非門的結合,先進行 與運算,再進行 非運算。 與非運算輸入要求有兩個,如果輸入都用0和1表示的話,那么與運算的結果就是這兩個數的乘積。如1和1(兩端都有信號),則輸出為0;1和0,則輸出為1;0和0,則輸出為1。 與非門的結果就是對兩個輸入信號先進行 與運算,再對此 與運算結果進行 非運算的結果。簡單說, 與非與非,就是先 與後 非。
電工學裡一種基本邏輯電路,是與門和非門的疊加,有兩個輸入和一個輸出。
CMOS電路中的邏輯門有非門、與門、與非門、或非門、或門、異或門、異或非門,施密特觸發門、緩衝器、驅動器等
與非門則是當輸入端中有1個或1個以上是低電平時,輸出為高電平;只有所有輸入是高電平時,輸出才是低電平
與非門晶片:74ls系列:74ls00、74LS20,CMOS系列:CD4011
真值表
與非門真值表
| A | B | Y |
| 0 | 0 | 1 |
| 0 | 1 | 1 |
| 1 | 0 | 1 |
| 1 | 1 | 0 |
邏輯表達式: Y=(A·B)'=(A')+(B')
邏輯符號
ANSI/IEEE Std 91-1984 | IEC 60617-12 | DIN 40700 |
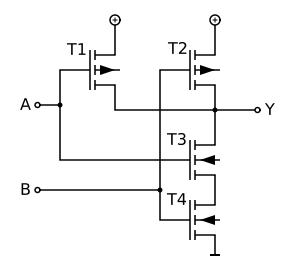
實現
開關邏輯 | CMOS邏輯 |
華語流行音樂組合
| 不同的聲音,不同的力量,不同的優勢……組合在一起卻奏出完美的樂章。讓我們來了解華語流行音樂組合的完美協調感。 |
![與非門[一種邏輯電路] 與非門[一種邏輯電路]](/img/2/8cd/nBnauM3XwUDNyEDO4MDNzYTO1UTM1QDN5MjM5ADMwAjMwUzLzQzL0MzLt92YucmbvRWdo5Cd0FmL0E2LvoDc0RHa.jpg)
ANSI/IEEE Std 91-1984
IEC 60617-12
DIN 40700
開關邏輯
CMOS邏輯 