門電路
從小巧的電子手錶,到複雜的電子計算機,它們的許多元件被製成積體電路的形式,即把幾十、幾百,甚至成千上萬個電子元件製作在一塊半導體片或絕緣片上。每種積體電路都有它獨特的作用。有一種用得最多的積體電路叫門電路,門電路是起開關作用的積體電路。由於開放的條件不同,而分為與門、非門、與非門等等。
與非門電路
與非門是與門和非門的結合,先進行與運算,再進行非運算。與非運算輸入要求有兩個,如果輸入都用0和1表示的話,那么與運算的結果就是這兩個數的乘積。如1和1(兩端都有信號),則輸出為0;1和0,則輸出為1;0和0,則輸出為1。與非門的結果就是對兩個輸入信號先進行與運算,再對此與運算結果進行非運算的結果。簡單說,與非與非,就是先與後非。
與非門則是當輸入端中有1個或1個以上是低電平時,輸出為高電平;只有所有輸入是高電平時,輸出才是低電平。
真值表
真值表如下所示:
| A | B | Y |
| 0 | 0 | 1 |
| 0 | 1 | 1 |
| 1 | 0 | 1 |
| 1 | 1 | 0 |
邏輯表達式:Y=(A·B)'=(A')+(B')
邏輯符號
下面是各國門電路邏輯符號表:
與非門電路DTL與非門
常將二極體與門和或門與三極體非門組合起來組成與非門和或非門電路,以消除在串接時產生的電平偏離,並提高帶負載能力。
如下圖所示就是由三輸入端的二極體與門和三極體非門組合而成的與非門電路。
與非門電路把一個電路中的所有元件,包括二極體、三極體、電阻及導線等都製作在一片半導體晶片上,封裝在一個管殼內,就是積體電路。上圖就是早期的簡單集成與非門電路,稱為二極體—三極體邏輯門電路,簡稱DTL電路。
TTL與非門
DTL電路雖然結構簡單,但因工作速度低而很少套用。由此改進而成的TTL電路,問世幾十年來,經過電路結構的不斷改進和集成工藝的逐步完善,至今仍廣泛套用,幾乎占據著數字積體電路領域的半壁江山。
基本結構
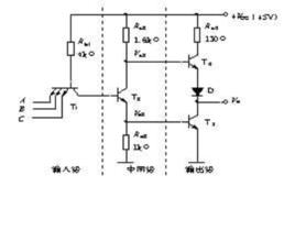
首先考慮輸入級,DTL是用二極體與門做輸入級,速度較低。仔細分析我們發現電路中的Dl、D2、D3、D4的P區是相連的。我們可用集成工藝將它們做成一個多發射極三極體。這樣它既是四個PN結,不改變原來的邏輯關係,又具有三極體的特性。一旦滿足了放大的外部條件,它就具有放大作用,為迅速消散T2飽和時的超量存儲電荷提供足夠大的反向基極電流,從而大大提高了關閉速度。如圖所示是TTL與非門電路的結構。
與非門電路第二,為提高輸出管的開通速度,可將二極體D5改換成三極體T2,邏輯關係不變。同時在電路的開通過程中利用T2的放大作用,為輸出管T3提供較大的基極電流,加速了輸出管的導通。另外T2和電阻RC2、RE2組成的放大器有兩個反相的輸出端VC2和VE2,以產生兩個互補的信號去驅動T3、T4組成的推拉式輸出級。
第三,再分析輸出級。輸出級應有較強的負載能力,為此將三極體的集電極負載電阻RC換成由三極體T4、二極體D和RC4組成的有源負載。由於T3和T4受兩個互補信號Ve2和Vc2的驅動,所以在穩態時,它們總是一個導通,另一個截止。這種結構,稱為推拉式輸出級。
邏輯關係
(1)輸入全為高電平時,輸出為低電平。
(2)輸入全為高電平時,輸出為低電平。
開關速度
(1)採用多發射極三極體加快了存儲電荷的消散過程。
(2)採用了推拉式輸出級,輸出阻抗比較小,可迅速給負載電容充放電。
抗干擾能力
(1)電壓傳輸特性曲線
與非門的電壓傳輸特性曲線是指與非門的輸出電壓與輸入電壓之間的對應關係曲線,即V=f(Vi),它反映了電路的靜態特性。
與非門電路AB段(截止區)
BC段(線性區)
CD段(過渡區)
DE段(飽和區)
(2)幾個重要參數
從TTL與非門的電壓傳輸特性曲線上,我們可以定義幾個重要的電路指標。
a.輸出高電平電壓VOH——VOH的理論值為3.6V,產品規定輸出高電壓的最小值VOH(min)=2.4V,
即大於2.4V的輸出電壓就可稱為輸出高電壓VOH。
b.輸出低電平電壓VOL——VOL的理論值為0.3V,產品規定輸出低電壓的最大值VOL(max)=0.4V,
即小於0.4V的輸出電壓就可稱為輸出低電壓VOL。
c.關門電平電壓VOFF——是指輸出電壓下降到VOH(min)時對應的輸入電壓。顯然只要Vi<VOff,Vo就是高電壓,所以VOFF就是輸入低電壓的最大值,在產品手冊中常稱為輸入低電平電壓,用VIL(max)表示。
d.開門電平電壓VON——是指輸出電壓下降到VOL(max)時對應的輸入電壓。顯然只要Vi>VON,Vo就是低電壓,所以VON就是輸入高電壓的最小值,在產品手冊中常稱為輸入高電平電壓,用VIH(min)表示。
e.閾值電壓Vth——決定電路截止和導通的分界線,也是決定輸出高、低電壓的分界線。從電壓傳輸特性曲線上看,Vth的值界於VOFF與VON之間,而VOFF與VON的實際值又差別不大,所以,近似Vth≈VOFF≈VON。Vth是一個很重要的參數,在近似分析和估算時,常把它作為決定與非門工作狀態的關鍵值,即ViVth,與非門關門,輸出高電平。Vth又常被形象化地稱為門檻電壓。
(3)抗干擾能力
TTL門電路的輸出高低電平不是一個值,而是一個範圍。同樣,它的輸入高低電平也有一個範圍,即它的輸入信號允許一定的容差,稱為噪聲容限。
噪聲容限表示門電路的抗干擾能力。顯然,噪聲容限越大,電路的抗干擾能力越強 。

