高壓脈衝發生器原理
1、高壓直流電源
高壓直流電源的作用是將從電網輸入的交流電整流再逆變成高壓交流電,然後經過整流變成高壓直流電。其主要由整流、功率因數校正、逆變、變壓器升壓和倍壓整流組成。
2、高壓脈衝波形
研究設計的高壓脈衝發生器產生的脈衝波形主要有方波、指數衰減波以及震盪波等。這幾種脈衝波形的殺菌處理效果以方波最好,震盪波最差,且方波脈衝的前後沿越快,對脈衝能量的利用越高,殺菌效率越高。指數脈衝一般由電阻—電容組成的電路產生,其結構簡單,價格便宜,已進入工業化套用。但低於最高電壓36.8%的電壓無殺菌作用,且會使食品溫度升高,浪費能量。而方波脈衝殺菌效果好,其一般通過電容器組、電感、電阻以及放電開關組成脈衝形成網路(PFN),但相對於指數脈衝發生器,其製作成本高且調試麻煩。震盪波由於不能對處於高強度電場中的微生物持續施加脈衝作用,因而防止了微生物細胞膜產生大面積不可逆破壞,故其對食品中微生物的致死效果最差。
國內外高壓脈衝發生器研發概況
19世紀60年代,高壓脈衝電場被證明對微生物細胞具有破壞力。自Sale等系統地研究脈衝電場對微生物失活的影響之後,國內外許多研究機構和企業都開始關注對
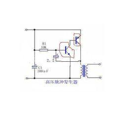
PEF技術中關鍵部件高壓脈衝發生器的研究與設計。產生高壓脈衝輸出的方法有多種,其中一種常見的高壓脈衝發生器是由Marx電路產生,其原理圖見圖。
高壓脈衝發生器Marx電路通過電容並聯充電、串聯放電來實現高壓輸出。傳統的Marx發生器由火花隙開關來控制,導致其重複頻率不高。隨著半導體開關的發展,逐漸代替火花隙開關,從而提高了Marx輸出的重複頻率。
通過IGBT串聯法設計了一套輸出150KV/10A、脈寬為1~20μs的Marx型高壓脈衝發生器。李志強等以及甘延青等均對此展開了研究設計。Marx型發生器所需直流電源電壓較低、無需使用變壓器,因此其體積比較小,但需通過LC充電來補充脈衝期間失去的電荷,所以其重複頻率不太高。另外,隨 著Marx脈衝發生器級數的增大,導致輸出脈衝前沿時間變長,不利於殺菌效率的提高。通過脈衝變壓器升壓後也可得到高壓脈衝發生器。研究者曾利用IGBT模組逆變和脈衝變壓器升壓搭建了高壓脈衝發生器。應雪正以及陳杰等通過脈衝變壓器升壓法獲得高壓脈衝發生器。利用脈衝變壓器升壓法研究設計的脈衝發生器由於均使用脈衝變壓器升壓,從而降低了高壓直流電源的電壓等級,簡化了變壓器初級電路的設計,因而得到廣泛套用。但脈衝變壓器的套用同時也限制了輸出脈衝寬度的變化範圍,且脈衝變壓器對快前沿脈衝回響較差。另外由於變壓器的恢復時間問題,導致脈衝重複頻率不能太高。所以研究設計價格低廉、寄生參數小的大功率脈衝變壓器是提高此類型高壓脈衝發生器參數的一個方向。除了以上兩種方法,還可以直接利用開關來控制高壓電路的充放電,從而省去脈衝變壓器的使用。但是用作高壓脈衝發生器的調製開關一般都需要進行串並聯組合運用才能達到使用目的。
Seung-Bok等利用IGBT串聯技術研製了一台電壓幅值40KV、電流150A、頻率3KHz、脈寬0~5μs、脈衝前沿小於100ns的高壓脈衝發生器。孔甘銀等通過開關的串並聯得到高壓脈衝輸出。利用此方法設計的脈衝發生器具有很寬的脈寬和頻率調節範圍。但該類型脈衝發生器需要一台和輸出脈衝幅度相等的高壓直流電源作為初級電源,因而其體積龐大,價格昂貴。系統電路設計時需要考慮串並聯均壓均流、觸發隔離以及保護等技術難題,所以電路設計比較複雜。
近年來又出現基於傳輸線變壓器耦合多開關驅動變阻線的脈衝發生器和加法型全固態脈衝發生器。前者原理可概括為:當電容性儲能元件充電完成後,因TLT的耦合作用,任意開關導通都將觸發其餘開關同時導通,儲能元件通過TLT驅動變阻線輸出高壓脈衝。後者主要套用於超高壓、大功率脈衝。
PEF系統中高壓脈衝發生器設計的要點
高壓脈衝發生器主要包括充電電路、脈衝成形電路兩大部分。此外,脈衝變壓器是高壓大功率脈衝發生器中的關鍵部件,其功率轉換效率高並對減小脈衝發生器的體積和重量起到決定作用。
1、充電電路
目前比較常見的高壓脈衝發生器充電電路包括電阻充電電路和電感充電電路。電阻充電電路結構簡單、技術成熟,但其充電效率低,一般適用於中小功率、脈寬窄或工作比很低的場合;電感充電電路,由於其效率較高,故在大功率、高頻場合下經常使用。另外,還有回掃充電電路、階梯充電電路等。實際套用中需根據具體要求選擇合適的充電電路。
2、高壓脈衝成形
高壓脈衝成形是高壓脈衝發生器的主要部分。對於一般的指數型脈衝,可以通過控制調製開關的導通,使儲能電容通過調製開關對負載放電,從而在負載上得到輸出脈衝。該方法簡單、技術成熟,但其殺菌效率明顯低於方波脈衝。目前高壓方波脈衝的產生一般採用全橋逆變加脈衝變壓器升壓。這種脈衝成形電路的優點是降低了初級電路的設計難度,但也存在很大的缺陷,如初級的震盪會傳遞到次級,從而使輸出波形變差,其占空比的調節也比較困難,在頻率較低時脈衝變壓器體積較大且難設計。隨著高壓大電流開關的發展,使用高壓直流電源、高壓調製開關,可以通過控制開關的導通和關斷在負載上得到脈衝輸出。
該開關通過簡單的電路,將功率MOSFET或者IGBT串並聯,通過選用低感元件及合理的布局,從而實現脈寬和頻率寬範圍可調的高壓脈衝發生器,且壽命長易於維修,但串並聯開關器件導通和關斷的控制電路設計比較複雜,需考慮均壓均流同步等問題。另外,還有一種線型脈衝調製器,其以人工線(脈衝形成網路)做儲能元件,用氫閘流管或晶閘管SCR做開關,實現全部放電的脈衝調製器。其中人工線由電容和電感組成,隨著其級數的增加,輸出脈衝的波形越趨於方波。但人工線參數一旦確定,其輸出脈寬就基本確定,所以該方法不適用於要求輸出脈寬大範圍可調的場合。實際套用中根據實際輸出脈衝的指標要求來選取合適的脈衝成形電路。
3、高壓脈衝變壓器的設計
高壓脈衝發生器中為了解決調製開關器件的電壓等級以及阻抗匹配等問題,一般採用脈衝變壓器。脈衝變壓器的使用會使其最大輸出脈衝受限於脈衝變壓器磁芯的可利用伏秒特性,為了增加輸出脈寬,一般增加去磁電路,以使其磁芯復位。利用脈衝變壓器升壓的高壓脈衝發生器,其初級電路電壓等級降低、設計難度減小。但這種結構要求脈衝變壓器初級必須流過較大的電流,在脈衝變壓器升壓比較大時初級電流更大。因此在設計中要根據輸出電壓幅值、功率大小、脈衝調製開關的開關能力和脈衝參數的要求等方面進行權衡以確定合適的脈衝變壓器升壓比。脈衝變壓器的漏感以及迴路分布電感會影響輸出脈衝的前後沿,因此在對輸出脈衝前後沿要求較高或要求輸出窄脈衝時,應設法減小脈衝變壓器的漏感以及合理布局放電迴路。

