改裝目的
為了滿足測量的要求,有時候需要將電流表改裝成的電壓表,以供使用。
改裝成電壓表
1.實驗目的
加深對電壓表構造的理解,學會把電流表改裝成電壓表的方法。
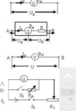
2.實驗原理 電流表G(表頭),由歐姆定律滿偏電壓U=I ·R,如圖所示。 電流表的滿偏電流I滿偏電壓U一般都很小,測量較大電壓時,要串聯一個電阻, U=I ·(R+R),即U∝I,(至於電錶刻度盤,只需要把原來的電流表刻度盤的每一刻度數值擴大為原來的(R+R)倍,即得到改裝後電壓表的錶盤。)
3.實驗器材 電流表、電阻箱、電源、電鍵2個,滑動變阻器兩個(總阻值一個很大或換做電位器,另一個很小),標準電壓表,開關導線。
4.實驗步驟
相關電路圖
電流表改裝⑴用半偏法測電阻 ①按圖方式連結電路②先將變阻器R觸頭位置移至最右端,使其連入電路的電阻最大,然後閉合電鍵S斷開S,移動觸頭位置,使電流表指針指在滿偏刻度處,再閉合S,改變電阻箱R阻值,使電流表指針在I刻度處,記下此時電阻箱的阻值R',則R =R'。
⑵改裝電流表為電壓表 ①計算分壓電阻R的值:將量程U量,滿偏電流Ig,電流表內阻R代入U=I(R+R)即可求出電阻R的值。②將分壓電阻R與電流表串聯,引出二個接線柱,並將電流表刻度盤改為電壓表刻度盤。
校對電路圖⑶校對電壓表 ①按圖所示電路連線。②先將觸頭移動到最左端,然後閉合電鍵,移動觸頭位置,使改裝後電壓表的示數從零逐漸增大到量程值,每移動一次記下改裝的電壓表和標準電壓表示數,並計算中心滿刻度時的百分數誤差=%100×−準量U。
5.注意事項
⑴半偏法測電流表電阻時,應選擇阻值R遠大於電流表內阻的變阻器。
⑵閉合電鍵前應檢查變阻器觸頭位置是否正確。
⑶校對改裝後電壓表時,應採用分壓式電路,且變阻器阻值應較小。
電流表改裝6.誤差分析 利用半偏法測電阻Rg時,由於閉合電鍵S後,電路的總阻減小,使幹路電流大於電流表的滿偏電流I,故當電流表半偏時,流過電阻箱的電流大於I,此時,電阻箱阻值小於R,故R測<R。
總體來說分兩種情況,如下:
一、改裝成電壓表
原理是表頭的量程小,要想測大電壓就的有一個電阻給他分走一部分電壓,只有串聯電路才能做到分壓,所以要串聯一個電阻,原理圖  具體的算串聯電阻阻值的方法如下,主要原理利用電流相等,還有就是當表頭滿偏時,整個電路電壓最大,所以改裝後的電壓表的最大量程代表表頭滿偏  所以電壓表的本質是讀自身電壓的大電阻,測量時並聯接在電路中利用並聯電路電壓相等讀自己電壓就是讀被測部分電壓,理想情況則認為電壓表電阻無窮大
二、改裝成大量程電流表
由於表頭量程小,要想測大電流,就需要有個電阻給它分擔一部分電流,所以只能用並聯電路才能分流,需要並聯一個電阻,原理圖如下  具體的算串聯電阻阻值的方法如下,主要原理利用電壓相等,還有就是當表頭滿偏時,整個電路電流最大,所以改裝後的電流表的最大量程代表表頭滿偏  所以電流表的本質是讀自身電流的小電阻,所以電流表串聯接入電路測電流。理想情況不考慮內阻。

