電動二通閥概述
本電動閥是專供中央空調風機盤管的配套產品,由驅動器與閥體兩部分組成,驅動器由一個同步電機驅動,具備彈簧復位及手動開閥槓桿操縱功能。閥體部分採用活塞式結構。電動閥可與溫控器配套使用,由溫控器控制電動閥電機,使閥門開或關,實現管道冷水或熱水的通或斷,再通過風機盤管送風,以實現溫度的自動調節。
分類特點
電動二通閥電動二通閥它分為直動式和先導式2種,其套用範圍及特點如下:
1.驅動器由單項磁滯同步馬達驅動,閥門彈簧復位,閥門不工作時處於常閉狀態,當需要工作時,由溫控器提供一個開啟信號,使電動閥接通交流電源而動作。
2.用於控制冷水或熱水空調系統管道的開啟或關閉,達到控制室溫之目的。
3..開啟閥門,冷凍水或熱水進入風機盤管,為房間提供冷氣或暖氣,當室溫達到溫控器設定值時,溫控器令電動閥斷電,復位彈簧使閥門關閉,從而截斷進入風機盤管的水流,通過閥門關閉和開啟,使室溫始終保持在溫控設定的溫度範圍內。
電動閥的驅動器與閥門採用螺紋連線方式,可在閥門安裝之後,再安裝驅動器。現場裝配,接線靈活、方便。驅動器之平面設計可以貼近牆面安裝,占用空間小,產品可靠耐用,工作噪音低,並能在隱蔽式風機盤管裝置內常出現的高溫高濕環境可靠工作。
調試
切斷有關電源並必須由專業技術人員進行安裝。
水流方向必須按照閥體上指示得方向相同。
閥體須位於盤管接水盤上方,以保證出現滴水時落入接水盤中。
閥體及驅動器必須安裝於垂直方向±60℃範圍內,其上方應至少有30mm空間用於拆裝。與周圍管道、設備、建築物必須保持足夠的維修操作空間,必須安裝在維修人員通過檢修孔能觸及到的地方。
閥體安裝完畢並與管路通過試壓後才可安裝驅動器。
若驅動器已經裝到閥體上,那么在安裝調試過程中絕對不能對驅動器施力,否則會損壞驅動器。
安裝完畢並檢查正確無誤後,通電調試。至少應觀察驅動器的三個完整運行周期,確定所有部件正確為止。
經過無水調試合格後,再進行通水測試。系統上下水的壓差必須嚴格控制在0.15MPa以內,以保證電動二通閥對水流開關的有效性.
電動二通閥技術參數
產品介紹 SFD系列電動閥 SFD1系列電動閥
材料 黃銅閥體,不鏽鋼基座,鋁罩殼 黃銅閥體,閥蕊,密封蝶,不鏽鋼閥桿,彈簧
可承壓力(MPa) 2.5MPa
閥體連線 標準圓柱管螺紋
適用介質 冷凍水,熱水或低壓蒸氣
適用液體溫度 2℃-105℃
環境溫度及濕度 0℃-50℃不凝露
水流控制方式 開關
驅動電源 AC220V(+10.15),50Hz功耗≤5W
電機類別 磁滯同步電機,轉速500r/min
全行程時間 開6秒,關4秒 開8秒,關5秒
驅動器規格型號和技術參數
產品型號 額定電壓 功率 驅動方式 與SRV2000閥門配合動作時間 淨重
SRA2100-220 AC220V±10 7W 電向電機驅動
閥門彈簧復位 全開時間:通電後約10秒
關閉時間:斷電後約5秒 0.3Kg
SRA2100-110 AC110V±10
SRA2100-24 AC24V±10
銅閥規格型號和技術參數
產品型號 閥門
形式 連線
螺紋 流量係數
(KV) 關閉壓差
(MPa) 工作
介質 流體
溫度 環境
溫度 儲存
溫度 承壓
(MPa)
SRV2200-15 常閉二通閥 G1/2 1.5 0.25 冷凍/
熱水 2~94℃ 0~60℃
最大相對
濕度為
不凝露 -20~65℃
最大相對
濕度為
不凝露 2.5
SRV2300-15 分流三通閥 G1/2 1.5 0.25
SRV2200-20 常閉二通閥 G3/4 2.5 0.10
SRV2300-20 分流三通閥 G3/4 2.5 0.10
SRV2200-25 常閉二通閥 G1 4.8 0.06
SRV2300-25 分流三通閥 G1 4.8 0.06
操作及注意事項
馬達罩殼應防止滴水滲入。當閥裝於水平管道時,安裝位置及平面夾角不超過85°,如圖二所示。當閥門裝在垂直管道上時,馬達罩殼必須防止漏水滲入。
撥動手動操作桿時應緩慢移動,當手動桿沿箭頭指向慢慢移動並按入缺口內卡住,閥門處於常開狀態,每當電流首次通過電動閥門時,手動桿會再設定至自動位置。
安裝須知
常閉二通閥和分流三通閥的安裝如圖三、四、五所示。對於高層建築物,應在底層支管上採用減壓閥。安裝閥體時,應注意閥體箭頭指向。若帶有輔助開關。
電動二通閥安裝尺寸
型 號 尺 寸(mm) 重量(Kg)
A B
SRV2200-15 55 113 0.60
SRV2300-15 55 128 0.60
SRV2200-20 66 124 0.65
SRV2300-20 66 137 0.65
SRV2200-25 90 129 0.70
SRV2300-25 90 145 0.70
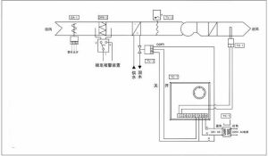
電動二通閥的工作原理:
本系統適用於空調系統的新風機組冬、夏季溫度控制。
電動二通閥工作原理圖如右圖所示,由溫度感測器TE-1,比例積分溫度控制器TC一1和電動調節閥TV一1組成送風溫度控制系統,安裝在送風管道的TE一1,把檢測到的溫度信號傳送至TC一1,由TC一1將TE一1的檢測值與設定值不斷比較,同時不斷地輸出信號,控制TV一1的開度連線可調,最終使TE一1測量的環境溫度保持在設定的溫度範圍內。
空氣壓差開關DPS一1是用來檢測過濾網的透氣情況,過濾網越髒,透氣率越低,其兩側的壓力差越大。當壓力差超過DPS一1的設定值時,微動開關運作,發出報警信號。
當盤管後的溫度低於某限值時,低溫保護開關TS一1切斷送風機的電源,從而使新風風閥關閉,防止盤管內的水結冰,漲裂盤管。
SW一1為內置冷/暖運行狀態的轉換。

