基本概念
脈衝通常是指電子技術中經常運用的一種象脈搏似的短暫起伏的電衝擊(電壓或電流)。主要特性有波形、幅度、寬度和重複頻率。
單脈衝就是脈衝輸入一直有,通過方向輸入的高低電平來控制方向,一般稱為脈衝信號加方向信號控制方式。
雙向脈衝就是指脈衝輸入和方向輸入兩路都是脈衝輸入,只是一路是正向脈衝,一路是反向脈衝。其控制方式一般稱為正向脈衝加反向脈衝控制方式。
優勢
雙向脈衝在表面處理領域具有很強的優勢,主要有以下幾點:
(1)在模具表面粗糙度方面,雙向脈衝電鑄相比於單向脈衝電鑄並沒有很大的優勢;但是在內應力方面,雙向脈衝電鑄就比單向脈衝電鑄要好很多。所以在較薄的零件和平板零件的生產上,雙向脈衝電鑄有很大的套用空間。
(2)雙向脈衝電鑄可以細化零件的晶粒結構,提高了零件的質量。
(3)脈衝電鍍層組織緻密,外觀細緻、光亮,其綜合性能明顯優於普通直流鍍層,可在各套用領域推廣使用,如航空發動機專用軸承保持架鍍銀生產的套用。
套用
脈衝技術的日益廣泛套用充分體現出該技術的無限潛力。在以節能降耗、綠色環保為為主題倡導的今天,如何更好地利用脈衝技術是研究的重中之重。雙向脈衝技術在表面處理領域,包括前處理工藝、電鍍單金屬及合金金屬工藝、印製電路板鍍覆、陽極氧化處理工藝、納米級塗層鍍覆及廢水處理中套用廣泛,脈衝技術在這些領域有良好的發展前景。
雙向脈衝電鑄鎳
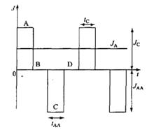
在電鑄中使用的電源有兩種形式:直流電源和脈衝電源。而脈衝電源分為兩種,一種是單向脈衝,即:所有的波形都是同一方向的,這是國內電鑄行業常用的電源形式;另一種是雙向脈衝,它是在正向脈衝(陰極脈衝)後緊接一個反向脈衝(陽極脈衝)。分析雙向脈衝的工作情況,此時的輸入信號,如圖所示:
雙向脈衝A 區域為正向脈衝輸出,這時候金屬陽離子向陰極堆積,工件周圍陽離子的濃度減小;
B區域為正向脈衝間歇區,正向脈衝停止,工件附近陽離子的濃度得到補充;
C區域為反向脈衝輸出,工件上的金屬溶解,工件周圍金屬陽離子的濃度增加;
D區域為反向脈衝間歇區,反向脈衝停止,工件附近的金屬陽離子向外擴散。
雙向脈衝電鑄通常套用於鑄層易溶於電解液的電鑄,否則會使鍍層鈍化。根據對雙向脈衝電鑄的研究及對金屬芯模電鑄鎳的實驗研究,得出如下結論 :
(1)在模具表面粗糙度方面,雙向脈衝電鑄相比於單向脈衝電鑄並沒有很大的優勢;但是在內應力方面,雙向脈衝電鑄就比單向脈衝電鑄要好很多。所以在較薄的零件和平板零件的生產上,雙向脈衝電鑄有很大的套用空間。
(2)雙向脈衝電鑄可以細化零件的晶粒結構,提高了零件的質量。
雙向脈衝鍍銀技術
直流鍍銀只有1個參數可調,即電流或電壓;而雙向脈衝鍍銀技術有8個可獨立改變的輸出參數:即正向峰值
電流密度、正向脈衝周期、正向脈衝寬度、正向脈衝波數、負向峰值電流密度、負向脈衝周期、負向脈衝寬度、負向脈衝波數。
通過大量試驗和實際套用證明,雙向脈衝鍍銀工藝比普通直流鍍銀工藝技術先進,可操作性強,且不添加任何添加劑。雙向脈衝鍍銀層的晶粒可達0.1~0.2微米左右,而直流鍍層為2~5微米,其晶粒尺寸僅為直流鍍銀層的的二十五分之一,這就是雙向脈衝鍍銀層性能比直流鍍銀層性能更加良好的基本保證。脈衝鍍銀層孔隙率、耐磨性、硬度、晶粒度、組織緻密性等關鍵技術指標遠優於普通直流鍍銀層。脈衝鍍銀層組織緻密,外觀細緻、光亮,其綜合性能明顯優於普通直流鍍銀層,可在各套用領域推廣使用,如航空發動機專用軸承保持架鍍銀生產的套用 。

