背景技術
電動車普通單速電機普遍存在若轉速做低了,速度慢;若轉速做高了,則啟動力距小,從而導致爬坡能力下降的問題沒這個問題不僅是長期困擾著整車生產廠家和電機生產廠家的問題,也是廣大經銷商朋友和用戶非常關心的問題,解決這一技術問題將對於電動車的性能提升較大的幫助。
實用內容
針對現有技術中電動腳踏車電機所存在的若轉速做低,則速度慢;若轉速做高,則爬坡能力弱的技術問題,本實用新型提供一種智慧型型電動腳踏車驅動系統,能根據負載大小,由電機控制器自動變換檔位,補單省去了手動操作換擋的麻煩,而且採用科學合理的方式,解決了普通單速電機存在的速度與爬坡能力不能兼顧、相互矛盾的技術問題,本實用新型可以有效的提升電動腳踏車的使用性能。
為了解決上述技術問題,本實用新型智慧型型電動腳踏車驅動系統予以實現的技術方案是:包括雙速電機、電機控制器和高低速切換開關,所述雙速電機包括電機軸、輪轂、磁鋼、定子和定子繞組,所述定子繞組包括低速繞組和高速繞組,所述輪轂的一端設有端蓋,所述輪轂的另一端設有後轂閘;所述低速繞組包括線圈A1、線圈B1和線圈C1,所述高速繞組包括線圈A、線圈B和線圈C;所述電機控制器通過高低速切換開關分別與所述低速繞組和所述高速繞組電聯接,所述該低速切換開關包括轉換控制板和兩個繼電器,其中,第一繼電器對應連線高速繞組與電機控制器的驅動輸出端子,第二繼電器對應連線低速繞組與電機控制器的驅動輸出端子。
技術內容
本實用新型智慧型型電動腳踏車驅動系統,其中,所述輪轂的內側兩端均設有內端蓋,所述內端蓋與所述電機軸之間設有軸承。所述定子上還裝配有霍爾。電動腳踏車的轉把、電池和剎車均電鏈至電機控制器。
有益效果:
本實用新型能使電動腳踏車輕鬆爬坡,其中電機起動點流小、節電,高低速之間切換方便,安裝簡單,並能有效的突破了普通單速電機在選擇了速度,就兼顧不了爬坡能力的“瓶頸”,有效的提升電動腳踏車的使用性能,更好的滿足廣大用戶的需求。
附圖說明
雙動力系統 圖1是本實用新型用於電動腳踏車驅動的雙速電機結構示意圖;
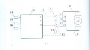
圖2是本實用新型電動腳踏車驅動系統原理圖
圖中:
1-電機軸,2-端蓋,3-輪轂,4-磁鋼,5-定子,6-後轂閥,7-低速繞組,8-高速繞組,9-霍爾,10-雙速電機,11-高低速切換開關,12-電機控制器,13-切換控制板,14-電池,15-轉把,16-剎車,K1-第一繼電器,K2-第二繼電器。
系統設計 實施方式
如圖1和圖2所示,本實用新型智慧型型電動腳踏車驅動系統,包括雙速電機10、電機控制器12和高低速切換開關11。如圖1所示,所述雙速電機10包括電機軸1、輪轂3、磁鋼4、定子5和定子繞組,所述定子繞組包括低速繞組7和高速繞組8,所述輪轂3的一端設有端蓋2,所述輪轂3的另一端設有後轂閘6,所述輪轂3的內側兩端均設有內端蓋5,所述內端蓋5與所述電機軸1之間設有軸承,所述低速繞組7包括線圈A1、線圈B1和線圈C1,所述高速繞組8包括線圈A、線圈B和線圈C;所述定子上還裝配有霍爾9。如圖2所示,所述電機控制器12通過高低速切換開關11分別與所述低速繞組7和所述高速繞組8電連線,所述該低速切換開關11包括轉換控制板13和兩個繼電器K1、K2,其中,第一繼電器K1對應連結高速繞組8與電機控制器12的驅動輸出端子U,V,W,第二繼電器K2對應連線低速繞組7與電機控制器12的驅動輸出端子L、V、W。電動腳踏車的轉把14、電池14和剎車16均電連至電機控制器12。
實施過程
使用本實用新型智慧型型電動腳踏車驅動系統實現不同狀態的行駛過程如下:
1、車輛的起步:當轉動轉把15啟動瞬間,電機控制器12給雙速電機10提供最大電流Imax≥18A,雙速電機10此時處於爬坡檔運行,產生比普通單速電機起步大1.5倍的扭矩,形成比普通單速電機起步快1.5倍加速度,因此,裝有本實用新型驅動系統的整車,其起步速度比普通單速電機明顯加快。
2、平地行駛:隨著車速的迅速提升,行駛電流逐步下降,當電流降到6.5A左右,扭矩在14N.m左右,車速在18Km/h時以上時自行換擋。換擋後車速再度提升,向45Km/h左右逼近(因負載大小而異),因此,裝有本實用新型驅動系統的整車,在正常行駛時其速度明顯比普通單速電機快。
3、坡道行駛:車輛由平地高速檔駛向上坡道時,雙速電機10電流逐步升至20A左右、扭矩大於30N.m、效率低於80%時,雙速電機10自行降至爬坡檔。如坡陡或載重量大時,雙速電機10提供的扭矩想100N.m攀升(比普通單速電機高出1.5倍),以供爬坡之需。坡道結束走平地或下坡時,雙速電機10自動切換到高速檔。
