定義
正弦交流電作用於任一現行非時變二端網路,其兩端電壓與電流相量之比稱為該網路的阻抗,阻抗角即電壓電流的相位差。
公式
如下圖所示,二端網路兩端的電壓為,電流為,因此網路的阻抗為:
阻抗角網路阻抗是一個複數,其模表示電壓,電流振幅值或有效值的比值,而幅角φ代表電壓電流的相位差,即網路的阻抗角。
阻抗角定義示意圖對於R、L、C其阻抗分別為:
阻抗角電阻R是不隨ω變化的常量,電阻上的電壓與流過電流同相;電感的感抗X與ω成正比,電感兩端的電壓超前流過電感的電流π/2;電容的容抗X與ω成反比,電容兩端的電壓滯後流過電容電流π/2。
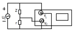
阻抗角的測量方法
雙蹤示波器測量方法
用雙蹤示波器測φ時,要使示波器與測試電源“共地”,測量電路如下圖。
雙跡法測阻抗角電路圖將電源電壓U和電阻r分別加到雙蹤示波器的Y和Y兩個輸入端,調節示波器在螢光屏上顯示出穩定波形,如下圖:
雙跡法測相位差讀出波形一周期所占橫軸長度,讀出兩波形過零點的間隔,則相位差為:
阻抗角電壓表法測量原理
電壓表法測阻抗角如下圖(a)所示。電源電壓相量為U,Z及r上電壓相量分別為U和U。設Z為感性阻抗,可得相量圖(b)所示。可由圖求出阻抗角:
阻抗角
阻抗角
