產品介紹:
閥門試驗機適用於直通式法蘭連線類型閥門的密封和閥體強度的壓力性能試驗,可對閥門進行殼體試驗,上密封試驗,高壓水密封試驗,在測試過程中可方便目測測試工件是否有泄露,可整體實驗,可左右分項試驗。
本機集機電、液壓、試壓液體介質貯存循環使用於一體,具有功能完善、性能穩定、自動化程度高等特點。試壓全過程由液壓傳動,電器控制,對被測閥門施加無任何附加影響試驗結果的外力,廣泛套用於公稱通徑DN15-DN400mm的直通式法蘭式結構,高、中、低壓閘閥、球閥、截止閥、止回閥和旋塞閥等閥門的密封和強度等各項性能測試。測試介質:水、氣、油。最高密封試驗壓力16MPa。
閥門試驗機生產標準:
閥門試驗機按照國家GB/T13927-92《通用閥門壓力試驗》和ZBJ16006-90《閥門的試驗與檢測》等標準,參照國際標準ISO5208《工業用閥門的壓力試驗》和美國石油學會標準API1598《閥門檢驗和試驗》的標準規範要求而研製。
閥門試驗機-產品特點:
1、設備選用思明特氣動增壓泵,可輕鬆實現輸出壓力任意可調、可控,採用美國SSI感測器可實現壓力的精確採集。
2、技術先進,結構設計合理。具有體積小、重量輕、外型美觀大方的特點。
3、所有承壓零件都採用國際知名品牌的標準零件,無任何焊接連線,方便拆卸,安全係數高,壽命長、便於維護。
4、使用通徑:DN50-150mm
5、壓力測試範圍:0—5Mpa,根據客戶實際需求,選擇相對應的壓力。
6、進行氣密性測試,整台夾緊機構可沉到水中。觀察冒泡判斷閥門的泄露情況。
7、可以計算機控制升壓速率,實時顯示壓力曲線,試驗完畢後可以列印試驗報告。
8、可實現分階段試驗壓力。
10、分階段保壓過程試驗時間可自動倒計時,時間結束提醒。
11、可實現分階段到一定壓力自動停止增壓。
12、試驗完畢可以列印中英文試驗報告,可以保存excel表格數據。
13、可實現閥門流量測試,管路中間配有流量測試儀,可實現流量的累積測試,瞬時測試。
數據採集 技術參數:
試壓介質:水
試驗壓力:液壓5MPa
壓力顯示:防震油壓表、數顯表、數據採集控制軟體
壓力控制:軟體
功率:液壓站功率3kw
測試通徑:DN50-150
油泵最高工作壓力:31.5MPa
壓力顯示精度:0.01MPa
注水泵揚程:120m,2.5m3/h,3.0Kw
閥門試驗機性能參數產品配置:
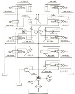
閥門試驗機配置電器原理:
閥門試驗機電器原理圖