簡介
具有下列特點的觸發器稱為邊沿觸發方式觸發器,簡稱邊沿觸發器。觸發器接收的是時鐘脈衝CP 的某一約定跳變(正跳變或負跳變)來到時的輸入數據。在CP=l 及CP=0 期間以及CP非約定跳變到來時,觸發器不接收數據。常用的正邊沿觸發器是D 觸發器,圖1給出了它的邏輯圖及典型波形圖。
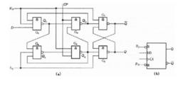
圖1.邏輯圖及典型波形圖邊沿D觸發器
邊沿D觸發器也稱為維持-阻塞邊沿D觸發器。
負跳沿觸發的主從觸發器工作時,必須在正跳沿前加入輸入信號。如果在CP 高電平期間輸入端出現干擾信號,那么就有可能使觸發器的狀態出錯。而邊沿觸發器允許在CP 觸發沿來到前一瞬間加入輸入信號。這樣,輸入端受干擾的時間大大縮短,受干擾的可能性就降低了。邊沿D觸發器也稱為維持-阻塞邊沿D觸發器。
電路結構 : 該觸發器由6個與非門組成,其中G1和G2構成基本RS觸發器。
圖2 邊沿D 觸發器的邏輯圖和邏輯符號工作原理:SD 和RD 接至基本RS 觸發器的輸入端,它們分別是預置和清零端,低電平有效。當SD=0且RD=1時,不論輸入端D為何種狀態,都會使Q=1,Q=0,即觸發器置1;當SD=1且RD=0時,觸發器的狀態為0,SD和RD通常又稱為直接置1和置0端。我們設它們均已加入了高電平,不影響電路的工作。工作過程如下:
1.CP=0時,與非門G3和G4封鎖,其輸出Q3=Q4=1,觸發器的狀態不變。同時,由於Q3至Q5和Q4至Q6的反饋信號將這兩個門打開,因此可接收輸入信號D,Q5=D,Q6=Q5=D。
2.當CP由0變1時觸發器翻轉。這時G3和G4打開,它們的輸入Q3和Q4的狀態由G5和G6的輸出狀態決定。Q3=Q5=D,Q4=Q6=D。由基本RS觸發器的邏輯功能可知,Q=D。
3.觸發器翻轉後,在CP=1時輸入信號被封鎖。這是因為G3和G4打開後,它們的輸出Q3和Q4的狀態是互補的,即必定有一個是0,若Q3為0,則經G3輸出至G5輸入的反饋線將G5封鎖,即封鎖了D通往基本RS 觸發器的路徑;該反饋線起到了使觸發器維持在0狀態和阻止觸發器變為1狀態的作用,故該反饋線稱為置0維持線,置1阻塞線。Q4為0時,將G3和G6封鎖,D端通往基本RS觸發器的路徑也被封鎖。Q4輸出端至G6反饋線起到使觸發器維持在1狀態的作用,稱作置1維持線;Q4輸出至G3輸入的反饋線起到阻止觸發器置0的作用,稱為置0阻塞線。因此,該觸發器常稱為維持-阻塞觸發器。
總之,該觸發器是在CP正跳沿前接受輸入信號,正跳沿時觸發翻轉,正跳沿後輸入即被封鎖,三步都是在正跳沿後完成,所以有邊沿觸發器之稱。與主從觸發器相比,同工藝的邊沿觸發器有更強的抗干擾能力和更高的工作速度。
綜上所述,對邊沿D觸發器歸納為以下幾點:
1.邊沿D觸發器具有接收並記憶信號的功能,又稱為鎖存器;
2.邊沿D觸發器屬於脈衝觸發方式;
3.邊沿D觸發器不存在約束條件和一次變化現象,抗干擾性能好,工作速度快。
和電位觸發器的不同
邊沿觸發器和電位觸發器的不同在於:
電位觸發器在 E=1 期間來到的數據會立刻被接收。但對於邊沿觸發器,在CP=1 期間來到的數據,必須“延遲”到該CP=1 過後的下一個CP 邊沿來到時才被接收。因此邊沿觸發器又稱延遲型觸發器。邊沿觸發器在CP 正跳變(對正邊沿觸發器)以外期間出現在D 端的數據變化和干擾不會被接收,因此有很強的抗數據端干擾的能力而被廣泛套用,它除用來組成暫存器外,還可用來組成計數器和移位暫存器等。
至於電位觸發器。只要 Z 為約定電平,數據來到後就可立即被接收,它不需像邊沿觸發器那樣保持到約定控制信號跳變來到才被接收。
邊沿觸發和電平觸發
邊沿觸發,就是有高電平向低電平轉換,或者翻過來轉換,這個轉換過程觸發一個動作。
電平觸發,就是只有高電平(或者低電平)的時候才做指定的事。
參見
•電子學主題
•多諧振盪器
•正反饋
•死鎖

