電力線載波通信
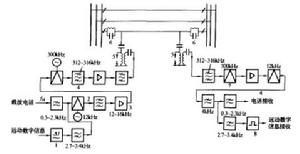
圖1遠動或保護信號與電話復用電力線載波通信示意圖圖1(1-調製器;2-調幅器;3-放大器;4-濾波器;5-結合設備;6-高頻阻渡器;7-解調器;8-數字信息恢復)是遠動或保護信號與電話復用的電力線載波通信示意圖。
為了復用通道,通常規定話音占用0.3~2.3kHz的音頻段,而遠動或保護信號則占用2.7~3.4kHz音頻段。二元制數位訊號先經調製器轉換成2.7~3.4kHz的正弦波數字調頻信號,然後與話音共同送入電力載波機。在電力載波機中,這個合併後的信號還要經過兩次調製,第一次用中頻(如12kHz)做導頻,第二次用高頻(40~500kHz)做載頻,再經功率放大、濾波等環節,最後經結合設備將信號送到高壓輸電線路上。結合設備還用來隔離高電壓。
高頻阻波器6是一個L-C諧振電路,它對40~500kHz的高頻信號具有較大的阻抗,可以阻止高頻信號流入母線;但對50Hz的工頻電流則阻抗很小,可以通行無阻。在接收端,載波信號經過結合設備進入載波機,經過高頻和中頻兩次解調後,變成0.3~3.4kHz的音頻信號,被0.3~2.3kHz的低通濾波器將話音信號取出,而另外被2.7~3.4kHz的高通濾波器將遠動或保護信號濾出,再由解調器將攜帶的數字脈衝序列信息還原出來。
利用電力線路做通信通道,不必另外增加許多投資,而且電力線路機械結構堅固,運行可靠,使用方便,因而得到了廣泛的套用。
光纖通信
光纖通信是目前認為最有前途的一種有線通信方式。目前光纖通信技術已經成熟,並已在電力系統中廣泛套用。與其他通信技術相比,光纖通信有以下顯著優點:
1)傳輸頻帶很寬,通信容量大。
2)傳輸衰耗小,適合長距離傳輸。
3)體積小,重量輕,柔性好,可撓性強,敷設方便。
4)輸入與輸出之間電氣隔離好,不怕電磁干擾。
5)抗腐蝕,耐酸鹼,可以直埋地下。
6)保密性好,無漏信號和串音干擾。
當然光纖通信也有以下缺點:①強度不如金屬線;②連線比較困難;③分路和耦合不方便;④彎曲半徑不宜太小。
所謂光纖即是經過提純的玻璃纖維,其材料來源可以說是取之不盡。一根直徑50pm的玻璃纖維竟可以傳輸百萬路電話,其容量之大實屬驚人。尤其是它的完全不怕電磁場干擾的特點,對於存在很高電壓和很強電磁場干擾的電力部門特別合適。
圖2光纖通信系統的基本構成示意圖光纖通信由電端機、光端機和光纜三部分組成,見圖2。目前光纖通信波長是微米波,頻率可到1014MHz,這樣寬的頻率範圍是任何目前所知的其他通信方法所不可比擬的。各種模擬和數位訊號,先經過電端機變成數位訊號,再送到光端機變成光信號。光端機由光傳送器和光接收器組成。光傳送器有兩類: 一類是用半導體雷射器(LD)作光源,用於大容量長距離光纖通信系統;另一類是以發光二極體(LED)作光源,用於短距離光纖通信系統。光傳送器接受電端機輸出信號的調製而變換為光信號。在接收端,接收器用光電二極體(PIN)或雪崩光電二極體(APD)來檢測光信號,並將其轉化為電信號後再送到電端機的接收部分。
微波中繼通信與衛星通信
波長為0.001~1.0m、頻率為300MHz~300GHz的無線電波稱為微波。微波基本上沿直線傳播。由於地球表面是個球面,所以每40~50km就要設定一個中繼站,按接力的方式將信號一站一站地傳送下去,微波傳遞信號的這種方式稱為微波中繼通信。
微波中繼通信的優點是:微波頻段的頻帶很寬,可以容納數量很多的無線電頻道且不致互相干擾;微波收發信機的通頻帶可以做得很寬,用一套設備可作多路通信;不易受干擾,通信穩定;方向性強,保密性好;每公里話路成本比有線通信低。因此適合做電力系統通信網的主幹線通信。但微波中繼通信的設備比較複雜,技術水平要求較高。
圖3微波中繼通信系統的構成示意圖圖3表示微波中繼通信系統的構成。電話、數據等信號首先送人終端機,在終端機再把這個復用信號送到信道機調製成微波,經過波導管饋線,由拋物面天線向空間輻射電波。在中繼站中,用中繼機把在傳播中損耗了的信號加以放大,再向下一個中繼站轉發。在收信側,利用信道機解調成多路信號,再用終端機進一步對每一話路進行解調。最後分別取出電話、數據信號送給交換機、記錄器或相連的計算機系統。
目前我國採用2GHz頻段作為電力系統通信的主幹線,8GHz頻段用於分支線,11GHz頻段用於近距離的局部系統。
衛星通信也屬於微波中繼通信。只是中繼站是設在地球的同步衛星上。與一般微波通信相比,衛星通信不受地形和距離的限制。通信容量大,不受大氣層騷動的影響,通信可靠性高,衛星通信使用的頻率上行(地球-衛星)為5925~6425MHz,下行為3700~4200MHz。
特高頻(超短波)無線通信
圖4 電力系統的各種通信方式比較波長1~10mm、頻率30~300MHz的無線電波稱為特高頻,特高頻以視距範圍的空間波形式傳輸,因多採用定向天線,故受氣候影響較小,也不易干擾其他設備或受其他通信干擾。國家無線電 管理委員會已頒發了民用電台頻率表,並專門給電力部門劃分了可用頻段。現在已有許多市、縣供電局採用無線電通信方式,作為調度自動化系統中負荷控制的信道。這樣組成的系統具有結構簡單、方便靈活、建設速度快和投資較少等優點,投入運行後都收到了很好的效果。電力系統的各種通信方式比較見圖4。
信道的多路復用
所謂多路復用是指在一個通道上傳輸多路信源提供的信息,而又互不串擾。復用方式關係到傳輸信道的資源是否得到充分的利用、信息傳輸質量的好壞以及系統硬體的複雜性。
1.頻分制
將一個信道分割成不同的頻段,每一頻段(稱為頻道)傳輸一個信號,每個信號的頻譜在信道內互不重疊的傳輸方式叫頻分制傳輸。
2.時分制
時分即時間分割的簡稱。時分制信號傳輸時,每一信號在全部測量周期內只占用一個特定的時刻,也就是每一信號在傳輸時間互不重疊地排列在同一傳輸信道之中,只能在它的特定間隔內傳輸。
