
標準適用電動機輸出:0.2kW~3.7kW(4極)
變速比:約1:4

產品特點:AK,PE單體變速輪及變速膠帶組件,可配套在任何傳動機械設備上使用,實現無級變速,轉動力強,速度變化大,裝設容易。
適用機械:木工機械、包裝機械、食品機械、紡織機械、皮革機械、印刷機械、染整機械等一些流水線設備
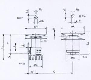
| 型號 | A1 | M1 | L1 | B | K | Q | T | D1 | U1 | W1 | V1 | A2 | M2 | L2 | D2 | U2 | W2 | V2 | X |
| PDS-02 | 90 | 70 | 153 | 17 | 55 | 10 | 67 | 11 | - | - | 25 | 106 | 73 | 91 | 12 | 13.5 | 4 | 30 | -1 |
| PDS-04 | 124 | 86 | 164 | 53 | 48 | 11 | 107 | 14 | 16 | 5 | 30 | 124 | 79 | 122 | 15 | 17 | 5 | 40 | 12 |
| PDS-07 | 140 | 86 | 172 | 53 | 48 | 15 | 112 | 19 | 21.5 | 6 | 40 | 155 | 94 | 151 | 18 | 20 | 5 | 45 | 14 |
| PDS-15 | 155 | 86 | 205 | 53 | 48 | 17 | 142 | 24 | 27 | 8 | 50 | 185 | 104 | 172 | 22 | 25 | 7 | 55 | 16.5 |
| PDS-22 | 185 | 86 | 231 | 62 | 53 | 21 | 165 | 28 | 31 | 8 | 60 | 216 | 126 | 205 | 25 | 28 | 7 | 50 | 17.5 |
| PDS-37 | 216 | 86 | 240 | 74 | 53 | 17.5 | 175 | 28 | 31 | 9 | 60 | 216 | 126 | 205 | 30 | 33 | 7 | 65 | 17.5 |
