簡介
變壓整流器(transformer rectifier)是一種將交流電轉換為直流電的裝置。由電源變壓器、整流器、濾波器等組成。小功率變壓整流器一般用於電子儀器的電源;大功率變壓整流器可用作化學工業及交通運輸等方面的直流電源。
航空上使用的變壓整流器,大多是將115/200 V、400Hz的三相交流電轉換成各種電壓的直流電。變壓整流器較旋轉整流裝置噪聲小、重受輕、可靠性高和維護簡便。
普通變壓整流器
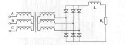
普通變壓整流器一般由輸入濾波器、變壓器、二極體整流電路和輸出濾波器等組成,如下圖所示。有些變壓整流器還有冷卻風扇和過熱保護裝置等。
普通變壓整流器輸入濾波器通常為L或π型LC濾波器,其作用是減小變壓器工作時對交流電源的影響。
變壓器的作用是將115/220 V、400 Hz交流電變換成低壓交流電,其質量占到了整個變壓整流器重量的一半。為了降低重量,鐵心通常採用高飽和磁感應和低損耗的鐵磁材料。
二極體整流電路的主要作用是將低壓交流電整流成28 V低壓直流電,根據變壓器和整流器的線路連線方式,整流電路可以分為三相半波整流、三相全波整流和六相全波整流等類型。
輸出濾波器的作用是對輸出的脈動直流電進行濾波,以減小脈動,獲得理想的直流電。
變壓整流器輸出電壓U與負載電流I的關係稱為變壓整流器的外特性,如下圖所示。從外特性上可以看出,輸出電壓與輸入電壓有關,同時也與負載電流有關,隨著負載電流的增大而減小,初始部分電壓變化較劇烈。所以在使用普通變壓整流器時,一般應接入一個很小的固定負載,從而可避開變化較劇烈的初始部分,以保持電壓穩定。
變壓整流器的外特性電子式變壓整流器
電子式變壓整流器實際上是一種具有隔離功能的直流變換器,由輸入LC濾波器、輸入橋式整流電路、直流濾波電路、高頻逆變器、降壓變壓器和輸出整流濾波電路及控制和保護電路等組成。
其原理是先將高壓交流電轉換成高壓直流電,然後逆變成高頻交流電,通過降壓變壓器降壓成低壓交流電,然後通過整流及濾波電路輸出低壓直流電。
電子式變壓整流器利用逆變電路改變了交流電的頻率,故變壓器體積、質量小。又因為逆變器可以調節輸出電壓,因此輸出電壓不受負載及輸入電源電壓的影響。
電子式變壓整流器變壓整流器特點
1、冷卻方式分為自冷戶外式、風冷、水冷、油浸水冷等可按工藝要求選擇。
2、三相集成觸發控制板採用日本技術,具有多重保護措施,是一切新穎高效抗干擾強沖觸發電路,性能非常先進;設備設有過電壓、欠壓、過電流、水壓降低、元件溫度過高、缺相等保護環節及相應故障報警的功能。
3、產品櫃體可採用電腦標準化設計,箱體整體密封設計,結構上採取了防鹽霧酸化的措施,局部採取塑膠件結構,既防腐又美觀,同時又基本上克服了大電流磁場渦流發熱的影響,而且設備的損耗小,效率高。
4、可實現遠控箱遠程控制和中安集中控制,根據用戶的要求採用PLC可程式控制器實現繼電操作、保護工藝過程的自動化。
5、具有自動計時功能,可以更好的實現列鍍層厚度、硬度、耐磨性等質量上的控制,可根據用戶的工藝要求增加不同的功能;具有軟啟功能,防止啟動時的瞬間電流對整流器造成損傷,及避免工件燒焦。

