概述
隨著電力電子裝置的廣泛使用,非線性負荷不斷增加,電網中的諧波含量也不斷上升,諧波污染對電力系統安全、穩定、經濟運行構成潛在威脅,給周圍電氣環境帶來極大影響。如:消耗電力系統的無功儲備;增加輸電線損耗;增加了電機的附加諧波損耗,使其發熱,縮短使用壽命;使電能測量產生較大誤差;造成重要的和敏感的自動控制和保護裝置工作紊亂,誤動和拒動的現象增加,導致可靠性下降等。
SCD-XB-1諧波線上監測裝置是我公司新一代產品,能夠實時監測和分析電網中母線及線路的電壓和電流的基波及2~21次諧波,可對諧波越限給出報警,並通過RS485或RS232通信接口將數據上傳至後台監控系統,滿足用戶對電能質量的監測要求。
本裝置廣泛適用於380V至220kV各電壓等級的發電廠、變電站、石油、煤礦、鋼鐵、冶金、化工等大型廠礦企業的供電系統。
功能及特點
採用先進的工業級中央處理器,運算速度快、工作狀態穩定、抗干擾性能強。裝置採用頻率自動鎖定技術,當系統頻率發生變化後,裝置仍能得出正確的分析結果。
基於快速傅立葉變換原理,運算結果快速準確,可對電力線路的基波及2至21次諧波電壓、電流、總諧波畸變率進行日常監測。
監測方式靈活,可通過設定採樣間隔和連續越限次數來避開暫態越限。
報警條件可根據實際需要選擇總諧波畸變率越限報警、電壓和電流的某次諧波值越限報警,限值可修改。
越限時自動列印相關信息,並通過通信接口上傳數據。
人機界面友好,漢字顯示,操作簡單、直觀。
裝置可記錄30條越限記錄。
技術參數
環境要求
戶內使用,通風應良好。環境溫度:-10℃~+50℃
相對濕度:小於90%,表面無凝露。
大氣壓力:80~110Kpa。
海拔高度:<2000m。
周圍介質無導電塵埃與導致金屬或使絕緣損壞的腐蝕性氣體、黴菌等。
技術參數
工作電源:AC/DC220V(如有特殊要求請在訂貨時說明),功耗≤20W。信號的測量範圍:電壓:5~120V;PT迴路功耗0.5VA/相。電流:0.25A~5A;CT迴路功耗0.5VA/相。
報警節點容量:AC250V,5A;DC30V,5A。
通信接口:RS232/485(任選其一,請在訂貨時說明),波特率1200~9600bps。
通信規約:內置三種通信規約CM90、CDT、MODBUS。
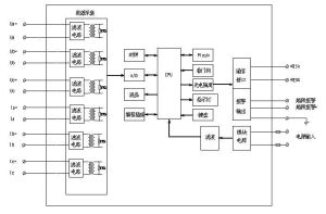
硬體原理框圖
諧波線上裝置硬體原理框圖 質量保證及服務
質量保證
產品出廠後,在用戶完全遵守本產品說明書規定的運輸、貯存、安裝和使用要求的情況下,產品自出廠之日起一年內,如發現產品及其配套件發生非人為損壞,製造廠負責免費修理或更換。訂貨須知
產品型號、名稱及訂貨數量。裝置的工作電源額定值。
系統的電壓等級。
通信接口形式。
其他特殊要求。

