工作原理
觸摸式延時開關有一個金屬感應片在外面,人一觸摸就產生一個信號觸發三極體導通,對一個電容充電,電容形成一個電壓維持一個場效應管管導通燈泡發光。當把手拿開後,停止對電容充電,過一段時間電容放電完了,場效應管的柵極就成了低電勢,進入截止狀態,燈泡熄滅。
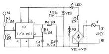
觸摸式延時開關電路虛線右面是普通照明線路,左部是電子開關部分。VD1~VD4、VS組成開關的主迴路,IC組成開關控制迴路。平時,VS處於關斷狀態,燈不亮。VD1~VD4輸出220V脈動直流電經R5限流,VD5穩壓,C2濾波輸出約12V左右的直流電供IC使用。此時LED發光,指示開關位置,便於夜間尋找開關。
IC為雙D觸發器,只用其中一個D觸發器將其接成單穩態電路,穩態時1腳輸出低電平,VS關斷。當人手觸摸一下電極M時,人體泄漏電流經R1、R2分壓,其正半周使單穩態電路翻轉,1腳輸出高電平,經R4加到VS的門極,使VS開通,電燈點亮。這時1腳輸出高電平經R3向電容C1充電,使4腳電平逐漸升高直至暫態結束,電路翻回穩態,1腳突變為低電平,VS失去觸發電壓,交流電過零時即關斷,電燈熄滅 。
觸摸延時開關按鈕觸摸開關
觸摸延時開關按動按鈕開燈後,電路能自動延時關燈,電路如圖二所示。D1為開關所在的安裝位置做指示,D2~D5組成橋式整流,將50Hz的的交流電整流為100Hz的脈動直流電壓,按下K1,電流經過R3限流後通過D6為C1充電,同時V1的控制極得到觸發電壓,V1導通,燈泡點亮。鬆手後K1自動復位斷開,C1開始放電,為V1的控制極繼續提供觸發電壓,V1繼續導通,燈泡繼續亮,當C1兩端電壓低於0.7V時, V1控制極失去有效的觸發電壓,此時V1陽極的脈動電流到0點時,與陰極電壓相等而關斷,燈泡熄滅,這就是單向可控矽的“過0關斷”。調整R2的阻值,使C1有效放電時間達到40~60秒鐘最好。圖三電路多了一隻用三極體組成的反相器,利用C1充電時間做燈泡點亮的延時時間。平時,Q1由R2提供偏壓而飽和導通,使V1控制極失去有效觸發電壓,燈泡熄滅。按下按鈕接通K1後,Q1基極為0V,Q1截止,V1控制極得到觸發電壓而導通,燈泡點亮,接通K1的同時,也為C1提供了放電的閉合迴路,C1放電很快完成。鬆手後,K1復位自動斷開,C1在R2限流下開始緩慢充電,此時Q1基極電壓小於0.7V而繼續截止。當C1兩端電壓≥0.7V時,Q1開始導通,使V1失去觸發電壓而過0關斷,燈泡熄滅。R2的阻值和C1的容量,決定延時的時間長短。
元器件選擇
IC應採用CMOS數字積體電路CD4013,它為雙D觸發器,本電路里只使用它的一半,另一個D觸發器懸空。VS用2N6565、MCR100-8等小型塑封單向晶閘管,可控制100W以下任何照明電路。VD1~VD4為1N4004~1N4007型整流二極體。LED可用普通紅色發光二極體,電阻均為RTX型1/8W碳膜電阻器。C1、C2用CD11-16V型電解電容器,C3為瓷片電容器。
製作與使用
這裡介紹一個簡單實用的觸摸延時開關電路,它具有簡單、廉價、性能好等特點,很適合愛好者自行製作。 電路原理:
延遲開關電路見圖D1--D1,SCR 組成開關的主迴路,BG1,BG2 等組成開關的控制迴路。
延時開關的印刷電路板圖平時,BG1,BG2 均處於截止狀態,SCR 阻斷,電燈 H 不亮。此時220V交流電經 D1--D4 整流、R3 和DW 使 LED 發光,用作夜間指示開關位置。這時流過H的電流僅 2mA 左右,不足使電燈 H 發光。需要開燈時,只有用手指摸一下電極片 M,因人體泄露電流經 R5,R6 注入 BG2 的基極,BG2 迅速導通。BG2 集電極為低電平,BG1 也隨之導通,因此有觸發電流經 BG1 注入 SCR 的控制極使 SCR 開通,電燈 H 就通電發光。在 BG2 導通瞬間,C1 通過 BG2 的 c-e 極間被並聯在 DW 的兩端,因此被迅速充上約 12V 左右的電壓。電燈點亮後,人手離開 M,雖然 BG2 恢復截止狀態但由於 C1 所存儲的電荷通過 R1 向 BG1 發射結放電,使 BG1 依然保持導通狀態,所以電燈繼續發亮。當 C1 電荷基本放完後,BG1 恢復截止態,SCR失去觸發電流,當交流電過零時,SCR 關斷,電燈熄滅。
開關延遲時間主要由電阻 R1,R2 和電容 C1 的數值決定,下面提供一組實驗數據供大家參考。如要進一步增大延時時間,可加大 C1 容量。除上述主要因素外,BG1 的放大倍數以及 SCR 的觸發靈敏度對延時時間也有影響。
觸摸片採用馬口鐵製作,並焊接一隻2MΩ1/8W電阻,再引線到電路。開關的延時時間主要由R3、C1數值決定,圖示數據約1分鐘左右。若增大或縮短延時時間,可以增大或減小R3及C1數值。
注意:本電路與市電直接相接,在調試過程中要十分注意,以免觸電。有條件的朋友,可以先用隔離變壓器把市電隔離,再進行調試。電阻 R6 的引線要短,一頭直接焊在電極片 M 的背面,另一頭焊上一跟軟線,再接到印板上的 R5。採用兩個高阻值電阻的目的是為了確保使用者的絕對安全。
印製電路板的製作方法很多,業餘條件下可採用油漆描板、刀刻、不乾膠貼上、熱轉印製板等方法,下面以不乾膠制板為例進行說明。
1、將敷銅板裁成電路圖所需尺寸(47mm×32mm)並進行清潔處理。
2、將圖5-1-2的印板圖繪於不乾膠紙上(可以進行複印或掃描後列印)。
3、將繪好圖案的不乾膠緊貼到敷銅板上,充分壓實。
4、用刻刀刻透貼面層,形成所需電路,揭去非電路部分,清理掉留下的殘膠。
5、用三氯化鐵腐蝕電路板,腐蝕溫度可在60℃左右進行,腐蝕速度較快,溫度低,則腐蝕時間較長。
6、腐蝕好的電路板用清水沖洗乾淨,按圖案上的轉孔位置打好孔,揭去電路板上的不乾膠。
7、用細砂紙將電路板打磨光亮後塗上松香酒精溶液以備使用。
適用範圍
觸摸延時開關廣泛用於適用於樓梯間、衛生間、走廊、倉庫、地下通道、車庫等場所的自控照明,尤其適合常忘記關燈,關排氣扇場所,避免長明燈浪費現象,節約用電。功能特點:1、使用時只需觸摸開關的金屬片即導通工作,延長一段時間後開關自動關閉。2、套用控制,開關自動檢測對地絕緣電阻,控制更可靠無誤動作。3、無觸點電子開關,延長負載使用壽命。4、觸摸金屬片地極零線電壓小於36V的人體安全電壓,使用對人體無害。5、獨特的兩制設計,直接代替開關使用,可帶動各類負載(日光燈、節能燈、白熾燈、風扇等)

