振動式自動螺母輸送設備
螺母輸送機的全稱為:振動式自動螺母輸送設備
一般與焊接設備配套使用,例如汽車製造廠需要在鋼板上焊接螺母,如果是用人手輸送的話,首先效率較低,最重要的是會因操作失誤是產生重大的安全事故,如還沒完全鬆開手時就進行焊接,這時很容易把手指打斷。為了提高生產效率和杜絕此類的安全隱患,用能快速準確的螺母輸送機來代替人手方式裝配則是一個很好的解決方案。
只需將螺母輸送機的接線簡單的接入焊接控制器,工人只需進行一次操作即
國產先進螺母輸送機 關於螺母輸送機,比較成熟的有中國的深圳祥豐(XF),韓國的chowell,日本的矢島(在中國叫 電溶機電),德國的KWOLL,美國的welpart,其中國產的螺母輸送機價格相比國外的較為低廉,且質量、穩定性等方面與外國牌子有得一拼,而且某些關鍵部件方面還比進口的牌子要好,推薦選用國產的。支持民族工業嘛!
螺母輸送機的使用與特殊要求
螺母輸送機實際是為國標螺母輸送所使用的標準螺母輸送設備,對於不符合標準的螺母支持不好,容易卡螺母。當然非標的螺母一樣可以輸送但要求為:螺紋孔與周邊距離 偏差,螺母兩平面誤差及螺母周邊尺寸誤差最大不能超過0.2mm。對於自動化機械標準來說這已經是非常的寬鬆了。除標準以外的螺母一樣可以輸送,也稱為特殊型螺母(帶法蘭盤的螺母等)對這樣螺母的輸送一樣擁有標準範圍,這需要使用企業與生產企業進行技術協商。
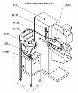
螺母輸送機的組成組成:機身、振動盤、輸送槍體、輸送管(料管),分配器,氣缸及控制器(包括程式)等所組成。
由振動盤振動,帶動螺母鏇轉,並按照振盤事先設定好的軌跡運動,篩選符合標準的螺母使之進入輸送管道,並由分配器進行分配定位傳輸螺母至輸送槍,由槍內頂桿將螺母送至指定工位,完成輸送過程。螺母輸送機通常與點焊機配合使用,當螺母通過槍內頂桿送到點焊機定位銷上時,頂桿自動收回,點焊機完成焊接動作。
隨著螺母國標的普及重視,螺母輸送機越來越受歡迎。對於使用點焊機的企業操作工人及企業更是樂意使用,這樣的自動化機械,人性化的產品,對於保護企業員工的安全,企業的形象,工作流程的標準制定,消除安全事故隱患及減少不必要的費用開支,起到了積極正面的作用。
在汽車及其零部件中,許多工件是通過螺母或者螺栓來進行連線的。針對目前採用的焊接設備存在的缺點,深圳市祥豐自動化設備有限公司推出了固定式點焊機螺母螺釘輸送機,很好地解決了點焊中螺母及螺栓的焊接與輸送的問題,實現了從螺母的輸送到焊機的焊接全過程自動化,並能方便地使輸送機和焊機接入生產流水線,若能與機器人配套使用,則還能實現無人化操作。
目前,在汽車製造業企業中,螺栓和螺母的焊接工作大都是採用固定式點焊機來完成的。凸焊螺母或螺栓則一般是由操作工人用手放入工件,然後再實施焊接。這種手工放置螺母或螺栓的操作方式存在著三大缺點:
1.安全性差:大家知道,在用固定式點焊機進行螺母或螺栓的凸焊時,一般焊接時的加壓力在300kg以上。而在用手放置螺母或螺栓時,極有可能因誤操作而導致焊機啟動,導致上電極迅速往下運動,稍有不慎,就會使手壓傷甚至殘廢。特別是在大批量生產時,操作人員免不了會產生疲勞而思想不集中,每年許多企業都會發生這類安全事故。
2.生產效率低:由於存在著安全隱患,操作人員在放置螺母或螺栓時,肯定會格外小心謹慎,這必然就會影響到生產效率。
3.無法實現自動化生產。
由此可見,這三大缺點嚴重地阻礙著現代汽車及零部件製造行業中實現安全、高效及自動化生產的要求,迫切需要有相關的產品和解決方案來解決這些實際問題。
無論您在焊接方面遇到什麼問題,請與我們聯繫,深圳市祥豐自動化設備有限公司將憑藉雄厚的技術實力竭誠為您服務,儘快為您找到解決問題的方法。本公司在以後發展的日子裡離不開您的支持和幫助,我們真誠的希望廣大新老客戶與我們相互合作共創輝煌!
主要特徵:
①振動盤有防反功能和低噪音設計
②高速度的分揀功能,保證螺母的輸送速度
③控制採用PLC和多位感測器組成全閉環自動功能,有力的保證設備的可靠性
④送料輸出準確達99%以上
⑤運動部件採用特殊材料保證輸送磨擦力好,磨損力少;降低使用成本
⑥任何規格形狀的螺母,我們都可以實現自動化輸送
⑦每分鐘輸送頻率可達30顆-60顆。
⑧適用於任何型號螺母。
螺母輸送機只要參數:
使用電源220V 最大輸入功率0.35KVA 電源頻率50HZ 振動盤最佳篩選速度50-100個/Min 對應螺母尺寸M4,M5,M6,M7,M8,M10,M12,輸送能力30-60個/Min
振動盤尺寸Φ250輸送角度30-50度進氣口插管尺寸Φ10輸送方式電磁式/滑軌式適合螺母外形四角、四方、六角、法蘭、圓型、圓柱型等
各種形狀設備最大外形尺寸390×460×1050整機重量40Kg螺母儲存量約2000個
螺母輸送機與點焊機搭配使用示意圖及輸送過程圖
螺母輸送機現場
螺栓機使用現場
螺母輸送機與點焊機配合使用示意圖
螺母輸送機輸送過程示意圖 
