簡介
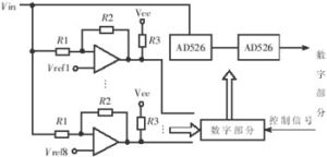
自動增益控制電路自動增益控制(automaticgaincontrol),使放大電路的增益自動地隨信號強度而調整的自動控制方法。實現這種功能的電路簡稱AGC環。AGC環是閉環電子電路,是一個負反饋系統,它可以分成增益受控放大電路和控制電壓形成電路兩部分。增益受控放大電路位於正向放大通路,其增益隨控制電壓而改變。控制電壓形成電路的基本部件是AGC檢波器和低通平滑濾波器,有時也包含門電路和直流放大器等部件。放大電路的輸出信號u0經檢波並經濾波器濾除低頻調製分量和噪聲後,產生用以控制增益受控放大器的電壓uc。當輸入信號ui增大時,u0和uc亦隨之增大。uc增大使放大電路的增益下降,從而使輸出信號的變化量顯著小於輸入信號的變化量,達到自動增益控制的目的。
方法
放大電路增益的控制方法有:
①改變電晶體的直流工作狀態,以改變電晶體的電流放大係數β。
②在放大器各級間插入電控衰減器。
③用電控可變電阻作放大器負載等。AGC電路廣泛用於各種接收機、錄音機和測量儀器中,它常被用來使系統的輸出電平保持在一定範圍內,因而也稱自動電平控制;用於話音放大器或收音機時,稱為自動音量控制。
AGC有兩種控制方式:一種是利用增加AGC電壓的方式來減小增益的方式叫正向AGC,一種是利用減小AGC電壓的方式來減小增益的方式叫反向AGC.正向AGC控制能力強,所需控制功率大被控放大級工作點變動範圍大,放大器兩端阻抗變化也大;反向AGC所需控制功率小,控制範圍也小。
作用
當輸入信號電壓變化很大時,保持接收機輸出電壓恆定或基本不變。具體地說,當輸入信號很弱時,接收機的增益大,自動增益控制電路不起作用;當輸入信號很強時,自動增益控制電路進行控制,使接收機的增益減小。這樣,當接收信號強度變化時,接收機的輸出端的電壓或功率基本不變或保持恆定。因此對AGC電路的要求是:在輸入信號較小時,AGC電路不起作用,只有當輸入信號增大到一定程度後,AGC電路才起控制作用,使增益隨輸入信號的增大而減少。
為實現上述要求,必須有一個能隨外來信號強弱而變化的控制電壓或電流信號,利用這個信號對放大器的增益自動進行控制。由上述分析可知,調幅中頻信號經幅度檢波後,在它的輸出中除音頻信號外,還含有直流分量。直流分量大小與中頻載波的振幅成正比,也即與外來高頻信號成正比。因此,可將檢波器輸出的直流分量作為AGC控制信號。

