簡介
現在電能計量的常用方法是電能脈衝計量法,即使電能錶轉盤每轉一圈便輸出一個或兩個脈衝,用輸出的脈衝數代替轉盤轉動的圈數,並將脈衝量通過計數器計數後輸入測控裝置,由CPU進行存儲、計算。除此以外還有比較少用的數字量輸入。
基本原理
圖1脈衝電能表原理圖現在電能計量的常用方法是電能脈衝計量法,即使電能錶轉盤每轉一圈便輸出一個或兩個脈衝,用輸出的脈衝數代替轉盤轉動的圈數,並將脈衝量通過計數器計數後輸入測控裝置,由CPU進行存儲、計算,如圖1所示。轉盤式脈衝電能表傳送的脈衝數與轉盤所轉的圈數即電能量成正比。將脈衝量數累計,再乘以係數就得到相應的電能量。為了對脈衝數進行累計,自動測控裝置中設有計數器,每收到1個脈衝,計數值加1。
質量檢查
在對脈衝進行計數時,要對脈衝質量進行檢查。正常情況下的脈衝有一定的寬度,如收到的脈衝過窄,寬度不合要求,一般是干擾脈衝,予以捨棄,如圖2所示。
在圖2 (a)中,由於①、②處採樣脈衝連續檢測為低電平,而③、④處採樣脈衝連續檢測為高電平,即對於正常脈衝,定時取樣連續測得脈衝為高電平的次數≥2,就確定為有效脈衝,計數器加1。
圖2 脈衝質量檢查在圖2 (b)中,①、②處連續採樣為低電平,但③、④處的採樣值不同,因而認為輸入的是尖峰干擾,不是有效的脈衝,計數器不予計數。
接線
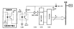
圖3 脈衝量計數電路原理接線圖圖3為典型的脈衝量計數電路原理接線圖。脈衝電能表所產生的脈衝上升沿,使脈衝電能表內部光電隔離器的二極體發光,三級管導通。此時,電能表+24V電源通過該三極體及微機系統模組中的電阻R使光電隔離器U38的二極體發光,三極體飽和導通。A點由高電平變為低電平。在脈衝電能表輸出過去以後,U38無電流通過,A點由低電平變為高電平。在這一過程中A點得到一個低電位脈衝,該脈衝通過U34(MCl4584)整形並反向輸出。B點的脈衝波形與脈衝電能表的相一致。此脈衝接入計數器U33(MCl4020),在MCl4020的輸出端得到脈衝數據。CPU控制U24(74LS244)的選通端,將計數值開放到數據匯流排。CPU讀入計數值後進行記錄、計算和存儲。
數字量輸入
有些表計能直接以二進制數碼輸出結果,如數字水位計、數字頻率計等。這些數字量只需經必要的電平匹配和隔離等環節即可經並行接口收入數據匯流排,而不必經A/D轉換了。因此,數字量的輸入電路與開關量輸入相似。
