簡介
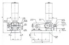
組成
羅茨風機由,機殼、牆板、葉輪、進出口消聲器等4大部分組成。
風機構造圖機殼:主要用來支撐牆板、葉輪、消聲器和固定的作用。
牆板:主要用來連線機殼與葉輪,並支撐葉輪的鏇轉,以及起到端面密封的效果。
葉輪:是羅茨風機的鏇轉部分,分兩葉和三葉,但由於三葉的比兩葉的出氣脈動小、噪聲小,運轉平穩等很多優點,已逐漸代替兩葉羅茨風機。
消聲器:用減小羅茨風機的進、出由於氣流脈動產生的噪音。
原理
羅茨風機是容積式風機的一種,有兩個三葉葉輪在由機殼和牆板密封的空間中相對轉動,由於,每個葉輪都是採用漸開線,或是外擺線的包絡線為葉輪加工型線,每個葉輪的三個葉片是完全相同,同時兩個葉輪也是完全相同的,這樣就大大降低了加工難度。葉輪在加工時採用數控設備,保證了兩個葉輪在中心距不變情況.下,不管兩個葉輪鏇轉到什麼位置,都能保持一定的極小間隙,保證氣體的泄露在允許範圍內。
兩個葉輪相向轉動,由於葉輪與葉輪,葉輪與機殼,葉輪與牆板之間的間隙極小,從而使進氣口形成了真空狀態,空氣在大氣壓的作用下進入進氣腔,然後,每個葉輪的其中兩個葉片與牆板、機殼構成了一個密封腔,進氣腔的空氣在葉輪轉動的過程中,被兩個葉片所形成密封腔不斷地帶到排氣腔,又因為排氣腔內的葉輪是相互嚙合的,從而把兩個葉片之間的空氣擠壓出來,這樣連續不停的運轉,空氣就源源不斷地從進氣口輸送到出氣口,這就是羅茨風機的整個工作過程。
特性
由於採用了三葉轉子結構形式及合理的殼體內進出風口處的結構,所以風機振動小,噪聲低。
葉輪和軸為整體結構且葉輪無磨損,風機性能持久不變,可以長期連續運轉。
風機容積利用率大,容積效率高,且結構緊湊,安裝方式靈活多變。
軸承的選用較為合理,各軸承的使用壽命均勻,從而延長了風機的壽命!
風機油封選用進口氟橡膠材料,耐高溫,耐磨,使用壽命長。
機種齊全,可滿足不同用戶不同用途的需要。
運行條件
1、輸送介質的進汽溫度通常不得大於 40℃。
2、介質中微粒的含量不得超過 100mg/m3,微粒最大尺寸不得超過最小工作間隙的一半。
3、運轉中軸承溫度不得高於 95℃,潤滑油溫度不高於 65℃。
4、使用壓力不得高於銘牌上規定的升壓範圍。
5、羅茨鼓風機葉輪與機殼、葉輪與側板、葉輪與葉輪間隙出廠時已調好,重新裝配時要保證該間隙。
6、羅茨鼓風機運行時,主油箱、副油箱油位必須在油位計兩條紅線之間。
7、檢查進出口聯接部位有無忘記堅固的地方,配管的支承件是否完備。需用冷卻水的鼓風機、真空泵要檢查冷卻水的安裝是否符合要求。
分類
羅茨鼓風機按照其工作方式的不同可以粗略分為單級與雙級之分,其中只有一個壓縮級的鼓風機,我們稱之為單級鼓風機,而將兩台單級鼓風機串聯起來,對氣體連續進行兩次壓縮的鼓風機我們稱之為雙級鼓風機。
按葉輪頭數分:兩葉羅茨鼓風機和三葉羅茨鼓風機;
按用途分:立窯鼓風機、氣化鼓風機、曝氣鼓風機等;
按介質種類分:空氣鼓風機、煤氣鼓風機、氫氣鼓風機、二氧化硫鼓風機等;
按傳動方式分:直聯鼓風機和帶聯鼓風機等;按冷卻方式分:空冷鼓風機、水冷鼓風機和逆流冷卻鼓風機等;
按結構型式分:立式鼓風機、臥式鼓風機、豎軸式鼓風機、密集成組鼓風機等;
按密封型式分:迷宮密封、漲圈密封、填料密封和機械密封等各種型式的鼓風機。
安裝調試
安裝
羅茨風機地基安裝圖羅茨風機由於是高速運轉的機器,所以會產生震動,又由於其內部空氣的脈動左右,也加大了羅茨風機的震動,所以羅茨風機的安裝時需要固定在地面上的。
根據風機型號不同,在地面按風機尺寸在對應的位置挖150*150mm見方300mm深的方坑,並埋入地腳螺栓,然後通過螺栓,螺母把風機連線起來,最後在方坑中填滿水泥混凝土,等混凝土固定之後,再用力把螺母擰緊,是風機底座和混凝土牢牢連線在一起,這樣就可以減小羅茨風機在運轉中的震動位移,提高了設備的運行安全性,並且由於減小了震動,從而也大大延長了風機的使用壽命。
注意事項:
1、不應把風機安裝在人經常出入的場所,以防受傷和燙傷。2、不應把風機安裝在易產生易燃、易爆及腐蝕性氣體的場所,以防火災和中毒等事故。
羅茨風機3、根據進排氣口方向和維修需要,基礎面四周應留有適當寬裕的空間。
4、風機安裝時,應察看地基是否牢固,表面是否平整,地基是否高出地面等。
5、風機室外配置時,應設定防雨棚。6、風機在不大於40℃的環境溫度下可長期使用,超過40℃時,應安裝排氣扇等降溫措施,以提高風機使用壽命。
7、當輸送空氣沼氣天然氣等介質,其含塵量一般不應超過100mg/m3。
調試
1、檢查各部位的緊固情況及定位銷是否有鬆動現象。2、鼓風機機體內部無漏油現象。
3、鼓風機機體內部不能有結垢、生鏽和剝落現象存在。
4、注意潤滑和散熱情況是否正常,注意潤滑油的質量,經常傾聽鼓風機運行有無雜聲,注意機組是否在不符合規定的工況下運行,並注意定期加黃油。
5、鼓風機的過載,有時不是立即顯示出來的,所以要注意進、排氣壓力,軸承溫度和電動機電流的增加趨勢,來判斷機器是否運行正常。6、拆卸機器前,應對機器各配合尺寸進行測量,做好記錄,並在零部件上做好標記,以保證裝配後維持原來配合要求。
7、新機器或大修後的鼓風機,油箱應加以清洗,並按使用步驟投入運行,建議運行8小時後更換全部潤滑油。
8、維護檢修應按具體使用情況擬訂合理的維修制度,按期進行,並作好記錄,建議每年大修一次,並更換軸承和有關易損件。
9、鼓風機大修建議由專業維修人員進行檢修。
使用操作
1、應對風機各部件全面進行檢查,機件是否完整,各螺栓、螺母的連線鬆緊情況、各緊固件和定位銷的安裝質量、進排氣管道和閥門安裝質量等。
2、為了保證鼓風機安全運行,不允許承載管道、閥門、框架等外加負荷。
3、檢查鼓風機與電動機的找中、找正質量。
4、檢查機組的底座四周是否全部墊實,地腳螺栓是否緊固。
5、向油箱注入規定牌號之機械油至油位線之中,潤滑油牌號為N220的中負荷工作齒輪油。
6、檢查電動機轉向是否符合指向要求。
7、在皮帶輪(聯軸器)處應安裝皮帶罩(防護罩),以保證操作使用的安全。
8、全部打開鼓風機進、排氣口閥門,盤動風機轉子,應轉動靈活,無撞擊和磨擦等現象,確認一切正常情況下,方可啟動風機進行試運轉使用。9、鼓風機空負荷試運轉
⑴新安裝或大修後的風機都應經過空負荷試運轉。
⑵羅茨鼓風機空負荷運轉的概念是:在進排氣口閥門全開的條件下投入運轉。
⑶沒有不正常的氣味或冒煙現象及碰撞或摩擦聲,軸承部位的徑向振動速度不大於6.3mm/s。
⑷空負荷運行30分鐘左右,如情況正常,即可投入帶負荷運轉,如發現運行不正常,進行檢查排除後仍需做空負荷試運轉。
10、鼓風機正常帶負荷持續運轉
⑴要求逐步緩慢地調節,帶上負荷直至額定負荷,不允許一次即調節至額定負荷。
⑵所謂額定負荷,系指進、排氣口之間的靜壓差,按銘牌上的標定壓力值。在排氣口壓力正常情況下,須注意進氣口的壓力變化,以免超負荷。
⑶風機正常工作中,嚴禁完全關閉進、排氣口閥門,應注意定期觀察壓力情況,超負荷時安全閥是否動作排氣,否則應及時調整安全閥,不準超負荷運行。
自動注入潤滑油⑷由於羅茨鼓風機的特性,不允許將排氣口的氣體長時間地直接回流入鼓風機的進氣口(改變了進
氣口的溫度),否則必將影響機器的安全,如需採取回流調節,則必須採用冷卻措施。
⑸要經常注意潤滑油的油量位置,定期檢查,並做好記錄,確保油量。可採用自動注入潤滑油的方式,進行羅茨風機的設備保養,如圖所示:
11、停車鼓風機不宜在滿負荷情況下突然停車,必須逐步卸負荷後再停車,以免損壞機器,關於緊急停車原則,用戶可另行擬訂細則。
⒓ 鼓風機的安全運行及使用壽命,取決於正確而經常地維護和保養,並應注意任何事故的苗子,除了要注意一般性維修規程外,對下述各點要著重注意。
運行檢查
1、開機前檢查:
(1)檢查螺栓、螺母的連線鬆緊情況。
(2)檢查減速機潤滑狀況,使油麵處於油標中心位置。
(3)檢查皮帶張力和皮帶輪偏正。
(4)檢查電源的電壓和頻率;
(5)檢查各儀表是否正常,如有異常及時通知維修人員更換。
(6)將管道上的主閥門、需要運行的風機出口閥門打開,其它未運行的風機出口閥門處於“關閉”狀態,避免風機超負荷運轉,機器受損。
2、開機中檢查:
(1)如果需要風機運行“工頻”時,則只需要把電控箱上相應的鼓風機開關打到“工頻”檔,然後按下“啟動”按鈕即可,其他風機的開關和變頻器的開關打到“停止”,注意在按下“啟動” 按鈕之前一定要檢查一下運行的風機出口閥門是否打開,按下的“啟動” 按鈕的風機與實際運行的風機是否一致。
(2)如果需要風機運行“變頻”時,把變頻器的開關打倒“啟動”按鈕,然後把電控箱上相應的鼓風機開關打到“變頻”檔後即可,注意其他風機的開關處於“停止”,在把開關打到“變頻”檔之前一定要檢查一下運行的風機出口閥門是否打開,按下的“變頻” 按鈕的風機與實際運行的風機是否一致。
(3)待風機正常運轉後(一般需要1分鐘時間),然後將排氣閥慢慢的關閉,以免由於關閉過快,造成風機瞬時電流過大燒壞電機。
3、運行中檢查:
(1)調節接觸氧化池的進風口閥門,使之均勻曝氣;
(2)溶解氧控制在2~4mg/L(通過溶氧儀讀出)。
(3)運行初期由於潤滑油的粘滯而有噪音和電流過高的情況,運行10~20分鐘可自行消失。
(4)流量大小不能通過開關閥門來調整。該風機是容積形壓縮機,通過調整轉速來改變流量和軸功率;
(5)壓力表開關處於常閉狀態,如需測定壓力時可將壓力表開關打開。
(6)同一機型噪音也有差異,因為風機在機械室內的位置及配管情況不同會造成噪音的差異。
4、關機檢查:
(1)慢慢打開“排氣閥” 至全開。
(2)按下電控箱上的“停止”按鈕。
故障處理
1、葉輪與葉輪摩擦
羅茨風機⑴ 葉輪上有污染雜質,造成間隙過小;
⑵ 齒輪磨損,造成側隙大;
⑶ 齒輪固定不牢,不能保持葉輪同步;
⑷ 軸承磨損致使游隙增大。
⑴ 清除污物,並檢查內件有無損壞;
⑵ 調整齒輪間隙,若齒輪側隙大於平均值30%~50%應更換齒輪;
⑶ 重新裝配齒輪,保持錐度 配合接觸面積達75%;
⑷ 更換軸承;
2、葉輪與牆板、葉輪頂部與機殼
⑴ 安裝間隙不正確;
⑵ 運轉壓力過高,超出規定值;
⑶ 運轉溫度過高;
⑷ 機殼或機座變形,風機定位失效;
⑸ 軸承軸向定位不佳。
⑴重新調整間隙;
⑵查出超載原因,將壓力降到規定值;
⑶檢查安裝準確度,減少管道拉力;
⑷檢查修復軸承,並保證游隙。
3、溫度過高
⑴ 油箱內油太多、太稠、太髒;
⑵ 過濾器或消聲器堵塞;
⑶ 壓力高於規定值;
⑷ 葉輪過度磨損,間隙大;
⑸ 通風不好,室內溫度高,造成進口溫度高;
⑹ 運轉速度太低,皮帶打滑。
⑴ 降低油位或挾油;
⑵ 清除堵物;
⑶ 降低通過鼓風機的壓差;
⑷ 修復間隙;
⑸ 開設通風口,降低室溫;
⑹ 加大轉速,防止皮帶打滑。
4、流量不足
⑴ 進口過濾堵塞;
⑵ 葉輪磨損,間隙增大得太多;
⑶ 皮帶打滑;
⑷ 進口壓力損失大;
⑸ 管道造成通風泄漏。
⑴ 清除過濾器的灰塵和堵塞物;
⑵ 修復間隙;
⑶ 拉緊皮帶並增加根數;
⑷ 調整進口壓力達到規定值;
⑸ 檢查並修復管道。
5、漏油或油泄漏到機殼中
⑴ 油箱位大高,由排油口漏出;
⑵ 密封磨損,造成軸端漏油;
⑶ 壓力高於規定值;
⑷ 牆板和油箱的通風口堵塞,造 成油泄漏到機殼中。
⑴ 降低油位;
⑵ 更換密封;
⑶ 疏通通風口,中間腔裝上具有2mm孔徑的鏇塞,打開牆板下的鏇塞;
6、異常振動和噪聲立即停車
⑴ 滾動軸承游隙超過規定值或軸承座磨損;
⑵ 齒輪側隙過大,不對中,固定不緊;
⑶ 由於外來物和灰塵造成葉輪與葉輪,葉輪與機殼撞擊;
⑷ 由於過載、軸變形造成葉輪碰撞;
⑸ 由於過熱造成葉輪與機殼進口處磨擦;
⑹ 由於積垢或異物使葉輪失去平衡;
⑺地腳螺栓及其他緊固件鬆動。
⑴ 更換軸承或軸承座;
⑵ 重裝齒輪並確保側隙;
⑶ 清洗鼓風機,檢查機殼是否損壞;
⑷ 檢查背壓,檢查葉輪是否對中,並調整好間隙;
⑸ 檢查過濾器及背壓,加大葉輪與機殼進口處間隙;
⑹ 清洗葉輪與機殼,確保葉輪工作間隙;
⑺ 擰緊地腳螺栓並調平底座。
7、電機超載
⑴ 與規定壓力相比,壓差大,即背壓或進口壓力大高;
⑵ 與設備要求的流量相比,風機流量太大,因而壓力增大;
⑶ 進口過濾堵塞,出口管道障礙或堵塞;
⑷ 轉動部件相碰和磨擦(卡住);
⑸ 油位太高;
⑹ 窄V型皮帶過熱,振動過大,皮帶輪過小。
⑴ 降低壓力到規定值;
⑵ 將多餘氣體放到大氣中或降低鼓風機轉速;
⑶ 清除障礙物;
⑷ 立即停機,檢查原因;
⑸ 將油位調到正確位置;
⑹ 檢查皮帶張力,換成大直徑的皮帶輪。
8、壓力不足
(1)由於風機長期運行,可能是皮帶打滑,使轉速降低;
(2)可能是設備出廠前對壓力的校準不準確;
(3)可能客戶要求不清晰,出現加工錯誤;
(4)管道有泄漏;
(5)放風閥設定的過大;
(6)安全閥的安全壓力設定的過低;
預防維護
泵腔防腐保護
金屬腐蝕的形態,可分為全面(均勻)腐蝕和局部腐蝕兩大類。前者較均勻的發生在風機的全部表面,後者只是發生在局部。例如孔蝕、縫隙腐蝕、晶間腐蝕、應力腐蝕破裂、腐蝕疲勞、氫腐蝕破裂、磨損腐蝕、脫層腐蝕等。特別是石油、化工行業以及海洋大氣環境尤為突出。
針對羅茨風機腐蝕的問題,更換設備部件是企業通常採用的方法,但設備受材質及加工工藝等方面的影響,普遍價值高,例如搪玻璃設備、聚四氟部件、鈦材等高值金屬材料等。採用高分子複合材料實施表面有機塗層防腐是有效的防腐蝕措施之一,目前國內套用較為成熟的有福世藍系列。表面粘塗保護可廣泛套用於磨蝕、氣蝕、腐蝕部位的修復和預保護塗層,其具有良好的耐化學性能及優異的力學性能和粘接性能,與傳統的壓力容器焊接修補相比,具有施工簡便、成本低、安全性能,修復效果好的特點。
轉子軸鍵槽損傷
因為受設備運行環境等因素的影響,羅茨風機經常出現軸頭、鍵槽磨損損壞現象,問題出現後,按照傳統方法要補焊或刷鍍後機加工修復。但是補焊高溫產生的熱應力無法完全消除,容易出現彎曲或斷裂;電刷鍍受塗層厚度限制,容易剝落。而且以上方法都是用金屬修復金屬,無法改變“硬對硬”的配合關係,在各種力的綜合作用下,仍會造成再次磨損。
採用高分子複合材料,可免機加工快速有效修復軸承室磨損。既無補焊熱應力影響,修復厚度也不受限制,同時產品所具有的金屬材料不具備的退讓性,吸收設備的衝擊震動,並且可使配合面100%接觸,避免了再次出現磨損的可能。
殼體裂紋治理
羅茨風機部件因鑄造、加工缺陷或內應力、超負荷運行等原因經常導致設備部件出現裂紋或斷裂現象,常規的修複方法是採用焊接。焊接常常會導致零件產生熱變形或熱應力,特別是薄壁件,而且有的零件材質是鑄鐵、鋁合金、鈦合金一類難焊材料。還有一些易於發生爆炸危險的場合,如石化行業等,更不易採用焊接修複方法。 美嘉華技術是一種“冷焊”技術,可以避免熱應力變形,同時材料良好的附著和抗壓、抗腐蝕等綜合性能,可以最大限度地滿足各種設備部件的使用要求,從而在最低成本的投入下有效保證生產。安全、方便、可靠。
油封漏油
由於羅茨風機運行過程中滲油嚴重,給安全生產帶來眾多弊端,傳統方法是需要長時間停機拆卸更換密封墊和處理結合面,在設備運行中想要實現有效的治理,傳統方法不可能實現。邁特雷超級密封劑&潤滑劑,具有超強的自潤滑性能,減小嚙合部位的間隙,有效緩解設備噪音及動密封部位的滲漏油問題。超級潤滑劑是一種油品添加劑,不會對油品造成污染或使油品變質,在不停機情況下給企業解決了生產中的安全隱患,為企業節約了高額的維修或更換成本。
溫度過高處理辦法
⑴ 油箱內油太多、太稠、大髒;
⑵ 過濾器或消聲器堵塞;
⑶ 壓力高於規定值;
⑷ 葉輪過度磨損,間隙大; ⑸ 通風不好,室內溫度高,造成進口溫度高;
⑹ 運轉速度太低,皮帶打滑。
⑴ 降低油位或挾油;
⑵ 清除堵物;
⑶ 降低通過鼓風機的壓差;
⑷ 修復間隙;
⑸ 開設通風口,降低室溫;
⑹ 加大轉速,防止皮帶打滑。
節能減耗
節能
羅茨風機的風壓是不受風機轉速限制的,不論轉速變化如何其風壓可以保持不變。而風量則與風機轉速成正比的,即Q=KN
Q:表示風量 N:表示風機轉速 K:為係數
從公式可知,風量調節,完全由變頻器改變電機頻率達到無級變速,起到調節風量的效果。根據現場套用工藝風機的最低頻15HZ,通常在35HZ左右,有個別時刻50HZ滿風量運行,由於立窯工藝基本是一致的,因此在不同的立窯風量調節量是基本相同的,凡立窯套用變頻技術都可以獲40%左右的節能效果。
羅茨鼓風機個恆轉矩負載,其節電率與轉速降成正比即N%=△N%,雖然不同於一般風機、水泵節電率更高,但因它的功率較大,而且只要爐牆不壞,是連續24小時工作的,並開動時間亦很長。因此節電潛力大,節電費用高。
羅茨鼓風機進行技術改造後,改變了過去以調節出口(進口)閥門開度方式來調節風壓或風量的生產方式,勞動強度減輕,調節的及時性好,提高了產品的合格率,單耗明顯下降。
減耗
羅茨風機的安全運行及使用壽命,取決於是否經常正確地維護和保養,並應注意任何事故苗子,如果長時間的不使用三葉羅茨風機,就要切斷其機體上的所有電源,把其放置在一個通風乾燥的地方,這樣就可以有效地避免機體在長期的不使用中而產生的生鏽等現象。此外在羅茨風機的使用過程中要定期對其進行上油,只有這樣才能最大限度地保證三葉羅茨風機運轉的靈活性。
除了這樣做之外,平時還要注意以下幾點:
1. 檢查羅茨風機各部位的緊固情況及定位銷是否鬆動現象,如有鬆動應抓緊固定。
2. 風機機體內部不能有結垢、生鏽和剝落現象存在。防止機體內部有滲油現象。
3.拆卸機器時應對機器各配合尺寸進行測量,做好記錄,並在零部件上做好標記與方向,以保證裝配且能保持原來的配合要求。
4.羅茨風機的過載有時不是立刻顯示出來的,所以要注意進排氣壓力、軸承溫度和電機電流的變化,藉以判斷機器是否運行正常。
5. 在正常條件情況下要求機組運行1000 小時必須更換潤滑油。 注意潤滑油冷卻情況是否正常,注意潤滑油的質量,經常傾聽羅茨鼓風機運行有無雜聲,注意機組是否在不符合規定工況下工作。
6. 新機器或大修後的羅茨風機,按使用步驟投入運行,建議運行8小時後更換全部潤滑油。日常保養很重要,小故障必須修復後再投入使用。

