簡介
線上數據採集系統結構圖線上數據採集系統主要包括:數據採集單片機分機、主機和無線數據傳輸模組、PC接口。結構方框圖如圖所示。採用點對多點的無線雙工工作方式。即當主機發出指定點採集數據的命令後,主機即轉換接收狀態;當定點的分機接收到命令後,進行數據採集,並將結果和分機的編號上傳給主機。
數據採集,又稱數據獲取,是利用一種裝置,從系統外部採集數據並輸入到系統內部的一個接口。數據採集技術廣泛套用在各個領域。比如攝像頭,麥克風,都是數據採集工具。
被採集數據是已被轉換為電訊號的各種物理量,如溫度、水位、風速、壓力等,可以是模擬量,也可以是數字量。採集一般是採樣方式,即隔一定時間(稱採樣周期)對同一點數據重複採集。採集的數據大多是瞬時值,也可是某段時間內的一個特徵值。準確的數據測量是數據採集的基礎。數據量測方法有接觸式和非接觸式,檢測元件多種多樣。不論哪種方法和元件,均以不影響被測對象狀態和測量環境為前提,以保證數據的正確性。數據採集含義很廣,包括對面狀連續物理量的採集。在計算機輔助製圖、測圖、設計中,對圖形或圖像數位化過程也可稱為數據採集,此時被採集的是幾何量(或包括物理量,如灰度)數據。
系統功能
系統可提供各路檢測數據曲線擬合功能,對電度參數進行日報、月報、統計造表;完成多通道的實時數據採集,數據處理,數據遞推超界報警功能,並可以對數據進行存貯以構成設備運行檔案;通過故障分析功能了解設備的運行狀態與發生故障的原因,以便及時採取處理措施;可對運行機組振動情況進行趨勢分析,預測設備可能發生故障的時間,以便根據情況安排檢修。
系統具有直觀的視窗圖形界面使用環境,可以對所有檢測點進行實時巡迴檢測、定時檢測、均值計算、上下線報警、列印、實時列印非正常值表。系統各參數設定,報警上下線範圍,採樣速率等均可通過填寫選單方式完成,利於用戶修改設定參數。
系統硬體設計
主機的電路原理
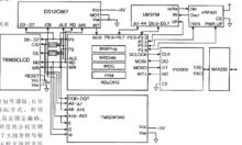
在電路設計過程中,為了增加存儲容量,增設了一個晶片。該晶片提供了8個獨立64KB模組,通過標準的微控制器將標準命令寫入命令暫存器,地址空間為000000H~07FFFFH。
主機的電路原理圖為了使人機接口方便直觀,電路中採用點陣圖形方式的LCD。該LCD內置了控制器,可以與單片機方便接口。C/D是指令/數據選擇控制,通過PS2000實現MCU套用系統與基於Pc機平台的網關接口。同時.為便於主機與分機實現點對多點的信息傳輸,系統採用了硬體編碼的方式,使用編碼器。每個分機給定固定編碼,主機發射一個碼值,對應碼值的分機實現信息傳輸。系統採用了無線發射與接收模組,實現無線信息傳輸。主機的電路原理圖如圖所示。
分機電路原理圖
分機的電路原理圖為了採集現場信號,利用前向通道對其微弱信號調理(包括阻抗匹配、濾波、直流隔離、放大等功能)。該部件採用了2片積體電路,分別實現信號放大和濾波功能。然後,由晶片的ALE腳進入系統。為了與主機進行信號通信,在分機中同樣也採用了硬體編碼方式。利用編碼器,每個分機給定固定編碼,主機發射一個碼值,對應碼值的分機實現信息傳輸。同樣,系統採用了無線發射與接收模組3,實現了與主機無線信息傳輸,分機的電路原理圖如圖所示。
系統體系結構
線上數據採集網路連線示意圖線上數據採集網路連線結構如圖所示,其中PLC……PLC是設備端的可程式控制器(PLC),套用系統通過數據採集接口程式採集設備端數據,接口程式直接向RSLinx伺服器傳送數據採集請求,RSLinx伺服器則通過DH485區域網路(LAN)和現場設備的PLC之間進行數據交換,用戶或套用軟體則通過Intranet/Internet到RSLinx伺服器獲得由數據採集接口程式採集的數據。
其中DH-485是一種常用於工業現場的區域網路技術,最大可連線32個設備,可連線包括可程式控制器、彩色圖形終端、PC等設備,DH-485鏈路和輔助的RS-232-C鏈路一起構成了DH-485網路。RSLinx是AB公司可程式控制器的伺服器軟體,為AB公司的PLC處理器與其他公司的軟體產品提供通信連線。通過RSLinx可在PC機上顯示整個網路的結構和各網路節點的工作狀態,通過RSLinx在人機界面和PLC編程軟體之間、在PLC編程軟體和對應的PLC的處理器之間建立通信連線。
信息傳輸
在系統中,主機可以隨時呼叫任一分機,傳送命令;分機也可以隨時呼叫主機,向主機提出請求。分機之間不能直接通信,只能通過主機交換信息。主機呼叫分機時採用中斷方式,只需調用主呼分機的子程式;分機程式以中斷服務形式給出,其入口地址為串列口中斷入口地址。這樣,當分機接收到的地址與本機地址符合時進入中斷服務程式,從而實現與主機相連。分機呼叫主機時,只需向主機傳送一約定的控制字,主機得到此控制字即回呼該分機,從而實現與該分機連線。
如圖分別為主機傳送、分機接收時主機與分機軟體流程圖。
主機傳送、分機接收時主機與分機軟體流程圖主機作為傳送者,向作為接收者的分機傳送數據。在這種模式下,數據傳送方向不變,即主機先傳送地址繼而傳送數據。
其中,主機軟體:
(1)當接口的特殊功能暫存器設定完成後,主機傳送一個START位和分機地址到SDATA線上。在這個模式下R/W狀態位被復位。如果主機沒有收到分機的確認,就傳送一個STOP位,錯誤位被置位而傳送中止。
(2)如果從機進行了確認,主機將傳送預先寫在主機外部數據存儲器中的數據。每傳送一位元組,分機都必須發出確認。收到確認後,主機將傳送下一個數據。任何時候如果分機沒能確認,主機就傳送一個STOP位,錯誤位被置位而傳送中止。
(3)當傳送計數BYTECNT=0時,就意味著最後一個要傳送的位元組已被送出,主機將傳送一個STOP位表示傳送結束。
分機軟體:
(1)當接口的特殊功能暫存器被設定好後,並且主機也傳送了一個START位,分機等待著接收第一個數據位元組(數據到達後將產生一個中斷)。一旦收到後,分機將該數據與自己的地址相比較;若匹配,分機傳送一個確認到線上,並將0R/W狀態位置位後等待數據(數據到達將產生一個中斷)。
(2)當主機發出一個數據位元組,分機將它存入自己的內部存儲器,傳送確認後,等待下一個數據位元組(後續數據的到達將產生一個中斷)。
(3)當分機收到最後一個位元組,接收位元組計數BYTECNT=0,此時,分機等待STOP位。一旦收到STOP,立即結束通信。
線上數據採集接口
隨著計算機通信和網路技術的發展,計算機在工業自動化領域發揮著越來越重要的作用。在工業現場,通常會採用各種智慧型儀器儀表,這些智慧型設備的現場運行數據可以通過網路直接高速地採集到套用軟體,從而將設備的運行狀態採到分布在不同地理位置套用系統,方便進行設備的狀態跟蹤、故障診斷等。
線上數據採集接口程式主要套用OPC數據訪問規範。OPC數據訪問規範主要解決伺服器端和客戶端的實時數據存取問題,OPC數據訪問規範中包含三類對象,即伺服器(Server)群組(Group)和數據項目(Item),三類對象的組織結構像普通檔案系統,其中伺服器與分區、群組與資料夾、項目與檔案一一對應,各個部分都有自己的屬性,同時負責管理其底層分支。接口程式主要通過以下幾個主要環節實現:
①搜尋OPC伺服器
②連線OPC伺服器。以上程式實現自動探索OPC伺服器,搜尋到OPC伺服器後,在搜尋到的OPC伺服器列表中選取並連線OPC伺服器:
③創建一個OPC的群組(Group)
④添加一個OPC項目(Item),一個OPC的項目(Item)對應PLC的一個地址,
⑤設定OPC群組(group)的通訊方式,若IsActive為True,則為OPC伺服器主動發數據,否則只有客戶端傳送讀取請求,才讀數據。
⑥讀取數據

