XVL立式振動電機
工作原理:
立式振動電機是動力源與振動源結合為一體的激振源,振動電機是在轉子軸兩端各安裝一組可調偏心塊,利用軸及偏心塊高速旋轉產生的離心力得到激振力。YZUL振動電機由電機本身運行產生易於調整的水平、垂直、傾斜等方向多元激振力,形成物料的快速平面分散、中心聚集、平面旋轉、三維旋轉等多種運動方式,用於控制排料速度、處理精度等機械性能指標,以其獨特的結構特點適應於不同的機械對振動源的要求。
特點:
在設計上精益求精,機械機構先進,耐振性能好,重量輕,體積小,激振力大且非常容易進行調節,採用單法蘭結構使得立式振動電機安裝維護方便,提高主機對物料的處理能力;外觀質量好,絕緣等級和防護等級高,能可靠套用於高塵高潮濕場所;電磁參數的設計符合振動電機的工作特性,起動更迅速,運行更平穩;選用名優廠家的特製耐振軸承,可靠性高,使用壽命長;電磁部位及軸承溫升在振動電機長時間連續運行時能得到有效控制,使得AVL立式振動電機具有特長使用壽命。
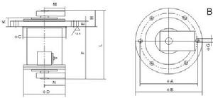
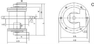
尺寸圖:
立式振動電機尺寸圖 構成:
立式振動電機由特製電機外加偏心重塊組成,偏心塊有半圓形、長方形等,可根據振動設備的作業要求進行不同的配置,產生用戶需要的振動效果,立式振動電機通電旋轉,帶動電機軸兩端的偏心重塊,產生慣性激振力,通過電機法蘭傳遞給振動電機,AVL系列立式振動電機分為2、4、6、8、級四種規格,振次分別為2870、1460、980、740RPM
激振力
Fm=mr ω 2
m-偏心塊質量
r-偏心塊質心迴轉軸心的距離,即偏心距
ω -電機旋轉角度頻率
ω= 2π n/60
n—振動電機振次
技術參數:




