工作原理
直流接地探測儀的工作原理是在接地母線與大地之間施加一個微小的特殊信號(該信號對保護、自動裝置沒有影響),其電流沿著接地點方向流動。用連線在手持器上的鉗子,朝接地電流方向查找,當接地電流突然消失的地方為接地點鄰近點。如在支路1上探測,沒有接地電流,或顯示電阻很高,表示該支路沒有接地。在支路2上探測,有較大的接地電流,或顯示電阻較低,表示該支路接地。在d點有接地信號,在e點沒有接地信號,表示接地點在d點。在整個查找過程中不需要斷電,從而實現了安全、快速查找。
圖1.接地探測原理圖設計背景
在電力系統運行維護過程中,直流系統接地故障的查找與處理常常令檢修人員無從下手而備感困難,有時要耗費一天甚至幾天的精力。直流接地大都發生在雷雨季節,一方面一次設備有可能發生故障,需要跳閘,一般不允許斷電源;另一方面,又擔心再發生直流接地,造成2點或2點以上接地,導致保護誤動或拒動。因而要求在不停電的情況下,快速找到接地故障點並加以排除。
一般跳閘線圈和出口中間繼電器等均接有負電,當出現直流正極接地時,有可能造成繼電保護裝置誤動作。如果這些迴路同時發生另一點接地或絕緣不良的情況,也會造成繼電保護裝置誤動作,甚至造成斷路器誤跳閘。此外,由於直流系統的兩點接地,還可能造成分、合閘迴路短路,可能燒壞繼電器的觸點,在設備發生故障時造成越級跳閘,使事故範圍擴大。
結構組成
手持探測器可分為信號發生部分和支路探測部分,硬體由電源模組、信號調理模組、AD轉換模組、LCD顯示模組、IrDA通信模組和語音提示模組組成。其硬體結構圖見圖2所示 。
圖2.探測器硬體結構圖信號發生部分
信號發生部分是將直流系統電壓通過分壓後進入AD採集,採集的信號經過光耦隔離後傳至單片機,單片機分析電壓信號後計算接地電阻大小,判斷是否接地,如果接地則通過繼電器選擇平衡電阻的大小,並將交替將平衡電阻接到直流系統的電源正、負和地之間。該部分的難點在於如何確定輸出平衡電阻的大小,因為輸出的平衡電阻過大即導入到直流系統的接地電阻過大,這將引起直流系統的不穩定;輸出的平衡電阻過小,則探測器部分檢測到的信號太小,不足夠做出判斷。一般經驗取值是探測器檢測部分檢測到的電流平均波動不能超過2mA。
支路探測部分
支路探測部分中直流鉗表將支路電流信號送入AD採集單元,通過CPU運用小波分析方法,將被測電流的變動周期計算出來,如果和信號發生器發出的低頻信號相同頻率,則可以肯定該支路中存在對地漏電阻,然後統計被測電流的波動大小,估算出漏電阻的大小。
可探測故障形式
單回線供電接地
單回線供電接地較簡單,如圖1所示。2號支路D點經過電阻R接地,造成負極電壓較低,查找方法如工作原理部分所述。
雙迴路供電接地
如圖3所示,當母聯開關合上時,就變為雙回線供電,在a點發生接地時,接地電流分別由2條並聯支路流過,最後集中在a點。雙回線供電可靠性高,但2條線的負荷電流是不確定的,採用雙鉗子查找接地,以抵消負荷干擾。
圖3.雙回線接地示意圖環網供電接地
大多數變電站的跳合閘迴路採用環網供電,以增加供電可靠性。如在環網線上a點經電阻R接地,則在環網線上任一點的接地電流都是相同的,單以接地電流大小來判斷,是無法找到接地點的,必須具有方向判別功能才能正確找到接地點。如圖4,b點與c點的電流相反,則之間的a點一定是接地點。
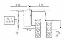
圖4.環網供電接地示意圖Ⅰ、Ⅱ段串電接地
Ⅰ、Ⅱ段串電一般是由施工造成的,有正極串電、負極串電以及正負極串電。 以圖5中Ⅰ、Ⅱ段負極串電為例,母聯開關斷開,2段分段運行。 當Ⅱ段負極發生接地時,用萬用表測量Ⅰ、Ⅱ段負極對地電壓均相等,且降低,表明Ⅰ、Ⅱ段串電接地。 用具有方向功能的ZJ3T手持器測量,其顯示方向指母線的迴路為串電,如圖中端子W102和W02迴路點,查接地點方法同前。
圖5.Ⅰ、Ⅱ段串電接地示意圖正、負極均等電阻接地
正、負極均等電阻接地後,正、負極對地電壓是平衡的,一些採用平衡橋原理的絕緣監測裝置無法發現直流接地故障,這給繼電保護裝置埋下了重大安全隱患。 如圖6所示,正、負極分別經a,b接地點(1kΩ電阻)接地,正、負極對地電壓均為110V,當跳閘繼電器的迴路再經c接地時,電流經過正極接地電阻啟動KTR跳閘繼電器,會誤跳斷路器。為了避免這種情況,要選用無動作死區的能直接測量電阻值的絕緣監測繼電器。 用ZJ3T查找直流接地時,相當於找2點接點,可以先找正極接地,處理後,再找負極接地。
圖6.正、負極均等電阻接地
