簡介
熱網是集中供熱系統的主要組成部分,擔負熱能輸送任務。熱網的系統形式取決於熱媒、熱源(熱電廠或區域鍋爐房等)與熱用戶的相互位置、供熱地區的熱用戶種類、熱負荷大小和性質等。選擇熱網系統形式應遵循的原則是安全供熱和經濟性。
蒸汽供熱系統
蒸汽作為熱媒主要用於工廠的生產工藝用熱上。熱用戶主要是工廠的各生產設備,較集中且數量不多,因此單根蒸汽管和凝結水管的熱網系統形式是最普遍採用的方式,同時採用枝狀管網布置。在凝結水質量不符合回收要求或凝結水回收率很低,敷設凝水管道明顯不經濟時,可不設凝水管道,但應在用戶處充分利用凝結水的熱量。對工廠的生產工藝用熱不允許中斷時,可採取複線蒸汽管供熱的熱網系統形式,但複線敷設(兩個50%熱負荷的蒸汽管道,替代單管100%熱負荷的供氣管)必然增加熱網的基建費用。當工廠各用戶所需要的蒸汽壓力相差較大或季節性熱負荷占總負荷的比例較大時,可考慮採用雙根蒸汽管或多根蒸汽管的熱網系統形式。
熱水供熱系統
在城市熱水供熱(暖)系統中,有為數眾多的建築物的用戶系統與熱水網路相連線,且供熱區域較大。因此,在確定熱水供熱系統形式時,應特別注意供熱的可靠性,當部分管段出現故障後,熱網具有後備供熱的可能性問題。
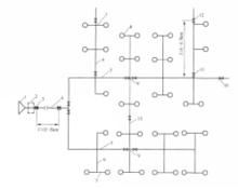
圖1枝狀管網圖1(1-熱源;2-主幹線;3-支幹線;4-用戶支線;5-用戶引入口)所示是一個供熱範圍較小的熱水供熱系統的熱網系統圖,其中雙管網路以單線表示,閥門未標出。管網採用枝狀連線,熱網供水從熱源沿主幹線2、分支幹線3、用戶支線4送到各熱用戶的引入口處,網路回水從各用戶沿相同線路返回熱源。
枝狀管網布置簡單,供熱管道的直徑隨距熱源越遠而逐漸減小;且金屬耗量小,基建投資小,運行管理簡單。但枝狀管網不具後備供熱的性能。當供熱管網某處發生故障時,在故障點以後的熱用戶都將停止供熱。由於建築物具有一定的蓄熱能力,通常可採用迅速消除熱網故障的辦法以使建築物室溫不致大幅度地降低。因此,枝狀管網是熱水管網最普遍採用的方式。
為了在熱水管網發生故障時,縮小事故的影響範圍和迅速消除故障,在與乾管相連線的管路分支處以及在與分支管路相連線的較長的用戶支管處,均應裝設閥門。
圖2 大型熱水供熱系統的熱網示意圖圖2(1-熱電廠;2-區域鍋爐房;3-閥門;4-分段閥門;5-主幹線;6-支幹線;7-用戶支線;8-熱力站;9~12-輸配幹線上的分段閥門;13-連通管)所示是一個大型的熱網系統示意圖。其中雙管網路以單線表示。熱網供水從熱源沿輸送幹線4、輸配幹線5、支幹線6、用戶支線7進入各熱力站8;網路回水從各熱力站沿相同線路返回熱源。熱力站後面的熱水網路通常稱為二級管網,按枝狀管網布置,它將熱能由熱力站分配到一個或幾個街區的建築物中。
自熱源引出的每根管線通常也採用枝狀管網方式。管線上閥門的配置基本原則與前相同。對大型管網,在長度超過2km的輸送幹線(無分支管的幹線)和輸配幹線(指有分支管線接出的主幹線和支幹線)上,還應配置分段閥門。《城市熱力網設計規範》規定:輸送幹線每隔2000~3000m,輸配幹線每隔1000~1500m宜裝設一個分段閥門。
對具有幾根輸送幹線的熱網系統,宜在輸送幹線之間設定連通管13(如圖2上虛線所示)。在正常工作情況下,連通管上的閥門關閉。當一根幹線出現故障時,可通過關閉幹線上的分段閥門,開啟連通管上的閥門,由另一根幹線向出現故障的幹線的一部分用戶供熱。連通管的配置提高了整個管網的供熱後備能力。連通管的流通量應按熱負荷較大的幹線切除故障段後,供應其餘熱負荷的70%確定。當然,增加幹線之間的連通管的數目和縮短輸送幹線兩個分段閥門之間的距離,可以提高網路供熱的可靠性,但熱網的基建費用要相應增加。
