工作原理
將煤製成粒度為3 -6mm 的試樣,裝入儀器的氣化室內,用同樣粒度的木炭引燃,在一定的鼓風強度下,使其氣化或燃燒,待試樣燃盡後,停止鼓風,冷卻後取出炭渣稱重,再經過6mm 篩孔的振篩,計算出大於6mm 的炭渣重占炭渣的百分數即為結渣率,以此評價煤的結渣性。術語
結渣率
試樣在規定的鼓風強度下進行氣化,其灰分因受反應熱的影響熔結成渣,其中大於 6mm 粒度的渣塊質量占總灰渣質量的百分數,稱為該試樣在此鼓風強度下的結渣率。鼓風強度
試樣在氣化或燃燒時,空氣通過爐柵截面的平均流速,以 m/s 表示。最大阻力
試樣在氣化或燃燒時,料層對氣流產生的最大阻力。反應時間
試樣在氣化或燃燒時,從點火開始到燃燒停止所經過的時間,以 min 表示。技術指標
1 、應配合鼓風機:風量≥ 12m 3 /h 風壓≥ 1000mmHg ;2 、煤樣粒度:3 -6mm
3 、裝樣量10000px 3 。
注意事項及備件
1 、煙氣室、空氣室及排煙管路應定期清理。2 、不經常使用時要注意防鏽。
3 、氣化室為易損件,本儀器不附備用件。
測定方法
應配設備:鼓風機:風量不小於12m3/h,風壓不小於49hPa(500mmH2O)。
馬弗爐:爐內加熱室不小於下列尺寸:高140mm,寬200mm,深320mm。爐後壁或上壁應有排氣孔,並配有溫度控制器。
工業天平:最大稱量1kg,感量0.01g。
在煤炭化驗中,可以根據其化驗的目的不同,與其他煤炭檢測設備配合使用
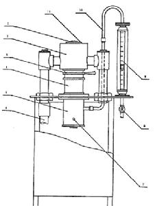
結渣性測定儀:如圖 1 所示。

1- 觀測孔; 2- 煙氣室; 3- 鎖緊螺筒; 4- 氣化筒; 5- 空氣室; 6- 煙氣排出口
7- 測壓孔; 8- 空氣針形閥; 9- 流量計; 10- 進氣管; 11- 頂蓋;
圖 1 結渣性測定儀
·鼓風機:風量不小於 12m 3 /h ,風壓不小於 49hPa ( 500mmH 2 O )。
·馬弗爐:爐內加熱室不小於下列尺寸:高 140mm ,寬 200mm ,深 320mm 。爐後壁或上壁應有排氣孔,並配有溫度控制器。
·工業天平:最大稱量 1kg ,感量 0.01g 。
·振篩機:往復式,頻率 240±20min -1 ,振幅 40±2mm 。
·圓孔篩:篩孔 3mm 和 6mm ,並配有篩蓋和篩底。
·U 型壓力計:可測量不小於 49hPa ( 500mmH 2 O )壓差。
·帶孔小鐵鏟:面積 100mm×100mm ,邊高 20mm ,底面有直徑 2 ~ 2.5mm 的孔約 100 個。
·鐵盤:用厚度 1 ~ 1.5mm 的鐵板製成,尺寸不應小於下列規定:長 200mm ,寬 150mm ,高 40mm 。底盤四角處有 20mm 的墊腳。
·木炭:無混入雜質的硬質木炭,粒度 3 ~ 6mm 。
·石棉板:厚 2 ~ 3mm 。
·小圓鐵桶:容積 10000px 3 。
·鐵漏斗:薄鐵皮製成。大口直徑 120mm ,小口直徑 45mm ,長徑 120mm 。
·板式毛刷 1 把。
·搪瓷盤: 4 個,長約 300mm ,寬約 200mm ,高約 30mm 。
·試樣的製備
·按 GB474 的規定,製備粒度 3 ~ 6mm 空氣乾燥試樣 4kg 左右。
·揮發分焦渣特徵小於或等於 3 的煤樣以及焦炭不需要經過破粘處理。
·揮發分焦渣特徵大於 3 的煤樣,按下列方法進行破粘處理。
·將馬弗爐預先升溫到 300℃ 。
·量取煤樣 20000px 3 (同一強度重複測定用樣量),放入鐵盤內,扒平,使其厚度不超過 150mm 。
·打開爐門,迅速將鐵盤放入爐內,立即關閉爐門。
·待爐溫回升到 300℃ 以後,恆溫 30min 。然後將溫度調到 350℃ ,並在此溫度下加熱到揮發物逸完為止。
·打開爐門,取出鐵盤,趁熱用鐵絲鉤攪松煤樣,並倒在振篩機上過篩。遇有大於 6mm 的焦塊時,輕輕壓碎,使其全部通過 6mm 篩子。取 3 ~ 6mm 粒度煤樣備用。
·測定步驟
·每個試樣均在 0.1 、 0.2 和 0.3m /s 三種鼓風強度下分別進行重複測定(對應於 0.1 、 0.2 、 0 .3m /s 流速的空氣流量分別為 2 、 4 、 6m 3 /h )。
·進行測定時,第一次取 10000px 3 試樣,並稱量(稱準到 0.01g )。其後測定用的試樣質量與第一次相同。
·稱取約 15g 木炭,放在帶孔鐵鏟內,在電爐上加熱至灼紅。
·將稱量後的試樣倒入氣化套內,扒平,放好墊圈裝在空氣室和煙氣室之間,用鎖緊螺筒固緊。
·開動鼓風機、調節空氣針形閥,使空氣流量不超過 50px 3 /h 。再將鐵漏斗放在儀器頂蓋位置處,把灼紅的木炭倒在試樣表面上,扒平。取下鐵漏斗,擰緊頂蓋,再仔細調節空氣流量,使其達到規定值。
在鼓風強度為 0.2 和 0.3m/s 進行測定時,應先使風量在 50px 3 /h 下保持 3min ,然後再調節到規定值。
·在測定過程中,隨時觀察空氣流量是否偏離規定值,並及時調節,記錄料層最大阻力。
·從觀察孔觀察到試樣燃盡後,關閉鼓風機,記錄反應時間。
·冷卻後取出全部灰渣,稱其質量。
·將 6mm 篩子和篩底疊放在振篩機上,然後把稱量後的灰渣移到 6mm 篩子內,蓋好篩蓋。
·開動振篩機,振動 30s ,然後稱出粒度大於 6mm 渣塊的質量。
·結果計算
結渣率按下式計算:
式中: Clin- 結渣率, % ;
G 1 - 粒度大於 6mm 渣塊的質量, g ;
G- 總灰渣質量, g 。
·重複性
每一試樣按 0.1 、 0.2 、 0 .3m /s 3 種鼓風強度作重複性測定, 2 次重複測定結果的差值不得超過 5.0% (絕對值)。
·測定記錄和結果處理
·結果性測定記錄,可參閱附錄 A 填寫各項數據。

·計算 2 次重複測定的平均值。按 GB483 規定的數據修約規則修約到小數後一位。
·在結渣性強度區域圖上(圖 2 ),以鼓風強度 0.1 、 0.2 和 0.3m/s 的平均結渣率繪製結渣性曲線。
