簡介
測量電路是測量被測信號的電路。在多線式電測儀中,用檢流計測量電位差大小的電路稱測量電路。被測的電位差值可按下述公式求得:△V=0.001 Kic×R×L,式中:K為檢流計系統的電流常數(μA/cm);R為測量線路的總電阻;L為光點偏轉的厘米數。從公式不難看出測量電路除包括檢流計系統外,主要是一套精密的電阻以適應被測電位差的變化範圍。此外,一般電阻率測井時,下井電流是低頻方波,因此測量線路中也應該有換向器,把低頻方波整流成脈動直流,經濾波後由檢流計記錄。在數字磁帶機測井系統和數控測井系統中,各種測井方法由於其測量特點和使用儀器的不同,測量電路也各有特點,其含義已不同於多線式電測儀的測量電路 。
測量電路也是感測器組成的一部分。隨著積體電路技術的發展,感測器的測量電路也逐漸開始集成晶片化。測量電路一般是需要輔助電源供電的。測量電路的選擇視轉化元件的類型而定,常採用的有電橋電路,脈寬調製電路,振盪電路,高輸入阻抗電路等。
電流測量電路
在進行電流測量時通常選用電流表,它們的指針偏轉反映的就是流經儀表的電流。為了擴大電流表的量程,通常在基本測量機構上並接分流電阻,以構成不同量程的電流表。
直流電流測量電路
電流的測量測量直流電流時通常選用磁電式直流電流表,在使用時要注意表的極性不要接反。在測量交流時若測量精度要求不高,可選用電磁式電流表,若測量精度要求高時則可選用電動式電流表。
測量某一支路的電流時,只有使被測電流流經電流表,電流表才能反映出這一電流的大小。因此在測量時,電流表必須串接到被測支路中(如圖所示)。考慮到電流表本身是具有一定電阻的,電流表的串入必然使被測支路的電阻增加,這又會影響被測電流,使其發生變化。為了使測量值能較為真實地反映出電流的原來值,就要求電流表的電阻R遠小於電路的電阻R,所以在選用電流表時除了要考慮儀表的等級精度外,還要考慮電流表的內阻,要求滿足R≪R,這樣才能獲得較為準確的測量結果,故電流表內阻越小越好。
測量電路測量某一支路的電流時,也可通過測量這一支路上某個電阻R兩端的電壓來間接測量電流。電壓和電流的關係,可由歐姆定律給出。被測支路上如果沒有合適的電阻,有時可在被測電路中接入一個小電阻,這個小電阻我們稱之為採樣電阻。在確定採樣電阻的阻值時要兼顧到電阻的接入不能對原電路產生太大的影響,以及輸出的電壓值不能太小這兩方面的因素 。
單相交流電流測量電路
單相交流電流測量電路如圖為單相交流電流的基本測量電路。圖(a)電流表直接接入測量,這時電流表A的示數為電路電流。圖(b)用於大電流的測量,電流表經電流互感器TA接入被測電路,電流表A的示數為I/K(K為電流互感器電流比)。一般情況下,所選用的電流表是配用專門電流互感器的,這時電流表A的示數為I(直接讀出)。在使用交流互感器時,不允許交流互感器二次側開路,否則會產生高壓,對人及電氣設備造成危害 。
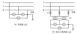
三相交流電流測量電路
三相交流電流測量電路圖為三相交流電流測量電路。圖(a)是3隻電流表接三相電源,接線時3隻電流互感器的一端必須接地,以保證人身和電氣設備的安全。圖(b)為2隻互感器接入3隻電流表,這種方法測量可省去1隻電流互感器 。
電壓測量電路
電壓表的構成
測量電路電壓表是由基本的測量機構(電流表頭)串聯一定的固定電阻構成的。如圖所示,電壓和電流的關係為。串接不同阻值的電阻就可構成不同量程的電壓表。和電流表類似,測量直流電壓時通常選用磁電式電壓表,測量交流電壓時通常用電磁式或電動式電壓表。
應注意,測量電壓時,電壓表應並接在被測電路中,以使電壓表的端電壓等於被測電壓。但考慮到電壓表本身的電阻R,電壓表並接到電路中相當於把一個電阻R並接到電路中,這必然會對電路中的各電壓、電流產生影響,使其發生變化。為了使測量值較為真實地反映電壓的原來值,就要求電壓表的電阻越大越好,使其滿足R≫R,這裡R是電路的等效電阻。所以要使電壓測量滿足一定的精度,除了要考慮儀表的測量誤差外,還要考慮儀表內阻對電路的影響 。
單相交流電壓測量電路
單相交流電壓測量電路圖為單相交流電壓測量的基本電路。圖(a)交流電壓表直接併入電路,這時電壓表V的示數為該電路兩點端電壓有效值U。圖(b)為交流電壓表經電壓互感器TV接入電路,適用於高電壓的測量。這時電壓表V的示數為U/K(K為電壓互感器電壓比)。一般情況下,選用的是配專用電壓互感器的電壓表,這時電壓表的示數就等於電路電壓U。如果二次側發生短路故障,將產生很大的短路電流損壞電壓互感器,所以接入FU起短路保護。為防止絕緣損壞,高電壓竄入二次側,危及人身及設備,故鐵芯及二次側繞組要採取接地保護 。
三相交流電壓測量電路
測量電路三相交流電壓基本測量電路見圖。
圖(a)為3隻交流電壓表直接併入三相電路分別測量三相電壓,這時各電壓表的示數即為該相電路兩點端電壓有效值U。圖(b)為2隻單相電壓互感器TV接線的測量電路,接線中不允許二次側線圈短路。為防止短路,保護電壓互感器而串入熔斷器FU 。
功率測量電路
用伏安法測量功率
測量電路
測量電路在直流情況下,可通過測量電壓和電流,由公式P=UI算出功率。測量電路如圖所示,其中圖(a)為高值法,測得的電壓值包括負載壓降和電流表的壓降,由此算出的功率圖(b)為低值法,測得電流值包含負載中的電流和電壓表的電流,由此算出的功率。
測量電路
測量電路可見兩種方法都有誤差,在測量時應選用誤差較小的一種方法,一般當時採用(a)圖所示高值法,當時採用(b)圖所示低值法。
直流電路功率測量電路
直流電路功率測量電路直流電路功率測量有用電壓表、電流表法和功率表(瓦特表)法兩種。前者功率P等於電壓表和電流表示數的乘積,即P=UI。為減少測量誤差,在負載電阻R、電壓表內阻R和電流表內阻R相對值不同時,採用的接線方法如圖(a)、(b)所示。圖2-9(c)接線方法,功率表的示數就是被測負載的功率,電流必須同時從電流、電壓端(標有*)流進 。
單相交流電路功率測量電路
(1) 正確接線方式
單相交流電路功率測量電路功率表的正確接法必須遵守“發電機端”的接線規則,即功率表標有*號的電流端必須接至電源的一端,而另一端必須接至負載端,電流線圈串聯接入電路;功率表上標有*號的電壓端子可接至電流端子的任一端,而另一個電壓端子必須接至負載的另一端。功率表的電壓支路並聯接入電路。正確接線如圖所示,圖中Z為負載阻抗。當功率表電壓線圈內阻遠小於Z時,用(a)圖;功率表電壓線圈內阻遠大於Z時,用(b)圖 。
(2) 功率表量限的選擇
功率表通常有2個電流量限,2個或3個電壓量限。根據使用電壓和負載電流,選用不同的量限,獲得不同的功率量限。
(3) 功率表的讀數
功率表的單位為瓦特(W),但用功率表測量時,並不能從標度尺上直接讀取瓦特數,這是由於功率表通常有幾種電壓和電流量限,但標尺只有一條,所以功率表標度尺都只有標分格數,而不標明瓦特數。功率表的標度尺每格所代表的瓦特數稱為分格常數。一般情況下,功率表的技術說明書上都給出了功率表在不同電流、電壓量限下的分格常數,以供查用。測量時,讀取指針偏轉格數n後,再乘上相應的分格常數c,即為被測量的值,即功率P = cn(W)。
如果功率表沒有給出分格常數,則c可按下式計算: c=UI/N,其中,U為所選用的電壓量限的額定值,I為所選用的電流量限的額定值,N為標度尺滿刻度的格數 。
兩表法測量三相三線有功功率電路
兩表法測量三相三線有功功率電路用兩隻單相功率表測量三相三線有功功率的方法稱為“兩表法”,如圖所示,這是用單相功率表測量三相三線制電路功率的最常用方法, 而且不管三相負載是否對稱。圖中功率表PW、PW的電流線圈串接入任意兩相相線中,兩隻表電壓支路*端必須接至電流線圈所接的相線上,而另外一端必須接到未接功率表電流線圈的第三條線上,使電壓支路通過的是線電壓。
在三相三線制電路中,由於三相電流的矢量和等於零,因此,兩隻功率表測得的瞬時功率之和等於三相瞬時總功率,即兩表所測得的瞬時功率之和在一個周期內的平均值等於三相瞬時功率在一個周期內的平均值,所以三相負載的有功功率就是兩隻功率表讀數之和(P=P+P)。
在三相四線不對稱負載電路中,因三相電流瞬時之和不等於零,所以這種測量三相總功率的“兩表法”只適用於三相三線制,而不適用於三相四線制不對稱電路 。
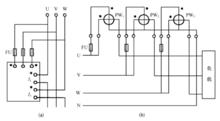
三相功率表測量三相有功功率電路
三相功率表是利用兩個功率表測量三相電路功率的原理製成的。它具有兩個獨立單元,每一個單元就相當於一個單相功率表,這兩個單元的可動部分固定連線在同一軸上,可繞軸自由偏轉,以直接測量三相三線電路功率。這種三相功率表通常稱為二元三相功率表。它有7個接線端鈕,其中4個為電流端鈕,3個為電壓端鈕,接線如圖(a)所示。接線時,電流線圈帶*端鈕分別接至U和W相的電源側,使電流線圈通過線電流;電壓線圈帶*端鈕分別接U和W相的電源側,無*標誌的端鈕接V相,使電壓支路承受線電壓。
三相功率表測量三相有功功率電路此外,還有三元三相功率表,它包含有3個獨立單元,用來測量三相四線電路功率,接線如圖(b)所示。儀表外殼上有10個接線端鈕,包括3個電流線圈的6個端鈕和3個電壓線圈的4個端鈕。接線時將3個電流線圈分別串聯在三相電路中,3個電壓線圈則應分別並聯在三相電路和零線上 。
電阻測量電路
普通電阻(10Ω~1MΩ)的測量可採用下述幾種方法:
(1) 用萬用表或多用表的歐姆擋測量
這種方法最簡單,但它的準確度低。
(2) 用電壓表和電流表測量
伏安法測電阻將被測電阻接到直流電源上,用電壓表和電流表分別測量出它的電壓和電流(如圖所示),由歐姆定律算出阻值R=U/I。這種測量方法的準確度由電壓和電流測量的準確度決定,一般來說準確度不高。
需要注意的是圖(a)所示的測量電路實際測得的電阻是電流表的內阻和被測電阻的串聯值: R′=R+R,而圖(b)所示的測量電路實際測得的電阻是電壓的內阻和被測電阻的並聯值: R″=R∥R。一般被測電阻值較大時選用圖(a)所示方法,被測電阻較小時選用圖(b)所示方法。
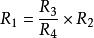
(3) 用直流單電橋測量電阻
測量電路
測量電路直流單電橋也稱惠斯登電橋,它由4個橋臂R、R、 R、 R,直流電源E及檢流計G組成(如圖所示)。其中R是被測電阻。通過調節已知的可調電阻R、 R和R則可使檢流計指零,即電橋達到平衡。根據電橋平衡條件得。這種測量方法的準確度較高,其準確度在檢流計的靈敏度足夠高的情況下,與電源無關,僅由標準電阻的準確度決定 。

