簡介
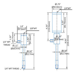
只輸入通用壓力的 壓縮空氣,通過渦流管轉換,一端產生冷空氣(在乾燥空氣的前提下最低溫度可達-46℃),一端產生熱空氣(最高溫度可達127℃)。渦流管可以通過調節熱氣端的閥來調節氣體的流量和冷氣端溫度的高低可通過調節 熱氣端的閥來得到你滿意的 冷氣參數——輸入的壓縮空氣和產出的冷氣比。工作原理
產生的 冷氣最低可達到零下46℃,並且沒有運動的部件。特點
渦流管 1.低成本,免維護
2.溫度從-50°Fto到260°F(-46°to+127℃)
3.流量速率從1到100 scfm(28to4248SLPM)
4.製冷量最大可以達到6000 BTU/hr.(1512Kcal/hr.)
5.採用高強度的不鏽鋼材質製造,抗腐蝕,抗氧化,抗高溫
6.不用電、不用任何化學物質、沒電火花產生
7.體積小、重量輕、防衝撞
8.產冷氣迅速,並可通過閥門 快速調節
套用
渦流管 2、在實驗室里用於冷卻和乾燥氣體採樣,冷卻環境艙。
3、電子元器件、儀表、開關和溫度調節裝置等的冷卻及溫度控制。
4、密閉的電子控制系統的溫度調節:CNC櫃、工業PCs系統、 PLCS系統、馬達控制中心。
5、不用任何閃火或者熱爆方式就能產生+250°F(+110C)的熱氣,這樣就可以十分安全方便地熱軟化塑膠、融化膠水、密封包裝袋。
6、可以給保護齒輪的操作人員進行人身製冷。
7、套用於天然氣行業的加熱,以消除天然氣調壓狀態下的溫降冰堵。
8、套用於天然氣處理領域的提純和液態烴回收。

