液壓鎖實質是由兩個液控單向閥組成。
液壓鎖,顧名思義,就是一把“鎖”,就是把迴路鎖住,不讓迴路油液有流動,如圖中,以保證圖中油缸即使外界有一定載荷的情況下仍能保持其位置靜止不動。
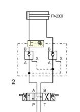
液控單向閥具體結構就是一個帶有液控口的單向閥。有閥座,鋼球,彈簧,液控口,控制柱塞,和A,B,X三個油口。
A-B方向,液壓油克服彈簧力,推開鋼球,直接流過去。B-A方向,鋼球落在閥座上,油流不過去,需要在X口接入帶有壓力的控制油,控制油作用在控制柱塞上,推動柱塞前進,柱塞連線推桿,推桿頂開鋼球,這樣液壓油就可以“反向”流動了。
液壓鎖圖中虛線所框出的部分就是液壓鎖
液壓鎖的作用是互鎖,及圖中滑閥位於中位時,液壓油缸在兩個單向閥的作用下左右油缸處於靜止狀態;但是當滑閥處於右位機能時,及b口進油,此時右路單向閥進油,同時控制油路把左路單向閥打開泄油;當滑閥處於左位機能時同理

