釋義
是指單位時間內、在測試條件中管道保持恆定的壓力,管道介質流經閥門的體積流量,或是質量流量。即閥門的最大流通能力。
流量係數值越大說明流體流過閥門時的壓力損失越小。
閥門的CV值須通過測試和計算確定。
閥門開度
閥門/調節閥流量係數(CV值)與開度是兩個不同的概念,CV值名稱起源於西方的工業流程控制領域對於閥門流量係數的定義。在中國通常稱為:KV值,KV表示的是閥門的流通能力,其定義是:當調節閥全開時,閥門前、後兩端的壓差ΔP為100KPa,流體重度r為1gf/cm3(即常溫水)時,每小時流經調節閥的流量數,以m3/h或t/h計。
(例如一台Kv=50的調節閥,則表示當閥兩端壓差為100KPa時,每小時的水量為50m3/h。)
閥門開度是指閥門在調節的時候,閥芯(或閥板)改變流道節流面積時閥芯(或閥板)運動的位置,通常用百分比表示,關閉狀態為0%,全開為100%。
單位換算
Kv與Cv值的換算
國外,流量係數常以Cv表示,其定義的條件與國內不同。Cv的定義為:當調節閥全開,閥兩端壓差ΔP為1磅/英寸²,介質為60℉清水時每分鐘流經調節閥的流量數,以加侖/分計。由於Kv與Cv定義不同,試驗所測得的數值不同,它們之間的換算關係為:Cv=1.167Kv
試驗系統
閥門的流量係數是衡量閥門流通能力的指標,流量係數值大,說明閥門的流通能力大,流體流過閥門時的壓力損失小。在用試驗進行閥門流量係數的測試時,由於測量裝置和方法的不同,會使試驗結果相差很大。因此測定壓降差時,應考慮取壓點的位置、閥門前後的配管狀況、流體的雷諾數和可壓縮氣體的馬赫數等因素的影響。本文論述按JB/T 5296- 91進行流量試驗時要注意的事項,並與BS EN1267 - 1999進行比較,以實例說明雷諾數對閥門流量試驗結果的影響。由於國內流量試驗裝置的限制,只能進行DN600以下閥門的流量試驗,更大口徑的閥門可以採用空氣進行試驗,本文不討論。
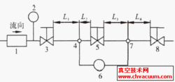
流量試驗系統(圖1)由流量計、溫度計、節流閥、試驗閥和壓差測量裝置等組成。系統中上游節流閥用來控制試驗段的入口壓力,其與下游節流閥一起用來控制取壓口之間的壓差,並使下游壓力保持穩定,下游節流閥的公稱尺寸可大於試驗閥門的公稱尺寸,以確保產生阻塞流時,阻塞流是發生在試驗閥內。
流量係數1.流量計2.溫度計3.上游節流閥4、7.取壓孔5.試驗閥6.壓差測量裝置8.下游節流閥
圖1流量試驗系統
4取壓口距離閥門2倍的管道直徑距離,7取壓口距離閥門6倍的管道直徑距離。

