概述
污泥濃度計由變送器和感測器組成。感測器可以方便地安裝在池內、排水管、壓力管道或自然水體中,污泥濃度計能自動補償因污染而引起的干擾。感測器帶有空氣清洗功能,能根據預先設定的時間自動定時清洗,從而大大降低了儀器維護的工作量。
測量原理
感測器上發射器傳送的紅外光在傳輸過程中經過被測物的吸收、反射和散射後僅有一小部分光線能照射到檢測器上,透射光的透射率與被測污水的濃度有一定的關係,因此通過測量透射光的透射率就可以計算出污水的濃度。污泥濃度計的感測器使用了四光束技術

四光束技術利用兩個發射器和兩個檢測器,每個發射器傳送的光線經過透射後照射到兩個檢測器上,這樣就產生一系列的光路,得到一個數據矩陣,然後通過分析這些數據信號,即可得到介質中懸浮物的準確濃度,並能有效消除干擾,補償因污染產生的偏差,使儀器能在較惡劣的環境中工作。
技術參數
表1-1 技術規格表| 主 機 | 測量範圍 | 0 ~9999mg/L 0~10g/L 0~20g/L 活性污泥:0~1% 二氧化矽:0~2% |
| 精 確 度 | ±1%FS。 | |
| 分 辨 率 | 0.01% | |
| 重 復 性 | ±1% | |
| 流速範圍 | 0.3 ~3 m/s | |
| 功 率 | 15 VA; | |
| 壓 力 | ≥10 bar | |
| 供電電源 | AC220 V,50/60 Hz; | |
| 溫度範圍 | -20℃~55℃ | |
| 輸 出 | 1路4~20mA電流信號隔離輸出,最大負載750歐姆; 2個報警信號繼電器,容量220 VAC/ 2 A,輸出可由用戶設定; 1個沖洗時間繼電器,容量220 VAC/ 2 A,時間可由用戶設定。 | |
| 測量單位 | %和mg/L兩種可選擇。 | |
| 外 殼 | 全進口的材料, 符合; | |
| 防護等級 | IP65 | |
| 重 量 | 2.5 kg | |
| 感測器 | 溫度範圍 | 0℃~80℃ |
| 材 質 | 316不鏽鋼。 | |
| 防護等級 | IP68 | |
| 電纜長度 | 10m | |
| 重 量 | 0.5 kg |
套用範圍
給水廠沉澱池
污水處理廠
進水口、出水口、曝氣池、回流污泥、初沉池、濃縮池、污泥脫水等
造紙廠
紙漿濃度
洗煤廠
沉澱池
電力
灰漿沉澱池
安裝說明
2.1安裝說明
為了保證安裝人員的安全和污泥濃度計的正常工作,請按照如下順序進行安裝:1、安裝儀表箱和感測器的支架;
2、將變送器裝入儀表箱並固定;
3、安裝感測器;
4、電氣連線。
2.2 變送器的安裝
1、在選擇變送器安裝位置時,需要遵循如下原則:避免變送器受陽光直射;
避免使變送器產生過多震動;
如果情況允許,應將變送器安裝於稍稍高於操作者平視水平的位置,這樣將會有利於操作者可以非常舒服地瀏覽前部面板和進行控制操作;
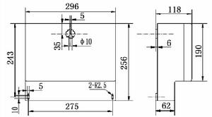
為變送器箱體的開啟和維護留出足夠的空間,變送器尺寸如圖2-1所示。
2、變送器尺寸
變送器尺寸圖
變送器背後有三個孔,其中上面的孔用於懸掛,下面兩個孔用於加螺栓固定。
2.3感測器的安裝
為確保測量準確,在選擇感測器安裝位置時,需要遵循如下標準:應將感測器安裝在工藝的恰當位置,以保證獲得具有代表性的測量結果,且安裝位置應該便於操作者進行取樣操作,感測器和取樣點之間的距離推薦最大值不超過1.5 m。不正確的取樣操作是導致測量數據有誤的一個常見原因;
應將感測器安裝在易於觸及的位置,方便對感測器進行定期的清洗和維護;
應避免將感測器安裝在氣泡較多的位置,因為氣泡會產生干擾信號。在某些套用條件下,氣泡的產生是難以避免的,例如在測量離心液或者過濾液等的套用中,在這些情況下應將感測器安裝在脫氣裝置內;
應將感測器安裝在工藝混合良好和不出現停機的位置,這通常也是取樣點所在的位置;
感測器的探頭應該背向工藝介質流向。
感測器的安裝有兩種方式:浸沒式安裝和插入式安裝。
2.4浸沒式安裝
浸沒式安裝方式是指把感測器通過安裝支架浸入池中或罐中的安裝方式。適合於曝氣池、沉澱池、濃縮池、回流渠等場合。浸沒式安裝時,感測器一定要安裝在安裝支架上,不可以用感測器的電纜將感測器懸掛在水中。感測器應浸沒至水面下不小於30cm的深度,或者浸沒至取樣時通常到達的深度,並避免陽光直射。
技術參數
污泥濃度計是為測量市政污水和工業廢水處理過程中懸浮固體濃度而設計的線上監測儀表。可套用於檢測生化處理過程的活性污泥濃度變化,提供連續、準確的測量結果。常規的單光束測量方法容易受到光窗粘污等因素的影響。MLSS型懸浮物濃度計,採用創新的多光束相互補償技術,能夠消除感測器光窗粘污造成的測量誤差,以及溫度變化、器件老化等影響,實現穩定、精確的測量。減少了維護工作量,提高了工作可靠性,特別適用於污水處理領域惡劣的工況。
量程: 活性污泥:0 ~9999mg/L 0~10g/L 0~20g/L
二氧化矽:0~400g/L
測量單位: g/L、mg/L、ppm可選
解析度: 0.01g/L,1mg/L,1ppm
精確度: ±1%FS
顯示: LCD液晶顯示日期、時間、測量值、歷史趨勢線等
輸出:
模擬輸出: 隔離4~20mA,最大負載500Ω,故障狀態下3.8mA或21mA可選
繼電器輸出: 2個控制固體繼電器輸出,1個報警固體繼電器輸出
繼電器容量: 2A,250VAC
數字接口: 可選RS-485、Profibus、HART、MODBUS通信接口
現場設定: 通過變送器按鍵完成
供電:
交流供電: 220VAC±10%,50Hz
直流供電: 24VDC±10%

