簡介
污水催化濕式氧化(catalytic wet Process of coking waste water)焦化污水處理工藝中深度淨化污水的一種方法。污水在加溫加壓並保持液相狀態下,與空氣混合,通過催化劑作用,水中的污染物被氧化分解,轉化為無害物質。
催化濕式氧化工藝是在濕式氧化法(即齊默爾曼法)的基礎上發展起來的,20世紀70年代,日本大阪煤氣公司等採用催化濕式氧化法處理焦化污水取得成功。提高了COD和氮氮的去除率,並相繼於80年代初完成了半工業性試驗 。
背景技術
隨著經濟發展和對乙烯、丙烯需求量的日漸增長,作為烯烴生產原料的石腦油、輕柴油 等資源面臨著越來越嚴重的短缺局面。非石油資源生產烯烴的化工路線開始受到普遍的重視。 甲醇制烯烴(MTO)工藝是一種以煤基或天然氣基合成的甲醇為原料生產低碳烯烴的化工技術, 其工藝技術的完善對保障低碳烯烴穩定供給具有重要意義。MTO工藝在生成輕烯烴產品的同時副產約56%的水,另外還有少量油類物質產生。這部分油類物質和水存在著有機物濃度高、 成分複雜、高毒、難生物降解等特點,傳統的方法達不到廢水的處理要求。
濕式催化氧化法是近20多年發展起來的一種高效處理高濃度有機廢水的先進環保技術, 是對傳統化學氧化法的改進和強化。它利用催化劑的催化作用,加快氧化反應速度,提高氧 化反應效率。利用此法處理高濃度難降解有機廢水,可得到較好的處理效果,因此引起了國內 外環保工作者的廣泛重視。對這方面的研究十分活躍,新技術、新催化劑、新工 藝不斷被開發出來,濕式催化氧化法成為有競爭力的新技術,套用前景十分廣闊,研究開發濕 式催化氧化法對MTO廢水的處理具有巨大的現實意義 。
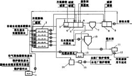
濕式催化氧化處理污水的裝置
濕式催化氧化處理污水的裝置(圖 1)其特徵在於:包括廢水處理罐(1)、氧化劑儲罐(2)、 高壓泵(3)、預熱器(4)、電加熱器(5)、濕式催化氧化反應器(6)、淨化水儲罐(7);所述廢水處理罐(1)和氧化劑儲罐(2)的出口並聯至高壓泵(3)進口,高壓泵(3)出口連 接至預熱器(4)進口,預熱器(4)出口連線至電加熱器(5)進口,電加熱器(5)出口連 接至濕式催化氧化反應器(6)進口,濕式催化氧化反應器(6)出口連線至預熱器(4)的加 熱液進口,預熱器(4)的加熱液出口連線至淨化水儲罐(7)進口,淨化水儲罐(7)出口連 接至外部 。
圖1濕式催化氧化處理污水的方法
濕式催化氧化處理污水的方法其特徵在於:污水進入廢水收集罐,與氧化劑儲罐中 的氧化劑充分混合後,通過高壓泵通入預熱器,經預熱器預熱後,打入電加熱器內,被加熱 到指定溫度的污水進入填有催化劑的濕式催化氧化反應器內進行氧化分解反應,經過一定反 應時間催化氧化處理後的水,反饋到預熱器內,加熱預加熱器內的初始污水後進入淨化水儲 罐後排出 。

