表殼、中罩
表殼、中罩、表玻璃和密封墊圈一起組成一密封體,使表殼內被測水不致滲漏至表外。按標準規定,水錶應能承受水壓1.6MPa、持續15min和水壓2.0MPa、持續1min的壓力試驗。因此,表殼、中罩和表玻璃均應滿足上述要求。表殼內孔應鑲有耐腐材料製成的襯套或塗以良好的防鏽塗層。
整流器
整流器的作用:一是將來自水錶上游呈紊流狀態的水流在通過格線狀的整流器後,儘可能地將其“梳理”成層流狀態;二是在整流器中心有一軸孔,以支承螺翼軸,該軸孔與支架上的軸孔應保持同軸,以保證螺翼靈活轉動。
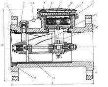
圖2-12&nbsp圖2-12 水平螺翼式水錶的結構示意圖1-表殼;2-調整器;3-銅絲;4-鉛封;5-密封墊圈;6-襯圈;7-指示機構;8-表玻璃;
9-罩子組件;10-表罩;11-翼輪組件;12-支架組件;13-整流器組件;14-開槽圓柱頭螺釘
支架
支架的作用:一方面支承螺翼軸,使螺翼在水流作用下能靈活轉動;另一方面通過支架內的蝸輪與螺翼軸上的蝸桿相嚙合,將螺翼的轉速傳至支架上部與計數機構相連線。
螺翼
水錶螺翼式水錶使用螺板形葉輪,又稱螺翼或翼輪,結構見圖2-13,一般採用足夠機械強度的工程塑膠(如ABS)注塑成型。螺翼筒體為空心,以減輕重量和增加浮力。螺翼一端有一悶蓋用粘結劑與其粘合,以防被測水浸入後增加其重量。螺翼應具有較好的動平衡性能,否則在高速運轉時,容易使螺翼軸和軸套磨損。
誤差調節裝置
常見的誤差調節裝置有兩種。
(1)槳式誤差調節裝置
這種調節裝置的作用部分是一塊扁平且呈對稱的槳狀調節板,位於整流器的整流板部分。當旋轉槳狀調節板時,則可增大或減小這部分水流對螺翼旋轉的衝擊力,從而起到誤差調節作用。槳狀誤差調節裝置具有結構簡單、零部件少且加工容易和拆裝方便等優點,所以得到廣泛的使用。
(2)舵式誤差調節裝置
這種調節裝置的作用部分也是一塊扁平的板,板的一側有一軸孔,用軸將調節板置於整流器的整流板部分。調節誤差時,有一撥軸撥動舵狀調節板的另一側,使調節板環繞軸線旋轉,以增大或減小這部分水流對螺翼旋轉的衝擊力,從而起到誤差調節作用。這種調節裝置的結構較為複雜。
計數機構
螺翼式水錶的計數機構與旋翼式水錶大同小異,可參照前一節所述。

