氣動放料球閥氣動放料球閥產品特點
球閥是用帶有圓形通道的球體作啟閉件,球體隨閥桿轉動實現啟閉動作的閥門,其啟閉件是一個有孔的球體,繞垂直於通道的軸線旋轉,從而達到啟閉通道的目的。該閥是一種特殊結構的放料球閥,閥座與端面法蘭距離近,物料滯留少,結構緊湊,密封性能優越,用於精細化工、製藥、化工行業反應鍋上,也可用在細軟顆粒介質輸送。採用PPL密封材料,更具耐磨,是牙膏行業真空制膏鍋放料的最理想產品。放料閥故障及原固(1)碳酸鉀液體均勻度較差.造成加料管堵塞,形成問歇加料現象,使離心機產生振動。(2)放料閥的角度無法調整,離心轉鼓轉速太快.加料時使物料四溢,易燙傷人體(碳酸鉀液體溫度在70℃左右);(3)放料閥位於離心機頂端.出料時要傾斜.不易操作。
氣動放料球閥適用範圍
城建、化工、冶金、石油、製藥、食品、飲料、環保
氣動放料球閥結構
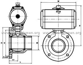
氣動放料球閥 結構圖氣動放料球閥主要外形和連線尺寸
通徑DNGLL1DKn-ΦdHWmmin
251″G1″7222100784-Φ10160140
4011/2″G1/2″92311301004-Φ1218/0164
502″G2″112411501304-Φ14220190
6521/2″G21/2″125461901554-Φ14250210
803″G3″160572051704-Φ14275247
1004″G4″175682352004-Φ18310276
Q641球閥為雙法蘭結構,出口端為GB9113球閥或JB79PN10球閥標準法蘭。
