基本內容
模具精度 1.模具是指用作批量成形加工衝壓等製品的精密成形工具。模具精度包括加工上獲得的零件精度和生產時保
證產品精度的質量意識,但通常所講的模具精度,主要是指模具工作零件的精度。
①. 模具加工中的精度概念是指模具零件加工及組裝後的實際幾何參數與設計幾何參數的符合程度。
②. 模具生產中的精度概念是指企業職工在生產實踐中逐步形成的、指導職工生產行為的一各思維模式,一種質量意識,即在企業職工的行為中,始終貫徹把握產品精度的質量意識。
2.模具精度的內容包括四個方面:尺寸精度、形狀精度、位置精度、表面精度。由於模具在工作時分上模、下模兩部分,故在四種精度中以上、下模間相互位置精度最為重要。
3.模具精度是為製品精度服務的,高精度的製品必須由更高精度的模具來保證,模具精度一般須高於製件精度2級或者2級以上。
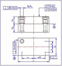
模具的結構精度要求
①. 模架精度的保證
如下圖所示,從加工及裝配角度看,模架的精度主要包括如下幾個方面:
a.上、下模板的平面尺寸及導向孔位置的一致性;
b.模板大平面的平面度及平行度;
c.導向孔對大平面的垂直度;
d.模板相鄰側面間的垂直度;
e.導柱與導套間的配合精度。
模架精度的保證方法主要有:
a.一次加工法 即模板的大平面加工完工後,將上、下模板一起裝夾,一次加工出兩塊模板的平面尺寸及導向孔。
b.將四個導向孔其中的一個偏離對稱位,以確保模具的裝配方位。
c.加工基準位(Datum),用於校表加工。
d.採用高配合精度的導柱、導套。
e.提高零件的加工精度。
②.凸模精度的保證
如下圖所示,從加工及裝配角度看,凸模精度主要包括:
a.凸模的形狀尺寸精度;
b.凸模相鄰側面間的垂直度。
③.凹模的精度保證
如下圖所示,從加工及裝配角度看,凹模的精度主要包括:
a.凹模的形狀尺寸精度;
b.凹模相鄰側面間的垂直度;
c.凹模側面對大平面的垂直度;
d.凹模的位置度。

