簡介
因曳引輪要承受電梯轎廂自重、載重和對重的全部重量,故在材料上多用QT60-2球墨鑄鐵,以保證具有一定的強度和韌性。同時,為了減少曳引鋼絲繩在曳引輪槽內的損害,除了選擇合理的曳引輪槽形外,對繩槽的工作表面的粗糙度、硬度做了一定的規定。
曳引輪製成輪圈式,用鉸制螺栓與輪筒連結在一起,其曳引輪的軸就是減速箱內的蝸輪軸。
材料及結構要求
①材料及工藝要求:由於曳引輪要承受轎廂、載重量、對重等裝置的全部動靜載荷,因此要求曳引輪強度大、韌性好、耐磨損、耐衝擊,所以在材料上多用QT60-2球墨鑄鐵。為了減少曳引鋼絲繩在曳引輪繩槽內的磨損,除了選擇合適的繩槽槽型外,對繩槽的工作表面的粗糙度、硬度應有合理的要求。
②曳引輪的直徑:曳引輪的直徑要大於鋼絲繩直徑的40倍。在實際中,一般都取45~55倍,有時還大於60倍。因為為了減小曳引機體積增大,減速器的減速比增大,因此其直徑大小應適宜。
③曳引輪的構造型式:整體曳引輪分成兩部分構成,中間為輪筒(鼓),外面製成輪圈式繩槽切削在輪圈上,外輪圈與內輪筒套裝,並用鉸制螺栓連結在一起成為一個曳引輪整體。其曳引輪的軸就是減速器內的蝸輪軸。
曳引輪技術要求
曳引輪是曳引機上的繩輪,也稱曳引繩輪或驅繩輪,它是電梯傳遞曳引動力的裝置,利用曳引鋼絲繩與曳引輪緣上繩槽的摩擦力傳遞動力,裝在曳引機的蝸輪軸上。
由於曳引輪要承受轎廂、載重量、對重等裝置的全部動、靜載荷,因此要求曳引輪強度大、韌性好、耐磨損、耐衝擊,所以在材料上多用球墨鑄鐵。為了減少曳引鋼絲繩在曳引輪繩槽內的磨損,除了選擇合適的繩槽槽型外,對繩槽工作表面的粗糙度、硬度應有合理的要求。同時,還有繞繩槽與主軸連線孔的同軸度及端面與孔的垂直度要求。
曳引輪加工工藝分析
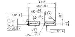
根據下圖所示的曳引輪零件圖可知,該零件為迴轉體零件,因而主要以車削加工為主。為了保證工件端面對主軸孔Φ90和繞繩槽對主軸孔Φ90的垂直度,加工該曳引輪時,可利用曳引輪輪輻中間的間隙,採用專用夾具進行裝夾,可一次安裝同時加工一側的端面、外圓、繞繩槽和內孔,雖然在裝夾時需要花相對較長的裝夾、找正時間,但可有效地保證零件圖所要求的精度。
曳引輪零件圖曳引輪的維修保養
曳引輪、輪簡
每周一次檢查曳引輪及輪筒有無裂紋,它們的連結螺栓是否鬆動和位移。
方法是:用手錘敲擊曳引輪和坨筒,根據聲音來判定, 日查外觀有無裂紋,用專用工具檢查螺栓是否鬆動。當發現曳引輪或輪筒有裂紋時應及時更換
曳引輪繩槽
1、曳引輪繩槽工作表面應平滑。日常應檢查槽內有無髒污、隆起的硬粒或波紋,若發現有問題時應根據具體情況進行處理。
2、曳引繩在曳引輪槽內不應有滑動現象
檢查方法:在曳引機停止工作時(斷開電源),用粉筆在曳引鋼絲繩和曳引輪重合處劃一直線,再合閘通電,使電梯運行一段距離再回復到原始位置後,檢查直線是否翠合。若不成為直線,則證明曳引鋼絲繩在曳引輪槽有滑動故障;應仔細檢查是何原因造成的。
3、曳引繩臥入曳引輪槽內的深度應一致
檢查方法:把平尺沿軸向緊貼曳引輪外圓面,用直尺測量槽內曳引繩頂點至平尺距離。
當各根曳引繩的差距達到1.5mm時,說明曳引輪槽有問題,應重車繩槽或更換曳引輪。
4、曳引輪槽底與曳引繩應保持一定的間隙
對於曳引輪槽底與曳引繩之間的間隙,一般要求不得小於1mm(對特殊輪槽形除外)。
檢查方法:用直徑為1mm的小線或電線,測量輪槽底與曳引繩間隙,若不能穿過證明槽底與曳引繩之間間隙太小,應電車繩槽或更換曳引輪。
5、曳引輪槽形不應有變形現象
檢查中若發現繩槽呈喇叭口形狀或單邊磨損,使槽形與原來不符時,說明曳引機有移動現象或底座不水平,應根據具體情況進行處理。
6、軸承座螺栓不應鬆動、軸承運轉正常
檢查支承曳引輪的軸承座的螺栓有無鬆動,軸承潤滑是否良好,軸承運轉是否正常。當發現軸承發熱或聲響異常,應考慮軸承是否磨損。若軸承已磨損應及早更換。

