簡介
智慧型照明系統是利用先進電磁調壓及電子感應技術,對供電進行實時監控與跟蹤,自動平滑地調節電路的電壓和電流幅度,改善照明電路中不平衡負荷所帶來的額外功耗,提高功率因素,降低燈具和線路的工作溫度,達到最佳化供電目的照明控制系統。
組成
系統單元、輸入單元與輸出單元。
系統單元:用於提供工作電源,源系統時鐘及各種系統的接口如PC、乙太網、電話等;
輸入單元:主要功能是將外部控制信號換成網路上的傳輸信號,具體有開關,紅外接收開關,紅外遙控器,多功能的控制板,感測器;
輸出單元:智慧型系統的輸出單元是用於接收來自網路傳輸的信號,控制相應迴路的輸出以實現實時控制。
產品
1)智慧型照明控制系統
2)數字可定址led驅動
3)燈具
4)光源
優勢
★燈光調節:用於燈光照明控制時能對電燈進行單個獨立的開、關、調光等功能控制,也能對多個電燈的組合進行分組控制,方便用不同燈光編排組合形式營造出特定的氣氛。
★智慧型調光:隨意進行個性化的燈光設定;電燈開啟時光線由暗逐漸到亮,關閉時由亮逐漸到暗,直至關閉,有利於保護眼睛,又可以避免瞬間電流的偏高對燈具所造成的衝擊,能有效的延長燈具的使用壽命。
★延時控制:在您外出的時候,您只需要按一下"延時"鍵,在您出門後30秒,所有的燈具和電器都會自動關閉。
★控制自如:可以隨意遙控開關屋內任何一路燈;可以分區域全開全關與管理每路燈;可手動或遙控實現燈光的隨意調光,還可以實現燈光的遠程電話控制開關功能。
★全開全關:整個照明系統的燈可以實現一鍵全開和一鍵全關的功能。
★場景設定:回家時,在家門口用遙控器直接按"回家"場景,
主要特點為·
智慧型照明系統1、系統可控制任意迴路連續調光或開關。2、場景控制:可預先設定多個不同場景,在場景切換時淡入、淡出。
3、可接入各種感測器對燈光進行自動控制。
4、時間控制:某些場合可以隨上下班時間調整亮度。
5、紅外遙控:可用手持紅外遙控器對燈光進行控制。
6.系統聯網:可系統聯網,利用上述控制手段進行綜合控制或與樓宇智慧型控制系統聯網。
市場背景
2010年6月7日,胡錦濤總書記在中國科學院第十五次院士、中國工程院第十次院士大會上提出推動科技發展工作的8點意見 ,首條便是“大力發展智慧型科技,堅持節能優先、綠色低碳”。智慧型科技已被提升到關乎國家科學技術發展和運用的戰略級層面。而幾乎同時召開的第十五屆廣州國際照明展上,智慧型照明系統成為展會的一大亮點,眾多知名廠家開始涉足其中,搶占智慧型領域的掘金至高點。
一直堅持“快人一步”發展思想的百分百照明,早在2001年便斥巨資研發天拓智慧型照明系統(別稱“光控貓”),已推向市場的相關產品現已成為行業智慧型照明產品的先鋒代表,技術的先進性、性能的穩定性、款式的新穎性、服務的規範性等領先於行業眾多商家。
光控貓展示
光控貓展示百分百照明智慧型照明系統特點包括:1、採用無線組網的集散式結構,集微電腦控制,無線遙控射頻技術於一體,燈控裝置(開關)採用數字液晶觸控螢幕,可以獨立控制燈光,也可以受控於無線遙控器。該技術用於智慧型照明,屬國內首創、國際領先水平。
2、產品的無線智慧型照明系統與各種匯流排制系統、電力載波系統相比,具有設計簡單,安裝、維護方便等優點,無線組網也省去了布網路線等各種器材和人工費用。集散式結構決定了系統組網靈活,造價低廉的優點。
3、產品主要涉及遙控液晶開關係列和遙控器系列,與傳統照明相比,它可以實現液晶顯示、觸控螢幕調光、一鍵場景、一對一遙控及分區燈光全開全關等管理;能夠實現無線遙控,定時控制,遙控距離大於50米,可穿越牆壁和樓層,觸控螢幕正常使用壽命30萬次以上。
4、只需指尖輕輕一按遙控器,就可坐在沙發上控制家裡所有的燈具並隨意調節亮度,會客、用餐、視聽、休閒、娛樂隨心所欲設定各種場景,盡顯21世紀高科技帶來的優質生活。
實用功能
目前智慧型控制系統具有以下功能:
1,智慧型系統設有中央監控裝置,對整個系統實施中央監控,以便隨時調節照明的現場效果,例如系統設定開燈方案模式,並在計算機螢幕上仿真照明燈具的布置情況,顯示各燈組的開燈模式和開/關狀態。
2,具有燈具異常啟動和自動保護的功能;
3,具有燈具啟動時間,累計記錄,和燈具使用壽命的統計功能;
4,在供電故障情況下,具有雙路受電櫃自動切換並啟動應急照明燈組的功能;
5,系統設有自動/手動轉換開關,以便必要時對各燈組的開、關進行手動操作。
6,系統設定與其他系統連線的接口,如建築樓宇自控系統(BA系統),以提高綜合管理水平。
7,具有場景預設、亮度調節、定時、時序控制及軟啟動、軟關斷的功能。 隨著智慧型系統的進一步開發與完善,其功能將進一步得到增強。
採用智慧型照明控制系統總的效應如下:
1,實現照明的人性化; 由於不同的區域對照明質量的要求不同, 要求調整控制照度,以實現場景控制、定時控制、多點控制等各種控制方案。方案修改與變更的靈活性能進一步保證照明質量。
2,提高管理水平 將傳統的開關控制照明燈具的通斷,轉變成智慧型化的管理,使高素質的管理意識用於系統,以確保照明的質量。
3,節約能源 利用智慧型感測器感應室外亮度來自動調節燈光,以保持室內恆定照度,既能使室內有最佳照明環境,又能達到節能的效果。根據各區域的工作運行情況進行照度設定,並按時進行自動開、關照明,使系統能最大限度地節約能源。
4,延長燈具使用壽命 眾所周知,照明燈具的使用壽命取決於電網電壓,由於電網過電壓越高,燈具壽命將會成倍地降低,反之,則燈具壽命將成倍地延長,因此防止過電壓並適當降低工作電壓是延長燈具壽命的有效途徑。 系統設定抑制電網衝擊電壓和浪涌電壓裝置,並人為地限制電壓以提高燈具壽命。採取軟啟動和軟關斷技術,避免燈具燈絲的熱衝擊,以進一步使燈具壽命延長。
基於2.4G無線控制智慧型家居照明系統的研究與設計
隨著科技的發展,越來越多的自動化、智慧型化的產品進入到人們的生活,智慧型家居正逐漸取代傳統家居,成為一種行業發展潮流。智慧型家居照明系統作為智慧型家居系統的一個重要子系統,具有高效節能、管理簡單、控制多樣、成本較低和容易進入市場的優勢。本文對面向智慧型家居的智慧型照明系統進行研究和開發,完成了一種單片機控制的、低成本的智慧型家居照明系統。
1.概述
智慧型家居照明系統隸屬於智慧型家居中的一個子系統,也可以單獨使用。智慧型家居照明系統能控制不同生活區域不同場合的各種照明效果輕鬆解決家居節能問題、提高生活品質。生活中常常遇到這樣的問題,當在客廳中看電視或讀書時並不需要太強烈的照明光線不得不關掉客廳大燈開啟光線相對較暗用於滿足看電視或讀書需要的其他燈具。為了滿足不同場合的照明要求,需要安裝多種燈具,這給燈具控制帶來極大的不方便,智慧型照明系統能輕鬆解決這個問題。只要按下手中的遙控器就能換轉場景燈光照明。
智慧型家居照明系統控制方式的解決方案分為有線方式和無線方式。有線方式包括電力線載波的X-10 和CEBUS、電話線方式的HomePNA、乙太網方式IEEE802.3 以及專用匯流排方式的LONWORKS 和IEEE1394 等等。其中用電力線作為網路信息的傳輸介質的優點是:不需要另外布設電纜,降低施工難度;缺點是傳輸速率只有300Kbps,難以滿足視頻和音頻信號的傳輸,保密性差,接入設備昂貴等。無線方式包括紅外線方式的IrDA、無線區域網路方式的IEEE802.11 系列、家庭射頻技術的HomeRF、藍牙的IEEE802.15.1、ZigBee 的IEEE802.15.4 等等。
無線方式解決了布線的難題,同時也能滿足視頻和音頻信號的傳輸。本文以2.4G 射頻技術為基礎介紹一種智慧型家居照明系統。
2.系統方案
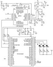
系統方案框圖如圖1 所示。本方案採用STC12C5A08AD 作為MCU控制器,STC12C5A08AD 是宏晶科技公司最新一代單片機,採用第6 代保密技術,程式燒寫後無法解密,增強了保密功能。速度比普通的8051單片機快8~12 倍,內建4 個16 位定時器,功耗比較低。MCU 的控制信號通過光耦控制可控矽來控制燈具的明亮程度,在強電控制接口加有電流檢測迴路,檢測強電電流的大小,用作檢測反饋。通訊方式採用2.4G 無線通信模組,無需布線,降低成本,控制方式靈活,遙控範圍廣,通訊速度快。本方案一共可以控制12 路燈具,適用於家庭照明控制。
圖1 系統方案框圖3. 2.4G模組
用於2.4GHz 通訊的通用晶片常見的有挪威Nordic 公司的nRF2401無線晶片模組,以色列RFWave 公司的RFW102 無線晶片模組等[5].根據設計需求及成本考慮,本設計中採用Nordic 公司的nRF2401進行無線數據傳輸。
nRF2401 是一個單片無線收發一體晶片,工作在2.4GHz ISM 頻段,完全集成功率合成器、功率放大器、晶體振盪器和調整電路。採用QFN24 5×5 毫米封裝,套用電路使用外圍元件少(見圖2);採用FSK 調製方式,125 個頻道,能滿足多頻及跳頻需要;傳輸速率高達1Mbps,具有高數據吞吐量;功耗低,電源電壓1.9V~3.6V 滿足低功耗設計需要;晶片內部設有專門穩壓電路,使用各種電源包括DC/DC 開關電源均有較好的通信效果。
圖2 2.4G 通訊電路4.照明控制
常用的調光方法有:脈衝寬度調製(PWM)調光法、改變半橋逆變器供電電壓調光法、脈衝調頻調光法、脈衝調相調光法和可控矽相控調光法。可控相控調光法具有體積小、價格合理和調光功率範圍寬等優點,本系統最終採用可控矽相控調光來調節燈具的明亮程度。
套用可控矽相控原理,通過控制可控矽的導通角,將電網輸入的正弦波電壓斬掉一部分,以降低輸出電壓的平均值,達到控制燈具供電電壓,從而實現調光。可控矽相控調光對照明系統的電壓調節速度快,調光精度高,調光參數可以分時段實時調整。由於調光電路主要是電子元件組成,相對來說體積小、設備質量輕、成本低。
可控矽相控調光電路如圖3 所示。單片機的控制信號經74HC04反相後送到光耦MOC3023,光電隔離後輸入到可控矽T16C6F 的控制極,控制可控矽的導通角,實現調光。
圖3 可控矽相控調光電路5.結束語
基於單片機控制的智慧型家居照明系統,具有成本低、開發時間短、安裝維護方便、容易滿足客戶不同需求等優點,市場前景廣闊。目前我國的消費水平並不高,對於系統龐大的高檔智慧型家居需求並不大,而智慧型家居照明系統的低成本,在家居市場上套用越來越廣泛。本文介紹的基於單片機控制的智慧型家居照明系統具有一定的市場推廣價值。

