簡單介紹
旋轉式電阻箱適用於周圍空氣溫度+10℃~+35℃及相對濕度30~80%時使用。
旋轉式交流/直流電阻箱在交直流電路中作調節電阻值用,也可作電橋橋臂使用,是電學測量和電學實驗中最常用的儀器。旋轉式交流/直流電阻箱適用於周圍空氣溫度+5~+45℃及相對濕度小於80%時使用。
ZX36型旋轉式電阻箱
技術數據
(一)準確度等級:0.1級。
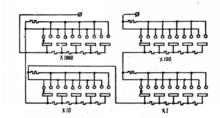
(二)調整範圍:9(1+10+100+1000)歐。
(三)最小步進值:1歐。
(四)零電阻:0.02歐。
(五)電阻箱與外殼間的絕緣電阻不小於100兆歐。
(六)電阻箱電路與外殼之間的絕緣強度為交流電壓2000伏作用下歷時1分鐘。
結構和原理
ZX36型旋轉式電阻箱系採用串聯電路結構,支座內部的電阻按1、2、2、2、2組合,連線於特殊轉換開關裝置上,用以變換所需電阻值。電阻元件採用高穩定性漆包錳銅線以無自感式繞制於瓷管上,井經人工老化處理工藝,所以阻值穩定。
結構和原理使用條件及維護
(一)使用條件:
在周圍空氣溫度10~35℃及相對濕度在30~80%條件下使用。
(二)注意事項:
1、在測量前應先將四組旋鈕先後旋轉數次,使接觸電阻穩定可靠。
2、電阻箱在長期使用或存放後,若發現接觸不良,應揭開外殼,將所有轉換開關的接觸點與電刷片,用蘸有汽油的棉花清洗其氧化層或污垢,清洗後再塗上一層薄中性凡士林予以保護。
3、電阻箱在使用中,絕不應超過規定的最大允許通過電流值。
技術指標
1、零值電阻:30±5mΩ,本儀器採用彈簧微調開關,使用1萬次,變差小於2mΩ;
2、零值電感不超過2微亨。
3、電阻箱可在0—10kHz音頻範圍使用。因頻率引起變差小於0.1%。
4、電阻箱電氣線路與禁止間能承受頻率為50赫茲,2000伏交流電電壓的作用,歷時1分鐘不擊穿。
5、電阻箱電氣線路與禁止絕緣電阻不小於1000兆歐。
注意事項
1、使用電阻箱前,應先旋轉一下各個旋鈕,以使電刷接觸穩定可靠。
2、電阻箱在使用中絕不應超過表1規定額定功率和額定電流。
3、電阻箱應放在有遮蔽的房間內,空氣溫度+5~45℃,相對濕度在80%以下,周圍不應含有能引起腐蝕的有害氣體。

