抱爪式閥門試驗機適用於直通式法蘭連線類型閥門的密封和閥體強度的壓力性能試驗,是按照國家GB/T13927-92《通用閥門壓力試驗》和ZBJ16006-90《閥門的試驗與檢測》等標準,參照國際標準ISO5208《工業用閥門的壓力試驗》和美國石油學會標準API1598《閥門檢驗和試驗》的標準規範要求而研製的產品,可對閥門進行殼體試驗,上密封試驗,高壓水密封試驗,在測試過程中可方便目測測試工件是否有泄露。
設備由主機架、水平平移的夾緊工作盤、對應於各種閥門口徑的密封盲板等組成。夾緊工作盤帶有水平平移機構可以將被測件水平平移,底部和上部帶有夾緊機構可以將被測件夾緊。
各種尺寸的法蘭外徑,可實現自動定心定位。上部和底部夾緊採用油缸實現夾緊。夾緊活塞桿均通過熱處理加工在夾緊過程中無任何變形現象。閥門法蘭的夾緊對被測試閥門採用垂直夾緊,保證了測試結果的準確性。夾緊工作盤可水平平移,以便於閥門的裝卸和密封試驗的操作及觀測。系列密封盲板上根據被測試閥門的口徑和端面形式、尺寸配備有組合“O”型密封圈,可靠地防止試驗介質經由端面泄漏而影響試驗的準確性。
抱爪式閥門試驗機外觀 二、設備特點
1、採用液體增壓泵作為壓力輸出源,液壓泵站提供夾緊動力。
2、輸出壓力可以無級調節,滿足多種壓力段的閥門和測試要求。
3,採用抱爪夾緊機構自動夾緊,夾緊壓力可調。
3、所有承壓零件都採用國際知名品牌的標準零件,無任何焊接連線,方便拆卸,安全係數高,壽命長、便於維護。
4、具有掉電保護功能,停電後系統自動卸壓,終止試驗,最大限度保證操作人員和設備的安全。
5,、可根據需要增加流量測試模組。
三、技術參數
1.校驗介質:水、氣、油。
2.驅動氣源壓力:0.2-0.8Mpa。
3.氣動氣源流量:0.8-1m³/min。
4.測試範圍:0-40Mpa(更高壓力可定製)。
5.閥門測試尺寸範圍DN:15-400mm。
6.校驗指標:耐壓、密封性。
性能參數 四、設備原理
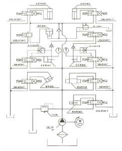
抱爪式閥門試驗機主要由四部分組成:氣源部分、控制系統、增壓系統、測試平台。
1,氣源部分:一般由空壓機提供的壓縮空氣來驅動。
2,,控制系統:採用自主開發軟體,配合各種控制閥、感測器等實現設備的控制,並帶有壓力曲線採集功能。
3,增壓系統:由思明特增壓泵、單向閥、蓄能器、安全閥、放空閥等組成。
4,測試平台:由安裝工作檯、密封盤、螺栓壓板等組成,採用法蘭端面密封,左側抱爪夾緊機構可移動,右側夾緊機構可90度翻轉,所有功能由液壓傳動、電氣按鈕控制。
設備原理圖 