簡述
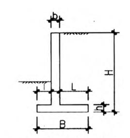
圖1由底板和固定在底板上的直牆所組成的擋土結構。直牆受力狀態與懸臂樑相似。是鋼筋混凝土擋土牆中最常用的型式之一。懸臂式擋土牆的構造型式有丄形及L形兩種(見圖1)。牆體的穩定性主要依靠底板上的填土重量維持。直牆靠填土一側常做成略為傾斜, 外側做成鉛直, 當填土高度不大時, 也可做成等厚度。底板一般做成變厚度, 即底面成水平, 板厚自直牆處向兩邊減薄。底板寬度由穩定計算決定,一般為牆高的0.6~0.8倍。通過調整外底板(直牆以外部分)和內底板(直牆以內部分)的長度,可改善穩定條件和基底的壓力分布。各部分的厚度和配筋根據強度計算確定。牆後需做排水設備, 每隔一定距離設伸縮沉陷縫。如有防滲要求,縫內應設止水。牆身不宜過高,超過6~8米往往不經濟。
受力分析
懸壁式擋牆由於胸坡壁立, 常用於碼頭、站場路肩牆。其外型呈倒“ T”型, 由立壁、趾板和踵板組成。踵板上回填土的重量有助於增加擋土牆的穩定性;趾板使抗傾覆作用力的力臂加長, 力矩增大, 也對穩定有利。只需根據彎矩和剪力計算, 對牆身適當配筋, 可實現牆身輕型化, 並且斷面簡單, 施工方便, 而且便於工場化生產,是一種經濟合理的結構 。在城市鐵路設中, 常採用懸壁式擋土牆作為路肩牆, 以節約用地。但由於輕型擋土牆的牆身在土壓力的作用下會產生較大的變形, 因此作用在牆背上的土壓力計算更加困難, 目前在設計時仍採用朗金理論, 或按相同邊界條件的庫侖公式計算, 兩種方法所得的土壓力相差不大。但這兩種方法都不能考慮擋土牆與地基之間的相互作用, 以及牆身變形等因素的影響, 得出的土壓力與實際情況差別較大。
有限元法可以將擋土牆與牆後填土作為整體來分析, 從而可以考慮牆體與填土之間的相互作用, 以及由於牆身變形引起的土壓力的非線性分布等問題, 在理論上更為完善。
計算模型
採用有限元法,將懸壁式擋土牆簡化為剛性連線的兩段梁,填土與擋土牆間採用無厚度的接觸面單元來模擬土與擋土牆間的摩擦。
圖2~5邊界條件為:兩側x方向約束,底部xz方向約束。
計算模型如圖2所示。計算寬度為60m,深度為30m;路堤填土高度4m,分4層填築,每層1m;邊坡坡度為1∶1,擋牆埋深1m.擋牆基礎為二灰砂礫石,寬6m,深1.7m;擋土牆立壁高5m,寬30cm;趾板寬1m,踵板寬2m,厚度分別取5、10、15、20、30cm進行計算,不考慮擋牆厚度變化引起的重量變化。採用彈塑性模型、摩爾—庫侖屈服準則,採用Anasys5.4進行計算。
計算結果
朗金理論計算結果
根據朗金理論計算得到作用在立壁上的土壓力及基底應力,並考慮趾板和踵板上的土層的自重可得到立壁、趾板和踵板處的彎矩和剪力。立壁的最大彎矩為27.32kN·m/m,最大剪力為26.87kN/m;趾板的最大彎矩為28.33kN·m/m,最大剪的力為57.92kN/m;踵板的最大彎矩為-9.04kN·m/m,最大剪力為-19.05kN/m。
有限元法計算結果
土牆立壁的牆身剪力和牆身彎矩圖。從圖4中可見,按朗金理論計算所得的剪力和彎矩遠小於有限元計算所得的剪力與彎矩值。這是由於牆後填土達到主要極限平衡狀態所需的位移量較大,牆身的變形較小,牆後填土遠不能達到主動極限平衡狀態。從圖3中可見,牆身的位移在靠近牆底處是偏向填土方向的,進一步造成了牆身下部的剪力值增大。圖5為趾板和踵板的剪力與彎矩圖。需要注意的是踵板的最大剪力出現在遠離立壁一端,而按朗金理論計算所得的最大剪力出現在靠近立壁一端。
兩種方法計算結果對比
表1為按朗金理論和用有限元法所得的計算結果對比表,取相同位置的數值進行比較。由表1可見,兩種方法所得的結果之間有很大的差別,在擋牆厚度為30cm的情況下,按朗金理論所得的結果普遍偏小,特別是立壁和趾板的剪力和彎矩,相差2倍以上,這就必然造成結構物的安全儲備不足。
| 材料名稱 | 重度/(kN·m) | 粘聚力/ kPa | 內摩擦角/(°) | 彈性模量/ MPa | 泊松比 | 初始孔隙比 | 衰減係數 |
| 回填土 | 17.8 | 10 | 30 | 20 | 0.3 | 0.8 | 0.6 |
| 二灰砂礫 | 18.5 | 100 | 30 | 50 | 0.2 | 0.6 | 0.6 |
| 基 底 | 17.0 | 15 | 20 | 10 | 0.35 | 0.9 | - |
| 擋 牆 | 20.0 | - | - | 21,000 | 0 | - | - |
懸壁式擋土牆的牆身截面較小,剛度相對較弱,在荷載作用下會產生較大的變形,這就必然會造成作用在擋牆上的應力的重新分布。按傳統的設計方法計算擋土牆的受力時不考慮擋土牆的變形,不考慮擋土牆與地基的相互作用,甚至不考慮立壁、趾板和踵板連線處的力矩平衡。所得的結果和實際情況必然會有很大的差別。採用有限元法進行計算可以考慮這些因素的影響,而且可以考慮由於填土、地基、擋土牆三者剛度的變化對擋土牆受力的影響。其它的一些輕型擋土牆,如扶壁式擋土牆、錨桿擋土牆、錨釘板擋土牆等均存在這一問題。
結論
1.朗金法與有限元法所得的懸壁式擋土牆的受力情況有很大的差別,特別是牆厚為30cm時結果相差幾倍,而且是朗金法計算所得結果較小,造成結構物存在安全隱患。
2.有限元法可以綜合考慮擋土牆與填土、地基之間的相互作用,所得結果更接近實際情況。建議設計單位以有限元為基礎進行輕型擋土牆的結構設計。
比較
與卸荷式擋土牆
圖6卸荷式擋土牆在懸壁式擋土牆牆壁上向擋土牆填土方向增加一個懸挑板A,如圖6所示,懸挑板上土自重通過懸挑板對擋土牆牆壁產生抗傾覆力,實際上懸挑板上的填土與擋土牆成為一個共體,稱之為卸荷式擋土牆。
(1)在同等條件下卸荷式擋土牆較懸壁式擋土牆在擋土牆牆壁根部之處彎矩要小,相應的可以減小擋土牆牆壁及底板的厚度和配筋。
(2)同等條件下卸荷式擋土牆牆壁所承受的傾覆力矩小,從而可減小擋土牆底板的寬度,這不僅可以減少土方開挖量而且在現場條件限制懸壁擋土牆底板的寬度時可考慮運用卸荷式擋土牆。
(3)由於卸荷式擋土牆底板寬度的減小應注意驗算底板的抗滑和地基承載力。
(4)在實際設計中懸挑板上填土通過懸挑板對擋土牆牆根部產生的彎矩可適當折減,因為懸挑板下填土如密實對懸挑板會有一定的支承力,為了不使懸挑板受力過大,即懸挑板過厚,也應控制懸挑板的寬度和h值。
與扶壁式擋土牆
圖7 扶壁式擋土牆當懸壁式擋土牆牆身較高或牆後有很大土壓力時,可在牆後間隔設定豎直扶壁,以加強牆與底板的連線,減少牆身的彎矩與剪力,稱之為扶壁式擋土牆(如圖7)。
扶壁式擋土牆和懸壁式擋土牆相似,一般用於牆身高度大於l0m的擋土牆。此時立壁撓度較大,為了增強立壁的抗彎性能,常沿擋土牆的縱向一定距離設定一道扶壁,所以稱為扶壁式擋土牆。扶壁間填土可增加抗滑和抗傾覆能力。底板厚度可取H/14~H/12,扶壁與扶壁中心線間距S應取0.3~0.6H;扶壁與擋土牆末端距離不應小於0.4S,並且不應小於200mm。牆身及牆踵可作為三邊固定的板用有限元方法進行最佳化設計。

