廣東錦菱餐飲設備有限公司簡介
錦菱的LOGO其司,行銷則以與經銷商全國各作模式。與全國各大酒店用市場廚具經營檔建立供銷關係,而達成全國產品銷售與服務網路的搭建。通過經銷商的酒店工程接單,該司負責設計,方案企畫,設備製造安裝來完成複雜的工程案例。經過市場的考驗,該司產品深受經銷商與用戶的好評。
錦菱廠區火鍋電磁爐產品介紹
錦菱火鍋電磁爐與其他電磁爐都是採用磁場感應渦流原理,它利用高頻的電流通過環形線圈,從而產生無數封閉磁場力,當磁場那磁力線通過導磁(如:鐵質鍋)的底部,既會產生無數小渦流(一種交變電流,家用電磁爐使用的是15-30KHZ的高頻電流,而錦菱的技術能使高頻恆定,保持在一定範圍之內,從而使鍋子更適用於商用),使鍋體本生自行高速發熱,然後再加熱鍋內食物。
火鍋電磁爐的工作原理鍋和電磁爐內部發熱線圈盤組成一個高頻變壓器,內部線圈是變壓器初級,次級是鍋。當內部初級發熱線圈盤有交變電壓輸出後,必然在次級鍋體上產生感應電流,感應電流通過鍋體自身的電阻發熱(所以鍋本身也是負載),產生熱量。假如:當內部初級發熱盤有交變電壓輸出,若次級及負載(鍋)不存在,則輸出功率將非常低。當然在實際電路中,我們必須要很快的檢測到此功率的變化,並將輸出到發熱線圈盤的交變電流關斷。
由於非導磁性材料不能有效匯聚磁力線,幾乎不能形成渦流(就像一個普通變壓器如果沒有矽鋼片鐵心,而只有兩個繞組是不能有效傳送能量的),所以基本上不加熱;另外,導電能力特別差的磁性材料由於其電阻率太高,產生的渦流電流也很小,也不能很好產生熱量。所以:電磁爐使用的鍋體材料是導電性能相對較好,鐵磁性材料的金屬或者合金以及它們的複合體。一般採用的鍋有:鑄鐵鍋,生鐵鍋,不銹鐵鍋。純不銹鐵鍋材料由於其導磁性能非常低,所以在電磁爐上並不能正常工作
錦菱火鍋電磁爐面板採用肖特玻璃面板,導磁性能更好。溫差變化容率更好,完全避免瞬時溫差所產生對玻璃的破壞。錦菱大部的電磁爐外觀設計都是嵌入式,與電磁爐餐檯構成一個平面整體或者是下沉與連同鍋具構成一個用餐整體。
可以配合酒店家具類形狀融洽。從而達到高品質的用餐環境
。
而錦菱火爐電磁爐的內部結構上組成上,關鍵的部件,比如IGBT、整流橋、振盪電容、銅芯粗股線盤、都是為了商用火鍋爐的長時間工作穩定而高要求採購進口與經測評過的國產電子元配件。
電網環境的使用,一直以為都是不太平衡。在中國這個工業高速發展的年代對於電用量的需求是非常之大的,當白天的用電網差不多都是在滿載情況下的電壓,此時一般的電壓比較低。而在晚上,當大多數工業企業設備停轉的時候電壓瞬時則會升高。一高一低的電壓,如果在元件上採用不合格的,就在這種衝擊電壓的環境中很容易就出現異常或損壞。特別是在振盪電容中對電流電壓的衝擊要求更能體現出一種電磁品質的好壞,因為電容顧名思義是一個蓄電放電連續工作的傢伙,電流在衝擊,電容強度不夠,流離電子鎖定不夠這都不是一個好的電容。這就可以解釋現在有些產品在以低價價格出售,在剛剛使用的時候完全沒有問題,而在使用一段時間之才會出現,不加熱,或加熱慢,最後不工作了。
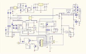
下面介紹錦菱電磁爐的電子電路工作原理
火鍋電磁爐電子元件圖PAN電磁線盤的後級為T102電流取樣變壓器,通過T102次級將電流信號傳遞給電壓比較器LM339進行檢測。
T102的後級為高壓保護二極D,作用為保護IGBT,防止反向高壓擊穿IGBT。IGBT的控制極由驅動器TA8316S驅動,TA8316S輸出14KHz頻率的脈衝,根據TA8316S輸出的脈寬來調整IGBT通斷時間的長短,從而達到調整功率的要求。
LM339為電壓比較器,PD16使用兩塊LM339:一塊為IC5,主要功能為鍋具檢測、溫度檢測;另一塊為IC6,主要功能為電流檢測,電壓檢測。IC5、IC6兩個LM339比較器都將檢測信號反饋到TA8316S驅動器上,從而達到調整功率的要求。
線盤中間的熱敏利電阻RT通過熱量變化轉換為電平變化,然後通過Q601三極體推動將信號傳遞到TA8316S,從而調整功率的大小,以達到調整鍋具的溫度。
IGBT散熱鋁塊上固定有溫度開關K1,當IGBT過熱時,溫度開關K1的通斷狀態發生變化,從而接通IC1集成塊①腳,通過①腳電平的高低變化,從而使IC1集成塊④腳復位停機。
風扇的電源控制由IC4的第⑦腳輸出高電平至三極體Q703,從而使Q703導通,風扇通過12V直流運轉。
控制電路的電源主要由T101變壓器的初級接入,次級輸出連線有三組串聯穩壓電路。一組通過ZD204、C207、R204、Q203形成+5V電壓,主要供給集成塊IC1供電;一組通過ZD201、C203、R203、Q201形成+24V電壓,主要供給集成IC3供電。另一組通過ZD203、C205、R203、Q202、R202形成+12V、+10V電源,+12V電源主要供給風扇,+10V主要供給IC6、Q301、ICS、Q602、Q601、Q501供電。
電磁爐是套用電磁感應原理對食品進行加熱的。電磁爐的爐面是耐熱陶瓷板,交變電流通過陶瓷板下方的線圈產生磁場,磁場內的磁力線穿過鐵鍋、不鏽鋼鍋等底部時,產生渦流,令鍋底迅速發熱,達到加熱火鍋的目的。
電磁爐面是一塊高強度、耐衝擊的陶瓷平板(結晶玻璃,也就是肖特玻璃),台面下邊裝有高頻感應加熱線圈(即勵磁線圈)、高頻電力轉換裝置及相應的控制系統,台面的上面放上相應的鍋具就可以開涮了。
