概述
尺寸與公差和幾何尺寸和公差規範的使用方法如下:
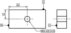
標著尺寸規格定義,作為建模的或根據預定的幾何形狀。公差規範定義了允許偏差的形式和規模可能是個別的功能,而允許變化的方向和位置與功能。 有兩個例子是線性尺寸和使用功能控制框架基準參考。
幾何尺寸和公差GD&T是美國的國家標準,同時也是國際標準,它根據(ASME Y14.5M-1994)尺寸標註與公差標準而制定的(ASME是美國機械工程師學會的縮寫),主要是個機械標準。這篇文章是基於這個標準,但其他標準,如那些來自國際標準化組織 (ISO)的,可能會有所不同。
