作用
多用於建築工地等工程。
水力發電站
電力系統
電力調度
槽形
十字槽,內六角,加減槽,梅花槽,一字槽等等
十字槽
主要標準有ISO 7046,JIS B 1111,QC 254,GB /T 819.1,GB 819,GB /T 13806.1,DIN 965.
十字槽平頭螺釘內六角
主要標準有ISO 10642,DIN 7991,GB /T 70.3,ASME/ANSI B 18.3.5M,BS 2470,JIS B 1194,UNI 5933,BS 4168,CNS 4558,NF E 25-146-2004等。
內六角平頭螺釘梅花槽
主要標準有GB/T2674-2004,ISO 41584-2001,Q257
定義
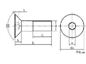
平頭螺絲又稱沉頭螺絲,叫法不同,意思是一樣的。很多人喜歡叫沉頭螺絲,也有很多人喜歡叫平頭螺絲。螺絲頭部是平頭的,一般是帶十字槽,內六角,加減槽,梅花槽,一字槽等的。螺桿下面一般是機絲牙螺桿,當然如果是平頭自攻螺絲的話,那一般就是自攻牙螺桿。平頭螺絲,沉頭螺絲行業國標基礎知識,定然內容要講的比較多。
國標號
平頭螺絲,沉頭螺絲國家標準號為GB819.全稱為十字槽沉頭螺釘。它是指國家在1985年頒布的國家標準。
材質
平頭螺絲,沉頭螺絲按材質為有鐵的和不鏽鋼的。鐵的一般我們行業叫A3鋼的,也就是碳鋼的。有三種,一種是低碳鋼,另一種是中碳鋼,在最後一種是高碳鋼。不鏽鋼的也有很多種,有不鏽鋼SUS201,不鏽鋼SUS304,不鏽鋼SUS316等等。
硬度
平頭螺絲,沉頭螺絲硬度方面,一般市場上比較常用的是4.8級的平頭螺絲,但有些客戶對硬度要求比較高的話,一般都會要求加硬處理。也就是我們常說的螺絲熱處理。
電鍍
平頭螺絲,沉頭螺絲電鍍方面,一般有兩種,一種是電鍍環保的,一般是電鍍非環保的。當然不鏽鋼平頭螺絲一般是不需要電鍍的,除非客戶另外要求。電鍍環保的有:環保白鎳,環保白鋅,環保蘭鋅,環保彩鋅,環保黑鋅等,非環保的有黑鋅,包黑,白鋅,蘭鋅,彩鋅,鎳等等。
運用範圍
主要用於機械設備,電氣,電力,電器,交通,船舶,化工,水利等各行各業。

