產品介紹
具有輸入過壓保護、輸出過壓保護、過負荷保護、短路保護、溫度保護、軟啟動、控制使能端子等功能。
此類電源設計用來滿足長壽命、高可靠的嚴酷套用需求,採用自動化的生產線進行生產,嚴格進行元器件選型、篩選、生產、測試和檢驗,產品達到世界級水平。
自2011年獲得中華人民共和國國家知識產權局頒發的實用新型專利證書正式推出以來,產品不僅在中國地區銷售,而且遠銷歐洲、東南亞地區,在眾多開關電源製造企業中占據了領先地位,成為眾多生產國家電網、南方電網新標準的電錶企業、方案公司、出口表企業、中小型電錶企業不可分離的好夥伴。
特點
1、全球通用的超寬輸入範圍DC56V~DC650V連續工作。最低工作電壓DC56V保證在低壓環境下同樣準確計量。高達DC650V的工作電壓任意兩線都能確保設備正常工作。適用於不同電壓等級的電能表,節省管理和採購成本。
2、開放式設計,體積超小,重量超輕。超薄設計的電源,僅厚8mm,可以為小型的設備提供更大空間,減輕布板壓力。
3、具有使能控制端子,可聯合使用。
4、全部4000Vac隔離,電磁兼容滿足4級。具有很強的抗干擾能力。
5、長壽命、高可靠、安全性更高,滿足嚴酷環境要求。元器件選擇工業級器件,並且無與壽命相關的元件及零部件。工作溫度範圍達到-45℃ ~ 85℃,依然能夠正常工作。
6、無Y電容設計。
平板開關電源(PSH系列)採用先進技術,採用無Y電容設計,實現低紋波噪聲,把電路的安全隱患降到最低。
7、專為電力各類電能表、智慧型電錶,抄表系統等高要求行業設計。
8、高效率與低能耗。
一般情況下,平板開關電源(PSH系列)套用在智慧型電錶的效率為70%左右,功耗在0.3-0.4W/W,傳統線性電源僅為效率為40%左右,功耗則高達0.8-1.3W/W。
以單表10年耗電為例[E(kWh)=P(W)*24(h)*365(d)*10(y)/1000]:
使用平板開關電源(PSH系列)的智慧型電能表(載波)單表功耗為0.5W,10年耗電量為43.8度;傳統線性電源智慧型電錶(載波)單表功耗為1.35W,10年耗電量為118.26度。每一隻表10年節電量為:118.26-43.8=74.46度。所以,高效率更節能、更環保。
適用範圍
平板開關電源(PSH系列)目前主要套用如下:
| 載波電能表 | 電卡電能表 | 三相無線電能表 | 統計型電壓表 |
| 485電能表 | 三相電能表 | 多功能電能表 | 電壓合格率統計表 |
| 無線電能表 | 三相載波電能表 | 簡易多功能表 | 關口電能表 |
| 預付費電能表 | 三相485電能表 | 電壓監測儀 | 採集器 |
| 各種工業用儀器儀表 | 醫療、鐵路和通訊等高要求行業 | ||
質量與安全
質量標準
平板開關電源(PSH系列)滿足IEC/EN/UL60950 、GB4706和國家電網公司《國家電網公司電能表功能規範》及其相關各類智慧型電能表技術規範、《DLT698電能信息採集與管理系統》相關設備安全和技術標準。
平板開關電源(PSH系列)以 HDC/DC模組電源設計作為一個電源器件來使用,該器件完全(無條件)滿足上述標準中所描述的安全和質量標準。當其安裝於產品後為了確保最終產品能夠滿足相關的套用安全、質量和技術標準,在使用本產品時必須根據最終用戶的實際套用需求來考慮相關器件特別是電解電容的質量、壽命要求和相關標準,否則可能影響最終產品的質量水平。
安全
平板模組電源的工作電壓已經超出人員直接接觸安全範圍,必須杜絕人員直接接觸的可能,在進行PCB布線時還要考慮安全和絕緣距離,安裝時要留有足夠的空間,並遠離熱敏感器件和物質,防止出現安全事故和絕緣破壞。
平板開關電源(PSH系列全部滿足4000Vac 的電氣隔離標準,按照相關的電氣設備安全的強制標準,在輸入和輸出,輸出和輸出之間施加4000Vac(或6000Vdc)電壓,時間60秒(具體參照產品要求),漏電流小於5 mA。
模組電源的輸入電壓是限制在一定的範圍內使用的,如果超出範圍(過高或過低)將會造成工作不穩定,嚴重時會造成損毀,應在額定範圍內使用。
模組電源的最高工作溫度可達85℃,其內部溫度更高,由於採用自然冷卻方式,在使用中應注意其擺放位置有利於冷卻,遠離忌高溫的設備(元件),並防止被觸摸。
可靠性
平板開關電源(PSH系列)的平均無故障工作時間(MTBF)是在滿載,環境溫度(TA)為 +40℃情況下的計算結果,這是信息和通訊設備(ICT)測試的典型條件。不同的預計平均故障間隔時間和失敗率計算方法可能會有不同的結果。
電磁兼容
EMC
平板開關電源(PSH系列)的EMC測試是將模組直接安裝在標準測試板(包含外部輸入濾波器)上進行的,測試結果滿足 IEC/EN 61000標準或國標GB/T 17626 群脈衝四級( 4kV)、浪涌四級( 4kV)、抗靜電 15kV,完全符合電力、電信、醫療和鐵路等相關部門的技術要求。
EMI
平板開關電源(PSH系列)EMI 測試是將模組直接安裝在思立科的標準測試板(包含外部輸入濾波器)上進行的,測試條件為輸入 220Vac,滿載,採用10M法暗室測量法進行測量。測試結果滿足 EN55022, CISPR 22 和 FCC class B級標準,典型EMI測試數據如下圖所示(中國電子集團第14研究所電磁兼容實驗室 CNAS L1923提供)。
套用參考
輸入電壓
平板開關電源(PSH系列)模組的輸入電壓為 56Vdc ~ 650Vdc,當用於交流迴路時,採用全橋整流可滿足交流輸入電壓範圍 45Vac ~ 460Vac,該電壓範圍滿足國內各種不同的電壓等級( 57V,100V, 110V, 220V和 380V),並保證一定的餘量。另外該電壓範圍幾乎滿足全球任何國家的電壓標準,最終產品可以真正做到一次生產,全球通用。
關斷電壓
平板開關電源(PSH系列)HDC/DC模組電源的輸入電壓低於 35Vdc時會自動關閉輸出, 56Vdc時能穩定工作。由於其工作範圍非常寬,正常情況下,電源總能很好地工作,如果輸入電壓上升,高於700 Vdc時模組會自動保護並關閉輸出(輸入電壓下降後自動恢復工作),但當電壓繼續上升高於1000Vdc時電源模組可能會燒毀,但不會損壞用戶設備,如果輸入電壓繼續升高將帶來不可預料的後果。
使能端子
使能端子EN的引入,使模組套用更加靈活,亦可以使模組以陣列方式聯合工作(分時)。例如用於電能表電源時,可做到輔助電源或主電源優先權自動切換、通過軟體設定輔助電源優先權,選擇主電源優先還是外部輔助電源優先。當使能端子接入高電平(10Vdc - 30Vdc)時,模組處於關斷狀態,此時開關電源不工作,處於待機狀態,不(很少)消耗能量。當使能端子接入低電平或懸空時,模組處於工作狀態。此特性在多電源聯合例如電能表主電源和輔助電源)工作中特別適用,能顯著增加產品可靠性和適應性,如需模組連續輸出,將使能端子懸空或對輸入地短接(DC-)即可。
過溫保護
平板開關電源(PSH系列)模組電源具有內部過溫關機保護功能,當模組電源PCB 板標記①處的溫度達到 110℃時將立即關閉輸出,當溫度下降大約 5℃ 電源自動恢復工作。
紋波噪聲
紋波噪聲按照推薦電路在輸出加入相應的濾波迴路後進行測量,通常建議輸出1迴路加裝儲能濾波電容和外部濾波器,輸出2迴路如果對紋波要求不高,直接用一個電容就可以,要求高的話也可以加裝一個LC濾波器,具體見典型設計。
最大容性負載
對動態範圍要求較高的情況下,在輸出迴路增加退耦電容可以明顯改善電壓調整率,退耦電容要儘可能靠近負載並使用低ESR的陶瓷電容。同時電路板的材料,步線以及元器件的擺放位置都會影響相關電氣參數(寄生電感,分布電容等),從而可能對電源模組的穩定性和動態回響特性產生影響。因此,根據實際套用經驗,推薦按照典型設計相關參數表來配置輸出電容和其它濾波迴路,注意最大容性負載不要超過參數配置表的值,輸出濾波電容在配置時需要考慮容性負載的特點,輸出電容和負載電容(容性部分)之和一定不超過最大容性負載。如果需要更大值請與思立科電子相關人員聯繫。
並聯運行
思立科PSH系列模組電源不能和其它類型的開關電源並聯運行,也不推薦多個PSH系列模組電源直接並聯運行,如有需要並聯應該增加相應的並聯控制電路,同時保證即使發生故障也不會造成故障擴大或引起額外的故障和損壞。
工作溫度
平板開關電源(PSH系列)設計工作溫度為-40℃ ~ +85℃ ,其實際工作的環境溫度取決於當前負載,PCB安裝方式,空氣流動等。建議通過實際測試來決定最高工作溫度,方法是測量模組電源上溫度最高的溫度點,使PCB版標記①處溫度小於110℃(同時保證標記②處溫度不高於120℃,標記③和④處溫度不高於 110℃)。
軟啟動
交流輸入開關電源需要採用整流加電容濾波電路,在電源合閘瞬間會形成很大的瞬時衝擊電流,此電流稱為輸入浪涌電流,這個浪涌電流可能達到電源靜態工作電流10到100倍以上。如此大的衝擊電流往往會導致電路保護動作造成開關合閘失敗,輸入熔斷器、整流二極體等燒毀,甚至將合閘開關的觸點燒壞。根據UL1950、IEC950安規要求,將浪涌電流一般設在25A左右, 因此在輸入迴路首先考慮加入浪涌電流限制電流或軟啟動電路來限制浪涌電流的幅度。
可以採用熱敏電阻保護免受浪涌電流的影響,但是熱敏電阻在熱態下重新啟動時,對浪涌電流起不到限制作用。對浪涌要求比較高的場合,建議在迴路中直接串聯一個適當的電阻(影響整體效率),既可以把浪涌電流限制在可接受的範圍內,又不影響變換器的正常工作。
輸入濾波器
為了滿足EN55022,CISPR22、FCC class B和電力行業相關要求,在輸入端需要加入EMC濾波電路,如果使用交流電,那么濾波迴路要和安規、整流以及軟啟動迴路一起設計,推薦電路見典型設計。
安規電容
安規電容是指即使電容器失效,也不會導致電擊,仍然滿足安全標準不危及人身安全的電容器件。根據IEC 60384-14,電容器分為X 電容及Y電容,X電容抑制差模干擾,Y電容抑制共模干擾,分類如下
| X電容 |
| 安全等級 | 峰值脈衝電壓 | 過電壓等級 |
| X1 | > 2.5kV ≥4.0kV | III |
| X2 | ≤2.5kV | II |
| X3 | ≤1.2kV | I |
| Y電容 |
| 安全等級 | 耐壓等級 | 額定電壓 |
| X1 | > 8kV | ≥250V |
| X2 | > 5kV | ≥150V ≤250V |
| X3 | n / a | ≥150V ≤250V |
| X4 | > 2.5kV | <150V |
無論是X電容還是Y電容都必須使用具有安規認證的電容器,如CCC認證,UL認證 或CE認證等。
電解電容
在套用中輸入Buck電容和輸出儲能電容一般選用鋁電解電容,考慮到平板開關電源(PSH系列)可能套用在高壓段時,通常輸入電容器需要二個電解電容串聯,此時要考慮使用平衡電阻器,使得各個電容上的電壓在其額定的範圍內。另外如果工作在電網污染嚴重地區,可考慮在輸入端再增加一個Y電容。選擇電容時要考慮壽命、ESR電阻和紋波電流的大小,特別是輸出電容上的脈動電流通常很大,應選用低ESR的。電解電容不得和周邊的發熱元件直接接觸,正下方不得有焊盤和過孔。
啟動時間
平板開關電源(PSH系列)模組啟動迴路要求最小損耗,這會對模組的啟動時間產生影響,通常情況下輸入電壓越低啟動時間越長。在交流電源套用中,整流電路和軟啟動電路也會對啟動時間產生影響。典型特性中的啟動時間曲線是按照推薦電路測得的啟動時間。
保持時間
在開關電源的輸入電壓撤銷後,依然保持額定輸出電壓不變的時間。該時間和輸入Buck電容的容量成正比,和負載功率成反比。如果對保持時間有嚴格要求,應該按照實際的套用情況來測試保持時間,如果保持時間不夠可以通過增加輸入Buck電容的容量來解決。
最小負載
開關電源有最小占空比的問題,它的最小負載是有限制的,平板開關電源(PSH 系列)通常為滿載的5%,如果負載變化範圍比較大,建議增加一個假負載(按滿載的5%取值)與負載並聯。如果負載比較輕,電源工作不穩定應該使用假負載來穩定輸出,當然這時候應該考慮使用更小功率的電源模組。
輸出濾波
平板開關電源(PSH系列)模組輸出迴路必須加裝儲能濾波電容,這個電容通常是鋁電解電容,推薦各模組儲能電容如下表,具體選用時應該選擇低ESR的電容,壽命根據具體的產品要求來定。
| 模組 | 輸出1 | 輸出2 |
| PSH03D - 5/5 | 680μF / 10V | 300μF / 10V |
| PSH03D - 5/12 | 680μF / 10V | 100μF / 25V |
| PSH03D - 25/15 | 100μF / 50V | 100μF / 25V |
對紋波要求不是很嚴格的套用,配備儲能電容後通常能夠滿足要求,但在對紋波噪聲要求比較高的套用場合,可以增加一個簡單的附加LC濾波器,LC濾波迴路參數按下表配備。
| 模組 | 輸出1 | 輸出1 | 輸入2 | 輸入2 |
| 模組 | 電感 | 電容 | 電感 | 電容 |
| PSH03D-5/5 | 3.3uH | 470uF | 3.3uH | 220uF |
| PSH03D-5/12 | 3.3uH | 470uF | 6.8uH | 47uF |
| PSH03D-25/15 | 6.8uH | 68uF | 6.8uH | 47uF |
平板開關電源| 對紋波噪聲有更嚴格(極低紋波)要求的套用,請于思立科公司技術人員聯繫。 |
PCB步線
在進行套用PCB板步線時應考慮PSH系列模組電源包含高壓迴路,並伴有高溫,因此要保留電氣安全距離和空間距離防止高壓和高溫對其它電路或器件影響。
輸入Buck電容和輸出儲能電容要儘可能靠近模組電源的管腳,另外 在模組電源下部儘量不要走線,如果要走必須注意不要對耐壓產生影響。
焊接要求
平板開關電源(PSH系列)模組電源通過插針焊接在最終產品的PCB上時,如果使用波峰焊接機,插針允許最大溫度為260 ℃ 10秒, 350 ℃ 3秒。對手工焊接要避免烙鐵頭長時間接觸插針造成過熱損壞排針。
推薦使用免清洗助焊劑以避免清洗HDC/DC模組,防止影響模組的長期穩定性和隔離耐壓。
RoHS兼容
平板開關電源(PSH系列)設計為RoHS兼容產品。可為客戶提供完全滿足RoHS要求的產品。
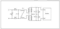
單相交流電源
使用平板開關電源(PSH系列)模組組成的單相交流電源具有從45V至460V的超寬交流電壓輸入範圍,無論是民用220V還是工業用380V、甚至儀表行業的110V或57V電壓,都能可靠工作,無須進行電壓切換和更換不同的接線端子。相關輸入整流及防護電路如下圖,該電路設計具有很高的電磁兼容性能,滿足IEC/EN 61000標準或國標GB/T 17626,無需額外電路。
平板開關電源| 器件 | 推薦參數 | 說明 |
| RL1,RL2 | 20Ω / 5W | 防護電阻 |
| RV | 510VAC / 6500A | 壓敏電阻 |
| VD1 …VD8 | 1A / 1kV | 整流二級管 |
| Cx | 0.22μF X1 | X1電容 |
| T1 | 18mH 0.5A | 濾波電感 |
| R1,R2 | 2M / 0.25W / 500V | 電阻 |
| C1,C2 | 47μF / 450V | 電容 |
輸出濾波迴路各參數的選取參照輸出濾波一節,也可查看相應的定貨單。第二路紋波噪聲要求高時,可在其輸出迴路增加LC濾波電路,否則用一個電容以節省成本。
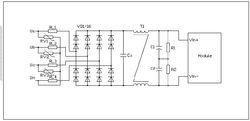
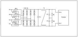
三相交流電源
使用PSH系列模組組成的三相交流電源具有從45V至460V的超寬交流電壓輸入範圍,因此無論是民用220V還是工業用380V、甚至儀表行業的110V或57V電壓,都能可靠工作,無須進行電壓切換和更換不同的接線端子。相關輸入整流及防護電路如下圖,該電路設計具有很高的電磁兼容性能,滿足IEC/EN 61000標準或國標GB/T 17626,無需額外電路。
| 三相三線交流電源套用電路 |
平板開關電源 |
| 三相四線交流電源套用電路 |
平板開關電源 |
| 器件 | 推薦參數 | 說明 |
| RL,RL1…RL4 | 20Ω / 5W | 防護電阻 |
| RV,RV1,RV2,RV3 | 510VAC / 6500A | 壓敏電阻 |
| VD1 …VD16 | 1A / 1kV | 整流二級管 |
| Cx | 0.22μF X1 | X1電容 |
| T1 | 18mH 0.5A | 濾波電感 |
| R1,R2 | 2M / 0.25W / 500V | 電阻 |
| C1,C2 | 47μF / 450V | 電容 |
輸出濾波迴路各參數的選取參照輸出濾波一節,也可查看相應的定貨單。第二路紋波噪聲要求高時,可在輸出迴路增加LC濾波電路,否則只用一個電容可節省成本。

平板開關電源
平板開關電源 