定義
布拉特鋼工藝特色
布拉特鋼錠其中可以看到大量粗大的一次碳化物支晶交叉排列,甚至在大量鍛造形變以後仍舊無法消除。這是由於阿諾佐夫派布拉特的工藝所致。其工藝要求緩慢冷卻,由於鋼液中的熱液交帶作用,產生了粗大方形組織。這種情況大量存在於俄國製造的布拉特,和所謂不銹布拉特。
溫度、時間和含碳量並稱為布拉特鋼的三元素,合寫成為公式(溫度X時間)x含碳量,根據資料一般認為這個公式的數值越大越好。根據品質又被細分為:網狀布拉特,灰色布拉特和黑色布拉特。無數俄文資料里引用過阿諾索夫的名言“чем дольше варится булат, тем он лучше. ”(半凝固狀態)煮的時間越長,鋼的質量越好。雖然這是和現代冶金實踐經驗完全相反的駁論。
熱液交代格線
被拉伸的熱液交代格線與烏茲鋼的本質區別
從金相組織上來看傳統的印度-波斯烏茲鋼的組織是由先共析鐵素體中析出的2次碳化物偏聚集導致的。還包括由珠光體和碳化物組成的帶狀組 織。分別為如圖所示:
烏茲鋼金相照片
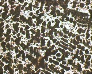
布拉特鋼組織
亞共晶鑄鐵與烏茲鋼花紋的外觀區別
布拉特與傳統烏茲鋼在視覺上也有明顯區別。下面是幾組對比圖,可以輕易進行鑑別。如出現熱液交代格線即可認為是鑄鐵類原料鍛造而成的結果,而非烏茲鋼紋。
烏茲鋼
布拉特鋼
烏茲鋼
布拉特鋼不銹布拉特鋼
在布拉特工藝當中還有一項延伸向鋼材原料中添加百分之十幾的鉻來達到不銹目的,被稱之為不銹布拉特鋼。最簡單的工藝是使用含碳2%以上,含鉻18%的Cr18型耐熱鑄鐵進行布拉特式枝晶粗化。Cr將在布拉特鋼當中代替Fe與碳形成碳化物。由於Cr7C3顆粒尺寸遠遠大於Fe3C,而且極易剝落,如果製造含高鉻的不銹布拉特鋼只能令布拉特鋼原本所具有的高脆性更加明顯並且降低鋒利度,因此應當認為得不償失。
布拉特的硬度
布拉特鋼經淬火回火的成型製品很硬,淬火回火之後可以到61-63hrc(屬於高碳鑄鐵淬火後正常範圍),但是其枝晶骨架幾乎沒有任何塑性和韌性,非常之脆。而古代烏茲鋼兵器絕大多數的整體硬度都在50hrc以下(並非大多數傳聞的60hrc以上),但是局部顯微硬度可以到65,而且抗斷裂能力非常之好。這一點也是布拉特鋼與烏茲鋼很顯著的性能區別。
偽造烏茲鋼錠
由於烏茲鋼古董市場在國際上長期的需求,經常有高加索地區產的現代布拉特鋼魚目混珠冒充烏茲鋼錠的現象。由於布拉特鋼錠粗大的枝晶組織酸洗後與烏茲鋼錠花紋相似,因此收藏者常常上當。烏茲鋼錠與布拉特鋼錠往往需要藉助儀器才能進行鑑別,主要區別為:在印度礦區的鐵礦石成分當中並不含有大量的鉻,並且由於古代的冶煉技術所限不可能人為向坩堝當中添加百分之十幾的鉻,因此用含高鉻的鋼錠一定為布拉特鋼錠。在印度礦區的鐵礦石成分當中並不含有大量的硫,並且在進一步熔煉之後會除去絕大部分硫,因此用含高硫的鋼錠一定為布拉特鋼錠。
對布拉特鋼的總體評價
綜合國內外對烏茲鋼的研究結果,可以認為:
1.布拉特和亞共晶白口鑄鐵對比,在金相組織上十分相似,而與古代烏茲鋼卻有很大差別。所以可以認為阿諾佐夫派的俄式布拉特本質是亞共晶鑄鐵。布拉特鋼和烏茲鋼有本質上的區別,鑄鐵與鋼的區別。
2.不銹布拉特鋼會惡化布拉特鋼的性能
3.古代烏茲鋼兵器絕大多數的整體硬度都在50hrc以下但是局部顯微硬度可以到65,而且抗斷裂能力非常之好。而布拉特鋼硬度往往達到61-63,極脆的枝晶骨架嚴重惡化了性能。
4.在印度礦區的鐵礦石成分當中並不含有大量的鉻和硫,高鉻高硫成分的鋼錠可以斷定為仿冒烏茲鋼的布拉特鋼錠。
