產品簡介
巴西ADSL語音分離器,就是適合巴西市場的ADSL語音分離器,巴西人通常叫ADSLFILTER,ADSLSPLITTER。ADSL語音分離器(ADSLSPLITER)是用來將電話線路中的高頻數位訊號和低頻語音信號分離。低頻語音信號由分離器接電話機用來傳輸國語音信息;高頻數位訊號則接入ADSLModem,用來傳輸上網信息和VOD視頻點播節目。這樣,您在使用電話時,就不會因為高頻信號的干擾而影響您的話音質量,也不會因為在上網時,打電話由於話音信號的串入影響上網的速度。
巴西市場對ADSL分離器的要求
1. ADSL語音分離器需要有ANATEL認證,ANATEL認證是由巴西國家電信總局認可的合法執照。
2. ADSL語音分離器RJ11(6P2C)母座,RJ11水晶頭(6P2C),需要鍍金厚度1.27um(50U嘜鍍金)。
3. ADSL語音分離器RJ11(6P2C)母座處需填充固體防鏽膠,類似果凍膠。
產品組成部分
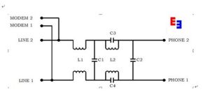
ADSL產品組成部分ADSL語音分離器電氣原理
DSL產品電氣原理巴西ADSL語音分離器性能規格
產品參數巴西市場ADSL語音分離器圖片
用戶端ADSL語音分離器
免費技術支持
