工業污泥濃度計是為測量市政污水或工業廢水處理過程中懸浮物濃度而

1.1測量原理
感測器上發射器傳送的紅外光在傳輸過程中經過被測物的吸收、反射和散射後僅有一小部分光線能照射到檢測器上,透射光的透射率與被測污水的濃度有一定的關係,因此通過測量透射光的透射率就可以計算出污水的濃度。
BSS-200A光工業污泥濃度計的感測器使用了四光束技術,如圖1-1所示:
四光束技術利用兩個發射器和兩個檢測器,每個發射器傳送的光線經過透射後照射到兩個檢測器上,這樣就產生一系列的光路,得到一個數據矩陣,然後通過分析這些數據信號,即可得到介質中懸浮物的準確濃度,並能有效消除干擾,補償因污染產生的偏差,使儀器能在較惡劣的環境中工作。 1.2 技術規格
技術規格如表1-1所示:

| 系 統 | 選單驅動式軟體,具有多點校準功能和約束性編程,可以對測量範圍、繼電器和電流輸出進行設定; |
| 變 送 器 | 外殼:外層為聚酯的塑膠外殼,符合IP 65 標準; 重量:2 kg |
| 傳 感 器 | 感測器材質:316不鏽鋼。 電纜:禁止電纜。 電纜長度:標準長度為8m。 |
| 電 源 | 交流220 V,50/60 Hz; 最大消耗功率:15 VA; 保險絲:2 A /220VAC。 |
| 顯 示 | 顯示屏192 × 64像素,可顯示濃度測量值、當前時間、歷史趨勢線等。 |
| 測量原理 | 紅外光透射,四光束測量。 |
| 輸出特性 | 1路4~20mA電流信號隔離輸出,最大負載750歐姆; 2個報警信號繼電器,容量220 VAC/ 2 A,輸出可由用戶設定; 1個沖洗時間繼電器,容量220 VAC/ 2 A,時間可由用戶設定。 |
| 測量性能 | 測量量程:量程根據測量介質不同而不同活性污泥:0~25g/L,二氧化矽:0~400g/L。 測量單位:g/L和mg/L兩種可選擇。 解析度:0.01g/L或1mg/L。 精確度:滿量程的±2%,即±2%FS。 重複性:讀數的±1%或者50 mg/L,取二者中的較大者。 |
| 標 定 | 出廠時對零點和第一點進行了標定,用戶需要在現場進行第一點標定。 |
| 工作環境 | 溫度:0~50℃; 流速:最大3 m/s,最小0.3 m/s; 壓力:最大10 bar 。 |
| 清洗裝置(可選) | 清洗裝置空氣壓力:最小0.7 bar,最大3.4 bar; 清洗裝置的控制:由MLSS變送器或者用戶定時器控制電磁閥; 清洗裝置的連線:聚丙烯管道(1/4寸)和可重複使用的聚丙烯接頭。 |
u 給水廠
沉澱池
u 污水處理廠
進水口、出水口、曝氣池、回流污泥、初沉池、濃縮池、污泥脫水等
u 造紙廠
紙漿濃度
u 洗煤廠
沉澱池
u 電力
灰漿沉澱池
第二章 安 裝
2.1安裝說明
為了保證安裝人員的安全和污泥濃度計的正常工作,請按照如下順序進行安裝:
1、安裝儀表箱和感測器的支架;
2、將變送器裝入儀表箱並固定;
3、安裝感測器;
4、電氣連線。
2.2 變送器的安裝
1、在選擇變送器安裝位置時,需要遵循如下原則:
u 避免變送器受陽光直射;
u 避免使變送器產生過多震動;
u 如果情況允許,應將變送器安裝於稍稍高於操作者平視水平的位置,這樣將會有利於操作者可以非常舒服地瀏覽前部面板和進行控制操作;
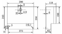
u 為變送器箱體的開啟和維護留出足夠的空間,變送器尺寸如圖2-1所示。
2、變送器尺寸
變送器尺寸圖

變送器背後有三個孔,尺寸如圖2-1所示,其中上面的孔用於懸掛,下面兩個孔用於加螺栓固定。
2.3感測器的安裝
為確保測量準確,在選擇感測器安裝位置時,需要遵循如下標準:
u 應將感測器安裝在工藝的恰當位置,以保證獲得具有代表性的測量結果,且安裝位置應該便於操作者進行取樣操作,感測器和取樣點之間的距離推薦最大值不超過1.5 m。不正確的取樣操作是導致測量數據有誤的一個常見原因;
u 應將感測器安裝在易於觸及的位置,方便對感測器進行定期的清洗和維護;
u 應避免將感測器安裝在氣泡較多的位置,因為氣泡會產生干擾信號。在某些套用條件下,氣泡的產生是難以避免的,例如在測量離心液或者過濾液等的套用中,在這些情況下應
將感測器安裝在脫氣裝置內;
u 應將感測器安裝在工藝混合良好和不出現停機的位置,這通常也是取樣點所在的位置;
u 感測器的探頭應該背向工藝介質流向。
感測器的安裝有兩種方式:浸沒式安裝和插入式安裝。
浸沒式安裝
浸沒式安裝方式是指把感測器

