系統簡介
太陽能電池是通過光電效應或者光化學效應直接把光能轉化成電能的裝置,太陽能電池測試系統,通過測試太陽能電池的光譜回響可以了解不同的生產工藝和過程對太陽能電池性能的影響,是太陽能電池生產工藝和過程控制的重要參考,對其發展很有指導作用。
測試原理
太陽能測試系統用各種波長不同的單色光分別照射太陽能電池板,由於光子能量,發射吸收特性,光生載流子的收集效率等的不同,產生不同的短路電流,以所測得的短路電流密度和輻照度之比,即單位輻照度產生的短路電流密度,與波長的函式關係來測定絕對光譜回響,以最大值歸一化可測得相對光譜回響。絕對光譜回響光源部分採用嚴格定標的雷射器和絕對輻射計。
測試步驟:採用對比測試法:
1 用標準的太陽能電池測量並調節偏置光輻射到需要的輻照度。
2 調節待測太陽能電池溫度到規定溫度。
3 用輻照度探測器測試單色光相對能量。
4 在溫度不變的情況下測試待測太陽能電池短路電流密度。
5 過計算各種數據,得出相對回響特性。
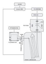
實驗配製
多用途的太陽能電池測試系統,可測試太陽能電池的光譜回響,量子效率或IPCE,光譜反射率和電流密度。其配置如下:
250W鹵鎢燈光源,光譜範圍300m-2500nm,輻照度強,穩定。
濾光片輪(包含濾光片)
三光柵光譜儀(掃描間隔5-50nm可調)
樣品室(含標定過的標準探測器)
鎖相放大器(美國斯坦福進口)
斬波器(美國斯坦福進口)(斬波頻率20-1000HZ)
100mm積分球
標準白板和探測器
軟體,計算機,準直系統,連線裝置等。
系統特點
1.大功率連續光源,輸出光譜平緩無尖峰,保證測量重複性。
2. 獨特的分光系統,保證良好的波長準確度和重複性,消除多級譜的影響,雜散光小。
3. 超強弱信號處理能力,有效提高信噪比,保證測量精度。
4. 獨特的樣品室及樣品架設計,夾持方便,電極接觸好,對若信號測試干擾小。
5. 完整的全自動化專業軟體:
● 集成了分光系統,多級光譜濾除裝置,弱信號處理系統等的參數設定和選擇。
● 自動掃描,信號放大,A/D,數據採集和書記處理,圖表檔案自動生成和顯示。
● 多種格式的數據和圖片備份和列印輸出。
● 多組數據對比功能。
● 粗大誤差的自動去除,系統誤差,線性誤差,周期誤差,T誤差的自動校驗。
